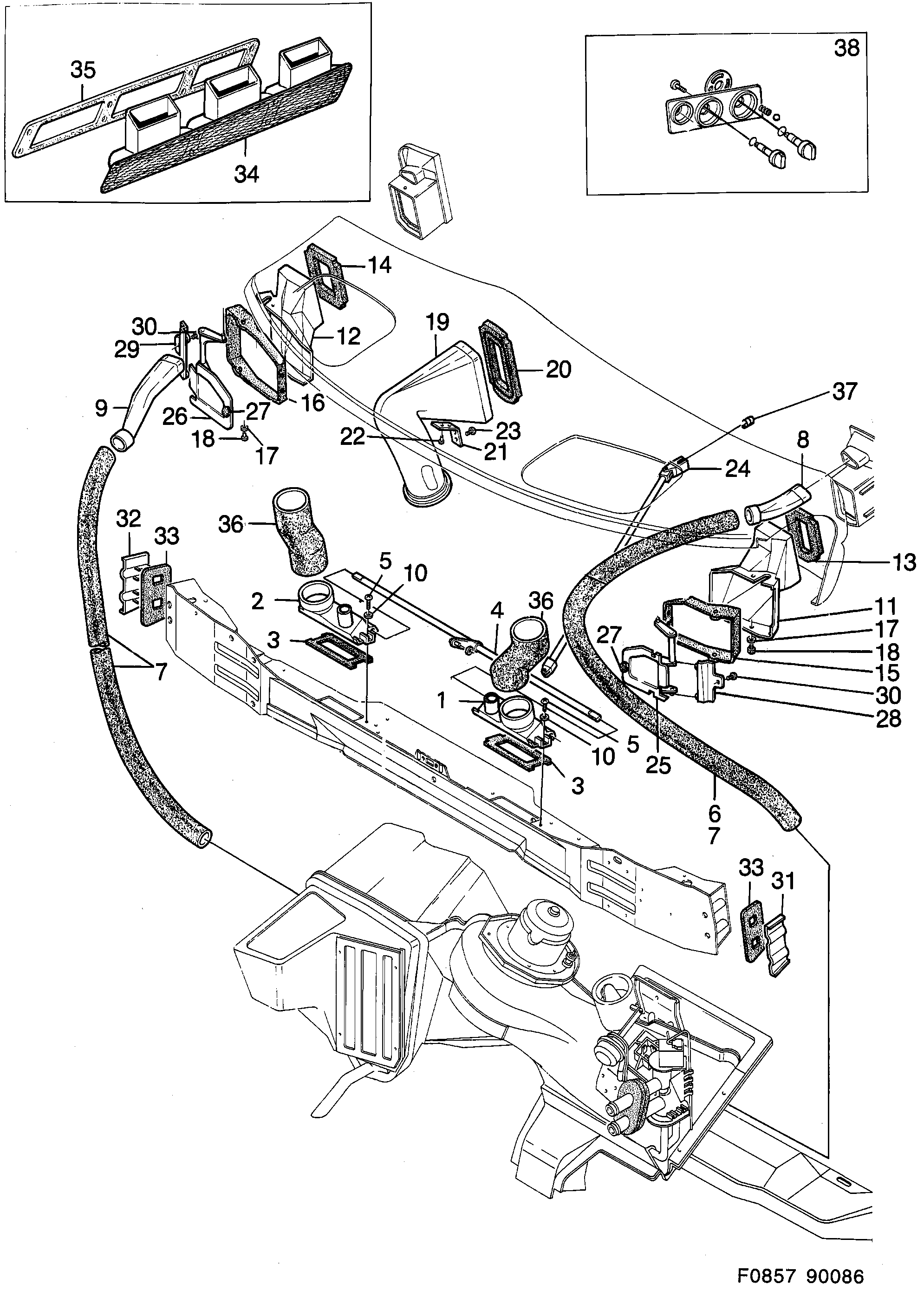
190: Heating and ventilation - Control - Duct, part 2
(1986 - 1989) | For 900 (1986)

| Pos. | Part No. | Qty | |||
|---|---|---|---|---|---|
| 1 | 9418138 Throttle body LH | 1 | |||
| 1 | 9480153 Throttle body LH | 1 | |||
| 2 | 9418146 Throttle body RH | 1 | |||
| 2 | 9480187 Throttle body RH | 1 | |||
| 3 | 9401712 Seal | 2 | |||
| 4 | 9423112 Shaft | 1 | |||
| 5 | 7922420 Screw | 4 | |||
| 6 | 9401332 Hose LH | 1 | |||
| 7 | 9401340 Hose RH | 1 | |||
| 7 | 9401332 Hose | 2 | |||
| 8 | 9426792 Connector LHD | LH | 1 | |||
| 8 | 9445776 Connector RHD | LH | 1 | |||
| 9 | 9426784 Connector LHD | RH | 1 | |||
| 9 | 9426792 Connector RHD | RH | 1 | |||
| 10 | 8029951 Washer | 4 | |||
| 11 | 9418344 Air duct LHD | LH | 1 | |||
| 11 | 9420399 Air duct RHD | LH | 1 | |||
| 12 | 9418450 Air duct LHD | RH | 1 | |||
| 12 | 9420464 Air duct RHD | RH | 1 | |||
| 13 | 9401373 Seal LHD | LH | 1 | |||
| 13 | 9420407 Seal RHD | LH | 1 | |||
| 14 | 9418468 Seal LHD | RH | 1 | |||
| 14 | 9420472 Seal RHD | RH | 1 | |||
| 15 | 9479643 Seal LH | 1 | |||
| 16 | 9479668 Seal RH | 1 | |||
| 17 | 8029951 Washer | 6 | |||
| 18 | 9441213 Screw | 6 | |||
| 19 | 9479908 Connector LHD | 1 | |||
| 19 | 9479916 Connector RHD | 1 | |||
| 20 | 9401431 Seal | 1 | |||
| 21 | 9401449 Bracket | 1 | |||
| 22 | 7973266 Rivet 1986-1988 | 2 | |||
| 23 | 7922420 Screw | 2 | |||
| 24 | 9422965 Control LHD | 1 | |||
| 24 | 9444738 Control RHD | 1 | |||
| 25 | 9473919 Throttle disc LH | 1 | |||
| 26 | 9473901 Throttle disc RH | 1 | |||
| 27 | 9473943 Spacer | 2 | |||
| 28 | 9426214 Bearing LH | 1 | |||
| 29 | 9426206 Bearing RH | 1 | |||
| 30 | 8098030 Screw | 2 | |||
| 31 | 9426693 Cover LH | 1 | |||
| 32 | 9426701 Cover RH | 1 | |||
| 33 | 9426727 Seal | 2 | |||
| 34 | 9288150 Air outlet LH | 1 | |||
| 34 | 9288168 Air outlet RH | 1 | |||
| 34 | |||||
| 35 | 9288119 Seal 1986-1988 | 2 | |||
| 36 | 9479650 Duct | 2 | |||
| 37 | 9621897 Bracket | 2 | |||
| 38 | |||||