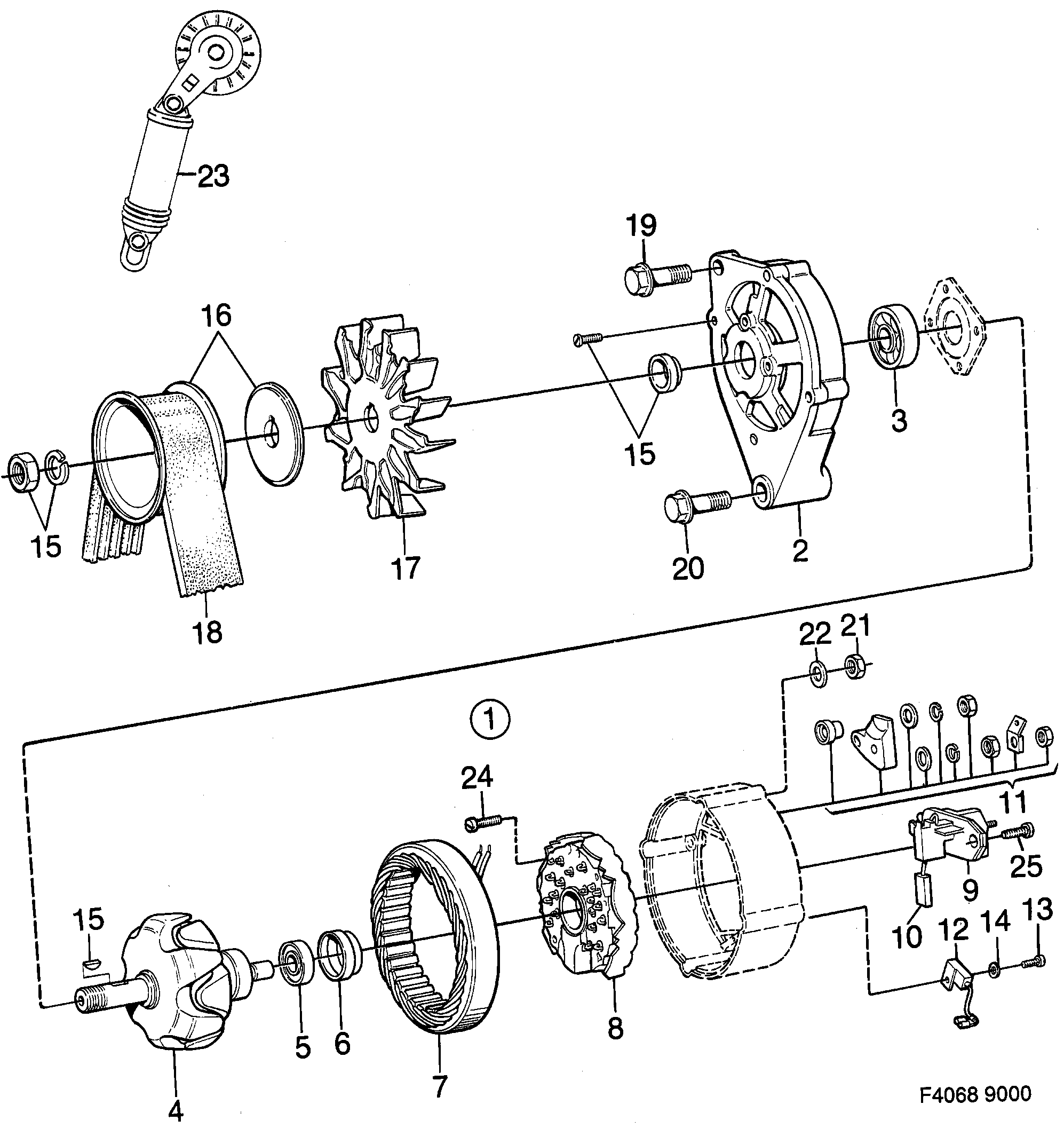
190: Electrical, general - Generator - Bosch 115A
(1985 - 1989) | For 9000 (1985)

| Pos. | Part No. | Qty | |||
|---|---|---|---|---|---|
| 1 | 9565607 Generator Also available as exchange unit. | 1 | |||
| 2 | 9124280 Drive bearing | 1 | |||
| 3 | 9513128 8549545 Ball bearing | 1 | |||
front | |||||
| 5 | 9124348 Ball bearing rear | 1 | |||
| 6 | 9124355 O-ring | 1 | |||
| 7 | 9124363 Stator | 1 | |||
| 8 | 9124371 Rectifier | 1 | |||
| 9 | 8590549 90349907 Voltage regulator | 1 | |||
| 10 | 9515180 Brush set | 1 | |||
| 11 | 9124397 Part kit | 1 | |||
| 12 | 9523184 Capacitor | 1 | |||
| 13 | 9124264 Screw | 1 | |||
| 14 | 9124272 Washer | 1 | |||
| 15 | 8590994 Part kit | 1 | |||
| 16 | 9503715 Pulley | 1 | |||
| 17 | 8587248 Fan disc | 1 | |||
| 18 | 7596679 93185054 Belt | 1 | |||
| 18 | 93185054 Belt alt. to 7596679 | 1 | |||
| 18 | 4356887 93185054 Belt Alt. to 7596679 | 1 | |||
| 18 | 93185057 93185054 Belt alt. to 4356887 | 1 | |||
| 19 | 7978745 Screw | 1 | |||
| 20 | 8098378 Screw | 1 | |||
| 21 | 8074106 Nut B+ | 1 | |||
| 22 | 7933849 Washer B+ | 1 | |||
| 23 | |||||
| 24 | 9513599 Screw | 6 | |||
| 25 | 8571986 Screw | 2 | |||