
| Pos. | Part No. | Qty | |||
|---|---|---|---|---|---|
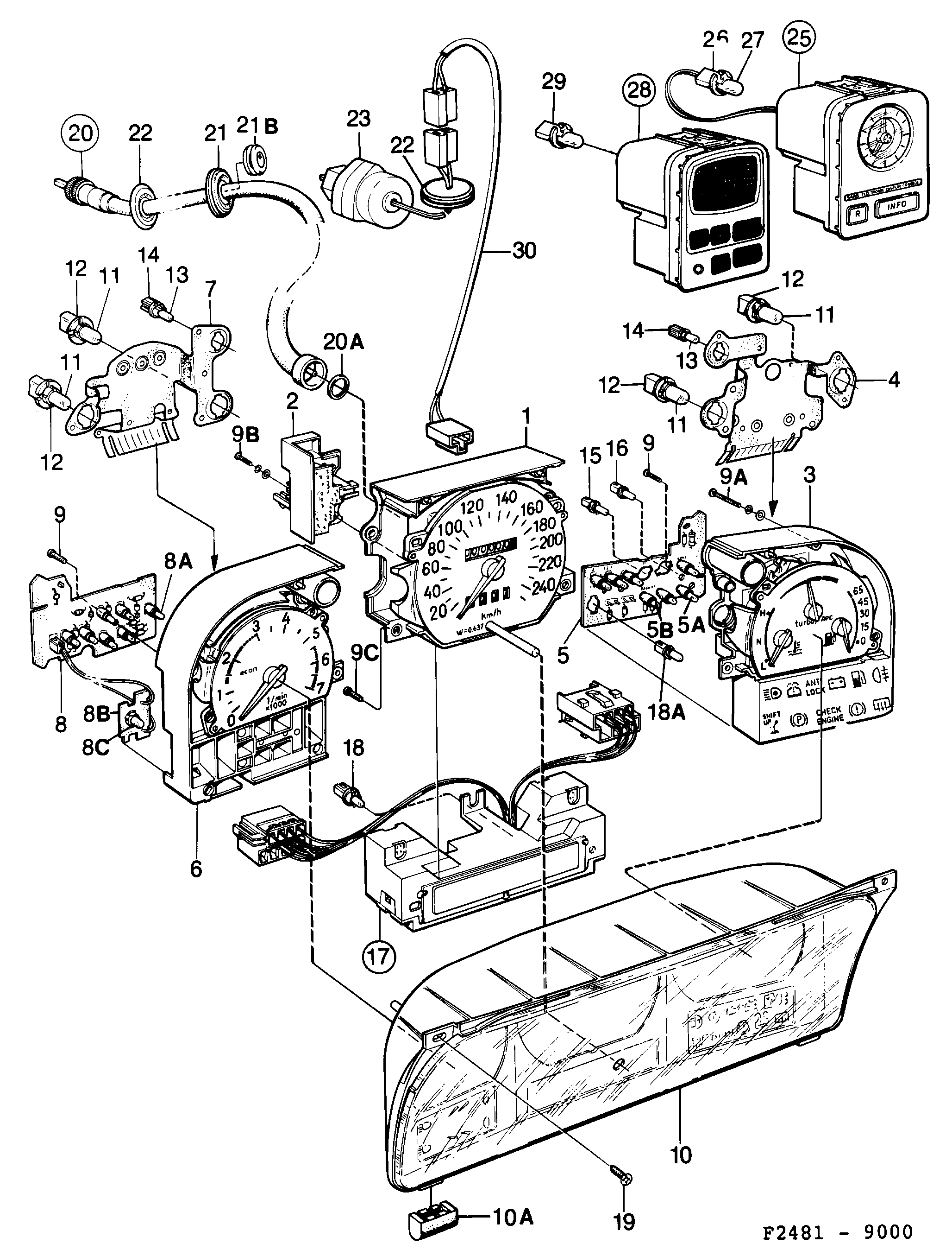
| 1 | 9504689 Speedometer 1986-1986 | TURBO | State mileage. | 240 KM/H, W=0,64 | 1 | |||
| 1 | 9504705 Speedometer 1986-1986 | State mileage. | 200 KM/H,W=0,64 | 1 | |||
| 1 | 9521097 Speedometer 1986-1986, LHD | State mileage. | 135 MPH,W=1,026 | 1 | |||
| 1 | 9504721 Speedometer 1986-1986, LHD | State mileage. | 135 MPH W=1,026 | 1 | |||
| 1 | 9513896 Speedometer 1986-1989 | State mileage. | 140 MPH W=1,026 | 1 | |||
| 1 | 9121989 Speedometer LHD | State mileage. | 135 MPH W=1,026 | 1 | |||
| 1 | 9121971 Speedometer State mileage. | 140 MPH W=1,026 | 1 | |||
| 2 | 9505082 Pulse sensor 1985-1987 | 1 | |||
| 3 | 9513904 Combination instrument 1986-1986 | TURBO | Also available as exchange unit. | 1 | |||
| 3 | 9513979 Combination instrument 1986-1986, LHD | TURBO | 1 | |||
| 3 | 9513862 Combination instrument 1986-1986 | TURBO | 1 | |||
| 3 | 9516154 Combination instrument 1986-1986 | TURBO | 1 | |||
| 3 | 9515198 Combination instrument 1986-1986 | I | 1 | |||
| 3 | 9515214 Combination instrument 1986-1986, LHD | I | 1 | |||
| 3 | 9515206 Combination instrument 1986-1986 | I | 1 | |||
| 3 | 9516162 Combination instrument 1986-1986 | I | 1 | |||
| 4 | 9505629 Foil | 1 | |||
| 5 | 9513912 Circuit board 1986-1987 | 1 | |||
| 5A | 9509175 Bulb 1986-1989 | 40/238 298 004 | 6 | |||
| 5B | 9514894 Bulb 1986-1989 | 40/238 303 002 | 3 | |||
| 6 | 9514845 Tachometer 1986-1987 | Also available as exchange unit. | 1 | |||
| 7 | 9505587 Foil 1985-1987 | 1 | |||
| 8 | 9509449 Circuit board 1985-1987 | 1 | |||
| 8A | 9509175 Bulb 1985-1987 | 40/238 298 004 | 7 | |||
| 8B | 9509456 Circuit board 1985-1987 | 1 | |||
| 8C | 9513888 Bulb 40/238 302 004 | 1 | |||
| 9 | 9506619 Screw | 3 | |||
| 9A | 9505553 Screw | 6 | |||
| 9B | 9505561 Screw | 2 | |||
| 9C | 9508862 Screw | 2 | |||
| 10 | 9505074 Casing | 1 | |||
| 10A | 9505298 Support | 2 | |||
| 11 | 9505116 93190472 Bulb 40/238 288 005 | 4 | |||
| 12 | 9505520 Socket, bulb | 4 | |||
| 13 | 9505538 5375266 Bulb | 2 | |||
| 14 | 9505546 5375266 Socket, bulb | 2 | |||
| 15 | 8568693 Bulb 40/238 286 017 | 1 | |||
| 16 | 8566853 Bulb | 1 | |||
| 17 | 9519000 Display 1986-1989 | I | Also available as exchange unit. | EDU 1 | 1 | |||
| 17 | 9519000 Display 1986-1989 | Also available as exchange unit. | EDU 2 | 1 | |||
| 17 | 9522640 Display TURBO | Also available as exchange unit. | EDU 2 (9509787) | 1 | |||
| 18 | 8566853 Bulb | 2 | |||
| 19 | 7922271 Screw | 2 | |||
| 20 | 9518150 Speed wire 1985-1986 | (9503392) | 1 | |||
| 20A | 7575848 Spacer washer 1985-1986 | 1 | |||
| 21 | 9508920 Grommet 1985-1986 | 1 | |||
| 21B | 9473943 Spacer 1985-1986, RHD | 1 | |||
| 22 | 9512013 Grommet Part of 91 23 324. Also valid for SE 1988B. | 2 | |||
| 23 | 9123324 Sensor (9504655,9564469) | 1 | |||
| 25 | 9513334 Clock Also available as exchange unit. | (9501305) | 1 | |||
| 26 | 9505520 Socket, bulb | 1 | |||
| 27 | 9505116 93190472 Bulb 40/238 288 005 | 1 | |||
| 28 | 9124579 Trip computer Also available as exchange unit. outdoor air temperature | DCC,(9509795) | 1 | |||
| 29 | 9509993 Bulb 40/238 299 002 | 2 | |||
| 30 | 9524646 Cable harness 1986-1986 | speedometer | 1 | |||
| 1 | |||||