
| Pos. | Part No. | Qty | |
|---|---|---|---|
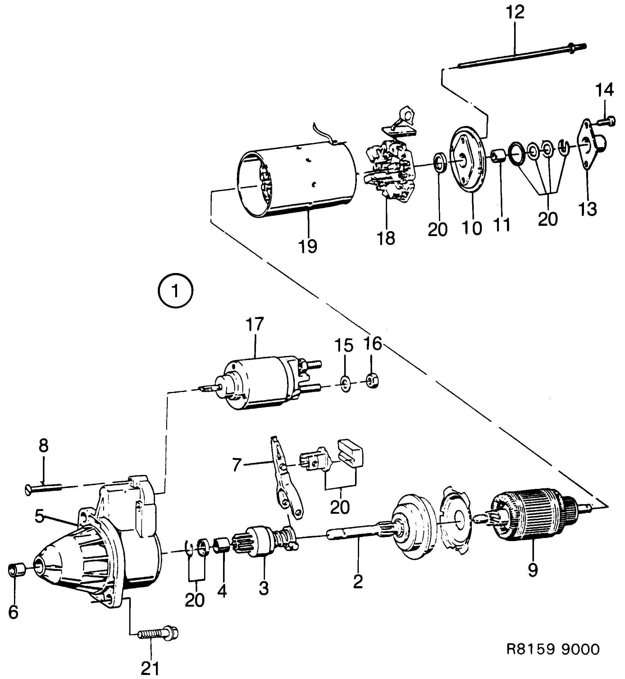
| 1 | 7532153 NLS Starter motor -1989 | NLS.- USE 93184930 Also available as exchange unit. | 1 | |
| 2 | 7535255 Planetary gear | 1 | |
| 3 | 7527724 Drive gear -1989 | 1 | |
| 4 | 7527732 Bearing bushing | 2 | |
| 5 | 7535263 Gear house -1989 | 1 | |
| 6 | 7527757 Bearing bushing | 1 | |
| 7 | 7527765 Engagement lever Not as separate spare part. | 1 | |
| 8 | 7535271 Screw | 3 | |
| 9 | 7535289 Rotor -1989 | 1 | |
| 10 | 7535297 Ball bearing | 1 | |
| 11 | 7527807 Bearing bushing | 1 | |
| 12 | 7535305 Screw | 2 | |
| 13 | 7535313 Cap | 1 | |
| 14 | 7535321 Screw | 2 | |
| 15 | 7527849 Washer | 1 | |
| 16 | 7535339 Nut | 1 | |
| 17 | 7527856 Actuator solenoid | 1 | |
| 18 | 7527864 4443784 Plate | 1 | |
| 19 | 7527872 Casing | 1 | |
| 20 | 7527880 Kit | 1 | |
| 21 | 7976939 Screw | 2 |