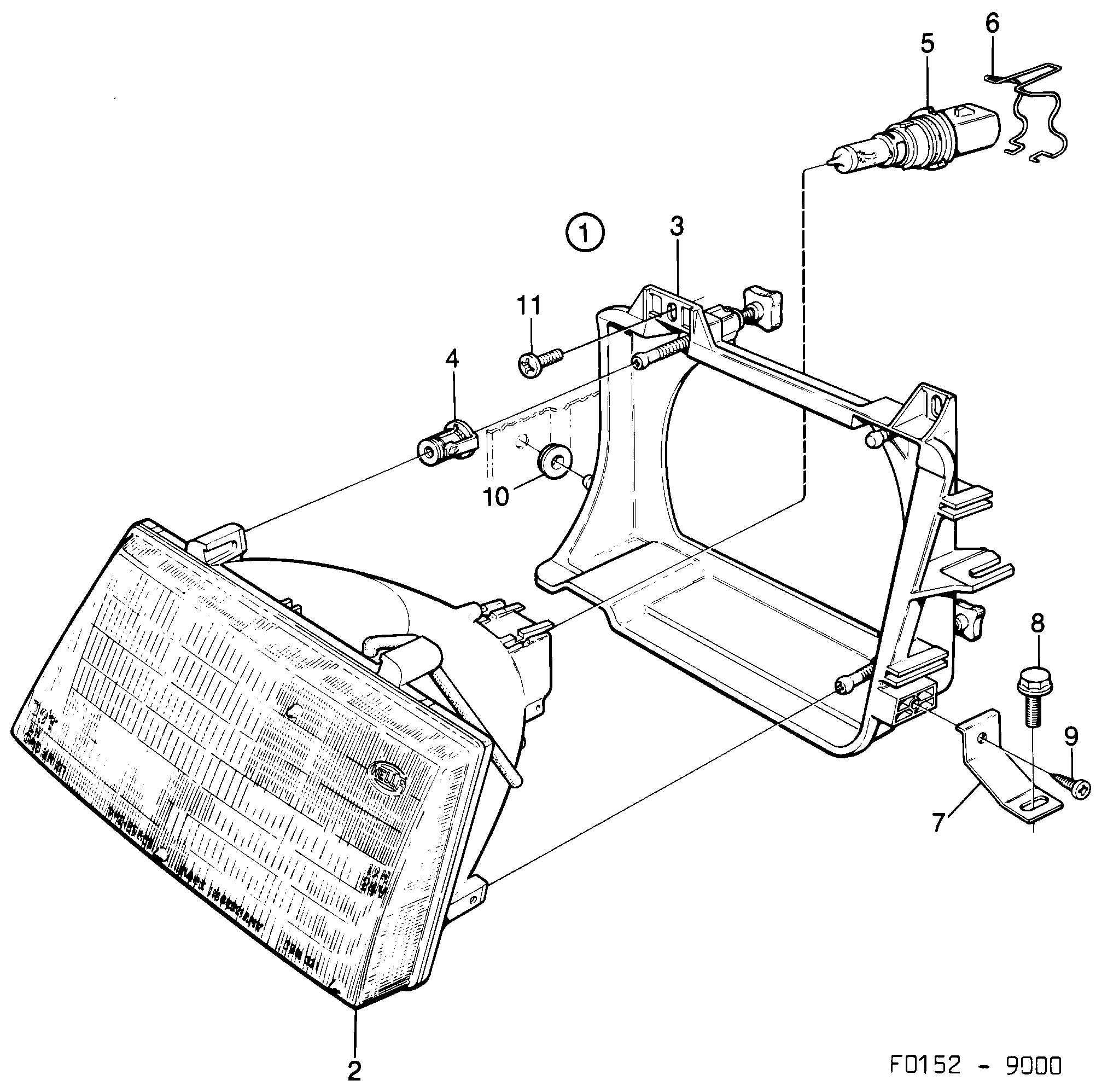
520: Electrical, general - Lighting - Headlamp, sealed beam
(1988 - 1989 | 4D) | For 9000 (1989)

| Pos. | Part No. | Qty | |
|---|---|---|---|
| 1 | 9521352 Headlamp LH | 1 | |
| 1 | 9521360 Headlamp RH | 1 | |
| 2 | 9521774 Headlamp insert LH | 1 | |
| 2 | 9521782 Headlamp insert RH | 1 | |
| 3 | 9521816 Attaching frame LH | 1 | |
| 3 | 9521824 Attaching frame RH | 1 | |
| 4 | 9526484 Bearing sleeve | 3 | |
| 5 | 9512401 32000476 Bulb 40/238 301 006 | 1 | |
| 6 | 9526260 Spring | 1 | |
| 7 | 9525254 Attaching bracket LH | 1 | |
| 7 | 9525262 Attaching bracket RH | 1 | |
| 8 | 7975170 7982366 Screw | 2 | |
| 9 | 7922438 Screw | 2 | |
| 10 | 9504648 Bushing | 2 | |
| 11 | 7973159 7973001 Screw | 4 |