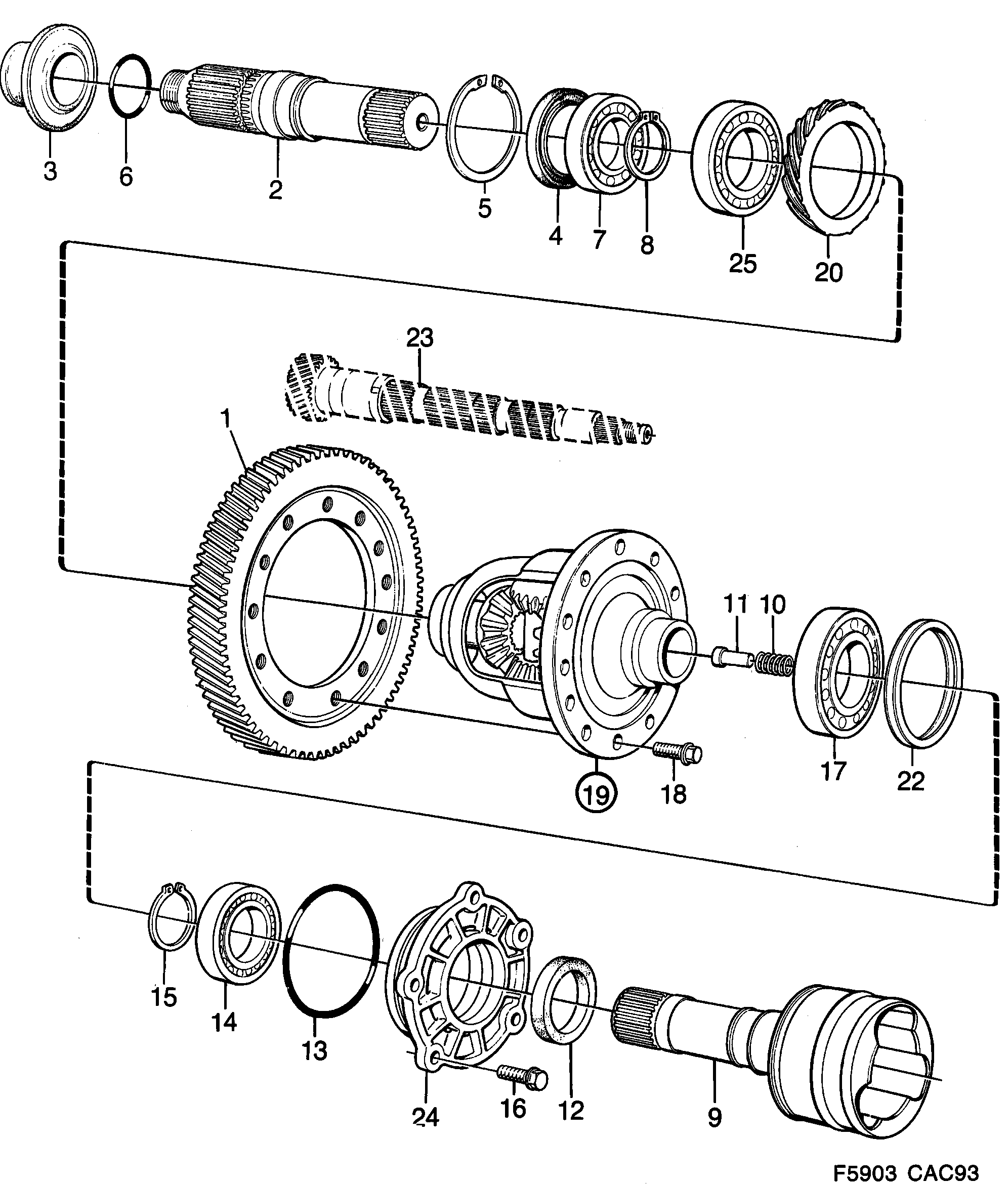
380: Transmission - Gearbox, automatic - Differential
(1990 - 1993 | A) | For 9000 (1990)

| Pos. | Part No. | Qty | |||
|---|---|---|---|---|---|
| 1 | 7571854 Crown wheel 1990-1990 | B202 | 1 | |||
| 1 | 4026977 Crown wheel 1990-1990 | B234 | 1 | |||
| 2 | 8723140 Shaft | 1 | |||
| 3 | 8720997 Sealing ring B202 | 1 | |||
| 4 | 7592223 Seal | 1 | |||
| 5 | 8048324 Ring | 1 | |||
| 5 | 7915036 8048324 Lock ring Alternative to 8048324. | 1 | |||
| 6 | 7594898 O-ring | 1 | |||
| 7 | 7558950 Ball bearing | 1 | |||
| 8 | 8047813 8728198 Retaining ring | 1 | |||
| 8 | 7915200 8728198 Lock ring Alternative to 8047813. | 1 | |||
| 9 | 8720948 Companion flange LH | 1 | |||
| 9 | 4103222 Companion flange B234TURBO | LH | 1 | |||
| 10 | 8704314 Spring | 1 | |||
| 11 | 8704322 Plunger | 1 | |||
| 12 | 7592231 4280376 Seal -2001 | 1 | |||
| 13 | 7594120 O-ring | 1 | |||
| 14 | 7558950 Ball bearing | 1 | |||
| 15 | 7915200 8728198 Lock ring | 1 | |||
| 16 | 7558497 Hexagon screw | 5 | |||
| 17 | 7558430 Roller bearing | 1 | |||
| 18 | 7571862 Screw | 11 | |||
| 18 | 7571870 Screw ALT. TO 7871862 | 11 | |||
| 19 | 8727778 8746406 Differential | 1 | |||
| 20 | 8727232 Drive gear | 1 | |||
| 22 | 7597677 4122123 Adjusting washer -2001 | 0,15MM | X | |||
| 22 | 7597685 4122131 Adjusting washer -2001 | 0,20MM | X | |||
| 22 | 7597693 Adjusting washer -2001 | 0,25MM | X | |||
| 22 | 7597701 Adjusting washer -2001 | 0,30MM | X | |||
| 22 | 7597719 Adjusting washer -2001 | 0,35MM | X | |||
| 22 | 7597727 Adjusting washer -2001 | 0,40MM | X | |||
| 22 | 7597735 Adjusting washer -2001 | 0,70MM | X | |||
| 22 | 7597743 Adjusting washer -2001 | 1,00MM | X | |||
| 22 | 7597750 Adjusting washer -2001 | 1,20MM | X | |||
| 22 | 7597768 Adjusting washer -2001 | 1,50MM | X | |||
| 23 | |||||
| 24 | 8719098 Bearing seat | 1 | |||
| 25 | 7558448 Roller bearing | 1 | |||
7575509 Sealing kit B202, B234I | drive shaft | X | ||||
7575566 Repair kit B202, B234I | drive shaft | LH | X | ||||
7575574 Repair kit B202, B234I | drive shaft | RH | X | ||||
7496094 Gasket kit B202 | Stage 1-2 | X | ||||
7496102 Gasket kit B202 | Stage 3 | X | ||||