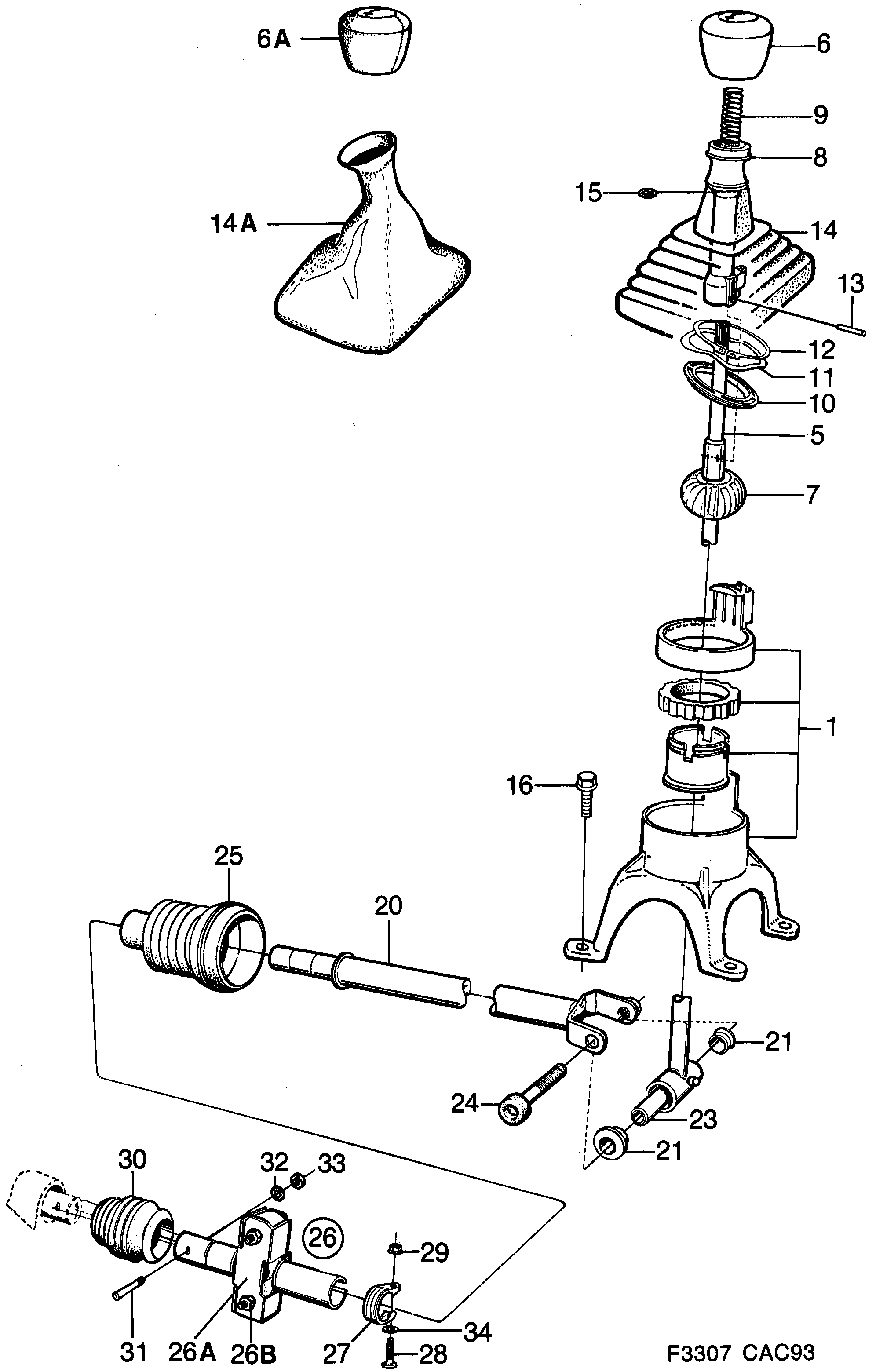
410: Transmission - Gearbox control, manual - Gear lever
(1990 - 1992 | M) | For 9000 (1990)

| Pos. | Part No. | Qty | |
|---|---|---|---|
| 1 | 7592843 Gear shift housing | 1 | |
| 5 | 7559859 Gear lever | 1 | |
| 6 | 9382425 Knob | 1 | |
| 6A | 7598659 Knob leather | 1 | |
| 7 | 7599988 Ball | 1 | |
| 8 | 7577646 Companion flange | 1 | |
| 9 | 9379637 Spring | 1 | |
| 10 | 9379470 Bearing shell | 1 | |
| 11 | 9379488 Washer | 1 | |
| 12 | 7398308 Retaining ring | 1 | |
| 13 | 7956238 Pin | 1 | |
| 14 | 7599442 Gaiter LHD | 1 | |
| 14 | 7599434 Gaiter RHD | 1 | |
| 14A | 7598337 Gaiter leather | 1 | |
| 15 | 7977424 O-ring | 1 | |
| 16 | 7965544 Screw | 4 | |
| 20 | 7576689 4118626 Gear rod -1991 | 1 | |
| 21 | 7559875 Bushing | 2 | |
| 23 | 7577729 55562625 Spacer | 1 | |
| 24 | 7554561 92151758 Screw | 1 | |
| 25 | 7599400 Gaiter | 1 | |
| 26 | 7599178 4477147 Joint | 1 | |
| 26A | 7576416 Joint | 1 | |
| 26B | 8073512 92150265 Lock nut | 4 | |
| 27 | 9348533 55562614 Clamp | 1 | |
| 28 | 7541907 55562616 Screw | 1 | |
| 29 | 7975501 11066386 Nut | 1 | |
| 30 | 4029575 Bellows | 1 | |
| 31 | 8375172 Pin | 1 | |
| 32 | 8029944 Washer | 1 | |
| 33 | 8335002 8074270 Nut | 1 | |
| 34 | 8029985 92153033 Washer | 1 |