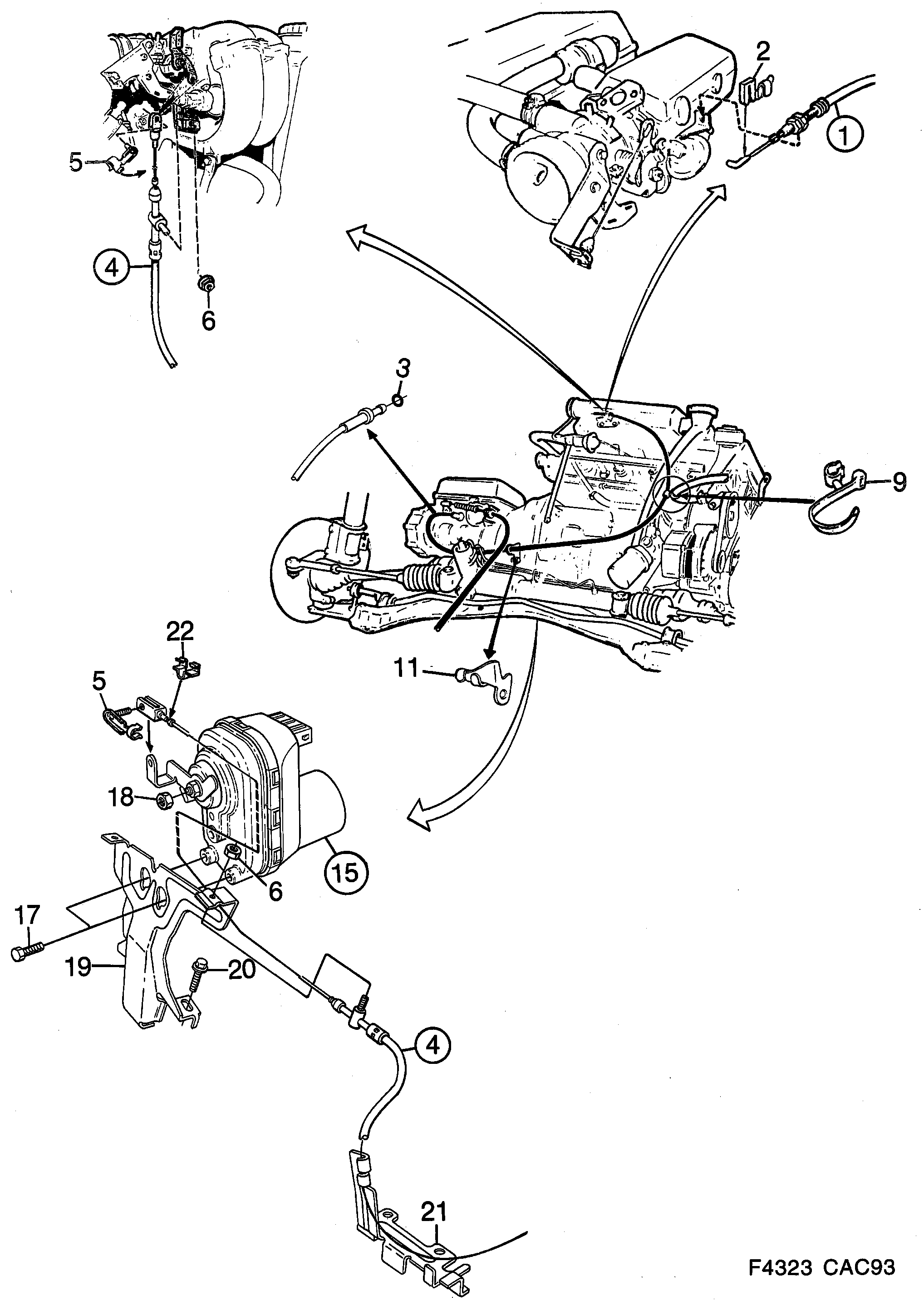
740: Transmission - Gearbox, automatic - Throttle cable - electric motor ASR
(1990 - 1993 | A) | For 9000 (1990)

| Pos. | Part No. | Qty | |||
|---|---|---|---|---|---|
| 1 | 4028239 Cable B202 | 1 | |||
| 2 | 8322331 Clip | 1 | |||
| 3 | 7575392 Sealing ring -2005 | 1 | |||
| 4 | 4026365 4122529 Cable -2009 | B234 | 1 | |||
| 4 | 4281713 Cable B234 | ASR | 1 | |||
| 5 | 8308389 Clip | 1 | |||
| 3 | 7575392 Sealing ring -2005 | 1 | |||
| 6 | 7971658 11900428 Nut -2009 | B234 | 1 | |||
| 9 | 7399652 Clamp B202 | 1 | |||
| 11 | 4118311 Bracket | 1 | |||
| 15 | 4161220 Electric motor ASR | 1 | |||
| 17 | 7969223 Screw ASR | 3 | |||
| 18 | 8029555 8151227 Nut ASR | 1 | |||
| 19 | 4163317 Bracket ASR | 1 | |||
| 20 | 7972607 92153146 Screw ASR | 3 | |||
| 21 | 4163333 Retainer ASR | 1 | |||
| 22 | 4384053 Clamp ASR | 1 | |||