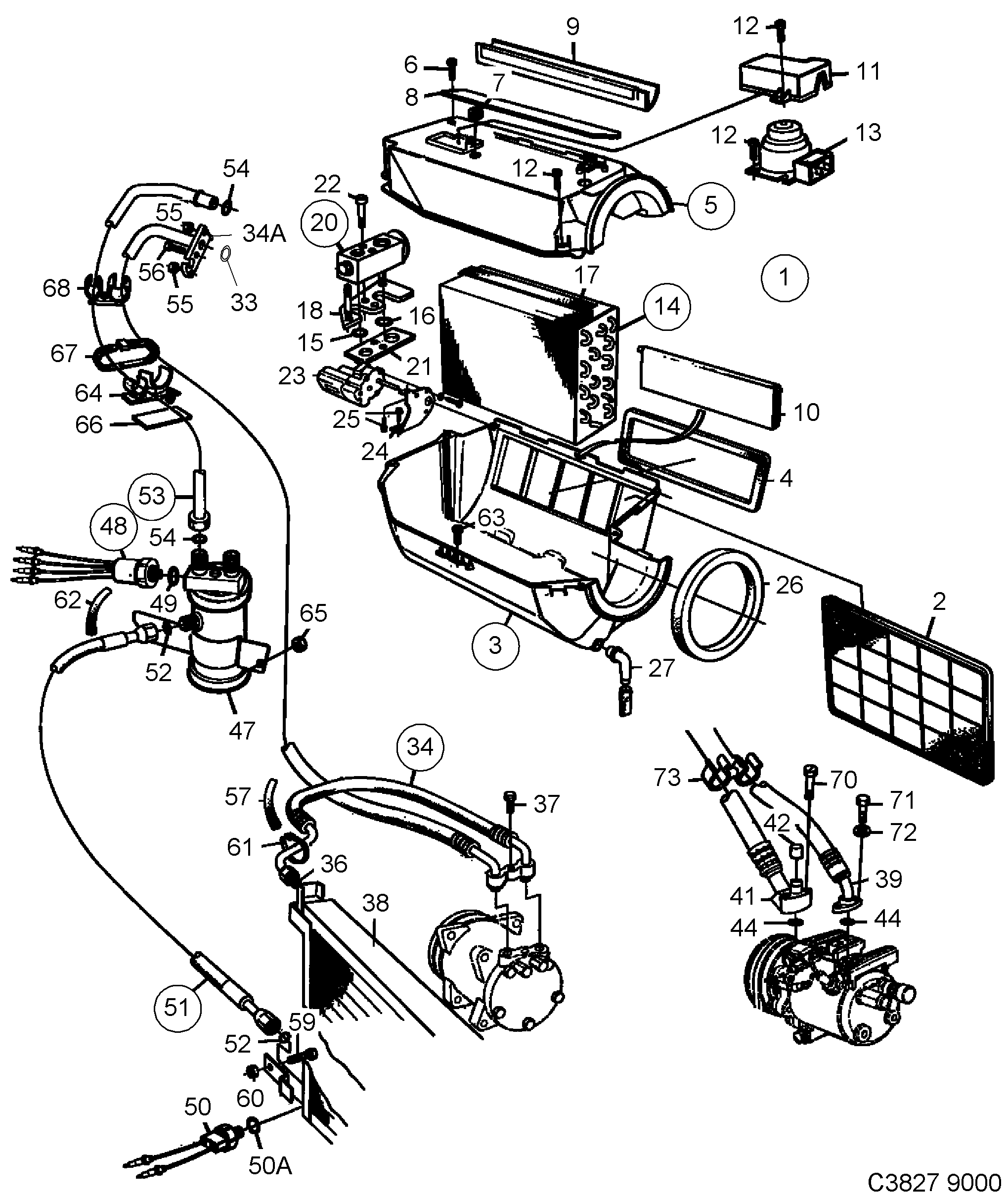
350: Heating and ventilation - AC evaporator
(1992 - 1993) | For 9000 (1992)

| Pos. | Part No. | Qty | |||
|---|---|---|---|---|---|
| 1 | 4071684 Evaporator housing 1992-1992 | 1 | |||
| 1 | 4071940 Evaporator housing For cars with refrigerant medium R134a. | 1 | |||
| 2 | 4072393 Compartment filter | 1 | |||
| 3 | 4319125 30541966 Casing | 1 | |||
| 4 | 4072369 Seal | 1 | |||
| 5 | 4319133 30541967 Casing | 1 | |||
| 6 | 7972946 92150102 Screw | 1 | |||
| 7 | 4319646 30541974 Bushing | 1 | |||
| 8 | 4318218 30541951 Filter cover | 1 | |||
| 9 | 4073359 Water drainage | 1 | |||
| 10 | 4073375 Throttle valve, shutter | 1 | |||
| 11 | 4318234 30541952 Protecting casing | 1 | |||
| 12 | 7922214 Screw | 12 | |||
| 13 | 4318317 4542965 Thermo contact | 1 | |||
| 14 | 4319117 Evaporator | 1 | |||
| 15 | 4318036 30541941 O-ring Ø 10,8 MM | 1 | |||
| 16 | 4318044 O-ring Ø 14 MM | 1 | |||
| 17 | 9622572 Seal | 1 | |||
| 18 | 4073417 Plate | 1 | |||
| 20 | 4319141 Valve 1992-1992 | 1 | |||
| 20 | 4319158 Valve For cars with refrigerant medium R134a. | 1 | |||
4318036 30541941 O-ring Ø 10,8 MM | 1 | ||||
4318044 O-ring Ø 14 MM | 1 | ||||
| 21 | 4073391 Seal | 1 | |||
| 22 | 8097800 Screw | 2 | |||
| 23 | 9624867 Electric motor | 1 | |||
| 24 | 4073383 Attaching plate | 1 | |||
| 25 | 7973126 Screw | 2 | |||
| 26 | 4318242 30541953 Seal | 1 | |||
| 27 | 4073532 Draining valve | 1 | |||
| 33 | 30541943 O-ring Ø 17,3 MM | 1 | |||
| 34 | 4632857 Hose 1992-1992 | TURBO | (4074472) COMPR.-CONDENSER, EVAPORATOR | 1 | |||
| 34 | 4632865 Hose 1992-1992 | I | (4074480) COMPR.-CONDENSER, EVAPORATOR | 1 | |||
| 34A | Connector Not as separate spare part. | 1 | |||
| 35 | 4318051 30541943 O-ring | 1 | |||
| 36 | 4318036 30541941 O-ring | 1 | |||
| 37 | 7978307 92153206 Screw | 1 | |||
| 38 | 4071957 7495559 Condenser 1992-1992 | 1 | |||
| 39 | 4071916 92150006 Hose 1992-1992 | I | For cars with refrigerant medium R134a. | TO CONDENSER | 1 | |||
| 39 | 4071908 92150006 Hose 1992-1992 | TURBO | For cars with refrigerant medium R134a. | TO CONDENSER | 1 | |||
| 41 | 4319216 4382644 Hose 1992-1992 | B234 | For cars with refrigerant medium R134a. | TO EVAPORATOR | 1 | |||
| 41 | 4071932 Hose 1992-1992 | B202 | For cars with refrigerant medium R134a. | TO EVAPORATOR | 1 | |||
| 42 | 4318705 30542840 Plug For cars with refrigerant medium R134a. | 1 | |||
| 44 | 1 | ||||
| 47 | 4074340 Reservoir -1993 | 1 | |||
| 48 | 4319984 Pressure monitor (4071965) | 1 | |||
| 49 | 4073979 O-ring | 1 | |||
| 50 | 4071981 Pressure monitor | 1 | |||
| 50A | 4073979 O-ring | 1 | |||
| 51 | 4319588 4383238 Hose | 1 | |||
| 52 | 4318028 30541940 O-ring | 2 | |||
| 53 | 4319570 Tube | 1 | |||
| 54 | 4318028 30541940 O-ring | 2 | |||
| 55 | 7977929 11900451 Nut | 2 | |||
| 56 | 7978117 11900355 Screw | 1 | |||
| 57 | 9631367 Protection | 1 | |||
| 59 | 7974280 92153209 Screw B202I | 2 | |||
| 59 | 8019911 Screw B234I | 2 | |||
| 59 | 7974272 Screw B234TURBO | 2 | |||
| 60 | 7974298 92153044 Nut | 2 | |||
| 61 | 7971880 11900513 Tensioning band | 1 | |||
| 62 | 8564973 Protecting moulding | 1 | |||
| 63 | 7973001 Screw | 2 | |||
| 64 | 4318531 Pipe bracket | 1 | |||
| 65 | 7977929 11900451 Nut | 2 | |||
| 66 | 9630310 Stay pad | 2 | |||
| 67 | 7971880 11900513 Tensioning band | 1 | |||
| 68 | 4318382 Pipe bracket | 2 | |||
| 70 | 7978174 Screw M6x50 | 2 | |||
| 71 | 8059578 Screw 1992-1992 | M6x16 | 2 | |||
| 72 | 9166364 Washer 1992-1992 | (8029951) | 2 | |||