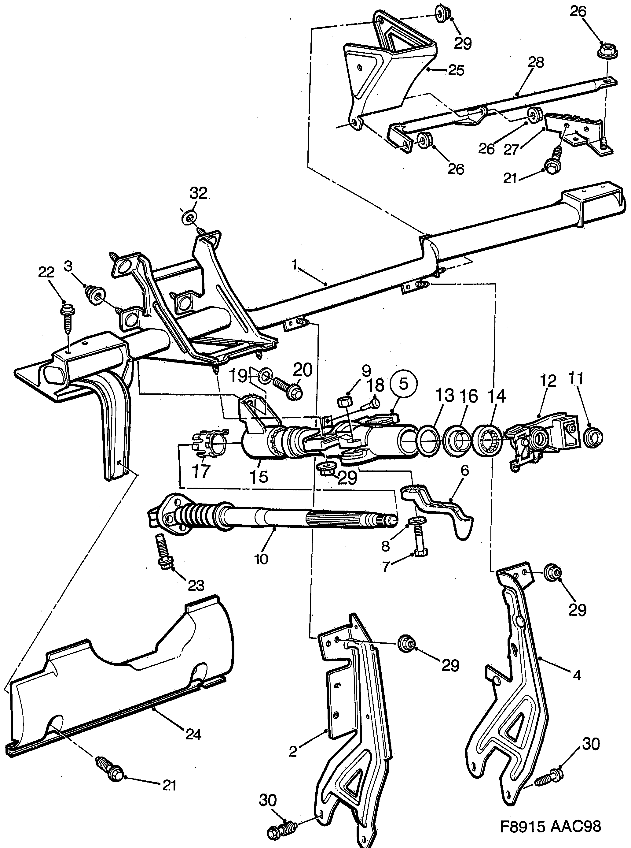
160: Steering - Steering assembly - Steering wheel member - Steering column
(1998 - 2003) | For 9-3 (9400) (2002)

| Pos. | Part No. | Qty | |
|---|---|---|---|
| 1 | 5334461 Steering wheel member 2001-, LHD | 1 | |
| 1 | 4379582 Steering wheel member RHD | 1 | |
| 2 | 4505756 Support LHD | 1 | |
| 2 | 4505889 Support RHD | AS3 | 1 | |
| 3 | 4345419 90191908 Nut | X | |
| 4 | 4414827 30550991 Support LHD | 1 | |
| 4 | 4233318 Support RHD | 1 | |
| 5 | 5018718 Steering column 2001- | 1 | |
| 6 | 5170501 Handle 1999- | 1 | |
| 7 | 5018536 Screw 1999- | 1 | |
| 8 | 7981954 Washer | 1 | |
| 9 | 8073512 92150265 Lock nut | 1 | |
| 10 | 4842902 Steering shaft | 1 | |
| 11 | 5016779 Lock ring | 1 | |
| 12 | 5010186 Bearing housing 1998- | 1 | |
| 13 | 5335658 Disc spring 2002-2003 | 1 | |
| 14 | 4903985 Ball bearing | 1 | |
| 15 | 4902292 Bracket | 1 | |
| 16 | 4460721 Plastic bushing | 1 | |
| 17 | 4849337 Bearing | 1 | |
| 18 | 7035801 Rubber plug | 1 | |
| 19 | 7061328 Washer | 1 | |
| 20 | 7982986 Screw | 1 | |
| 21 | 7978091 11900353 Screw | X | |
| 22 | 7399330 Screw | 4 | |
| 23 | 4087631 Hexagon screw | 1 | |
| 24 | 4842985 Knee protection LHD | 1 | |
| 24 | 5017041 Knee protection 1999-2003, RHD | 1 | |
| 25 | 4414694 30550989 Knee protection AIRBAG 2 | 1 | |
| 26 | 7977929 11900451 Nut AIRBAG 2 | 3 | |
| 27 | 4474367 Bracket AIRBAG 2 | 1 | |
| 28 | 4414702 30550990 Tube AIRBAG 2 | 1 | |
| 29 | 7971922 92150143 Nut | X | |
| 30 | 7972466 Screw | X | |
| 32 | 4345344 Washer RHD | 1 |