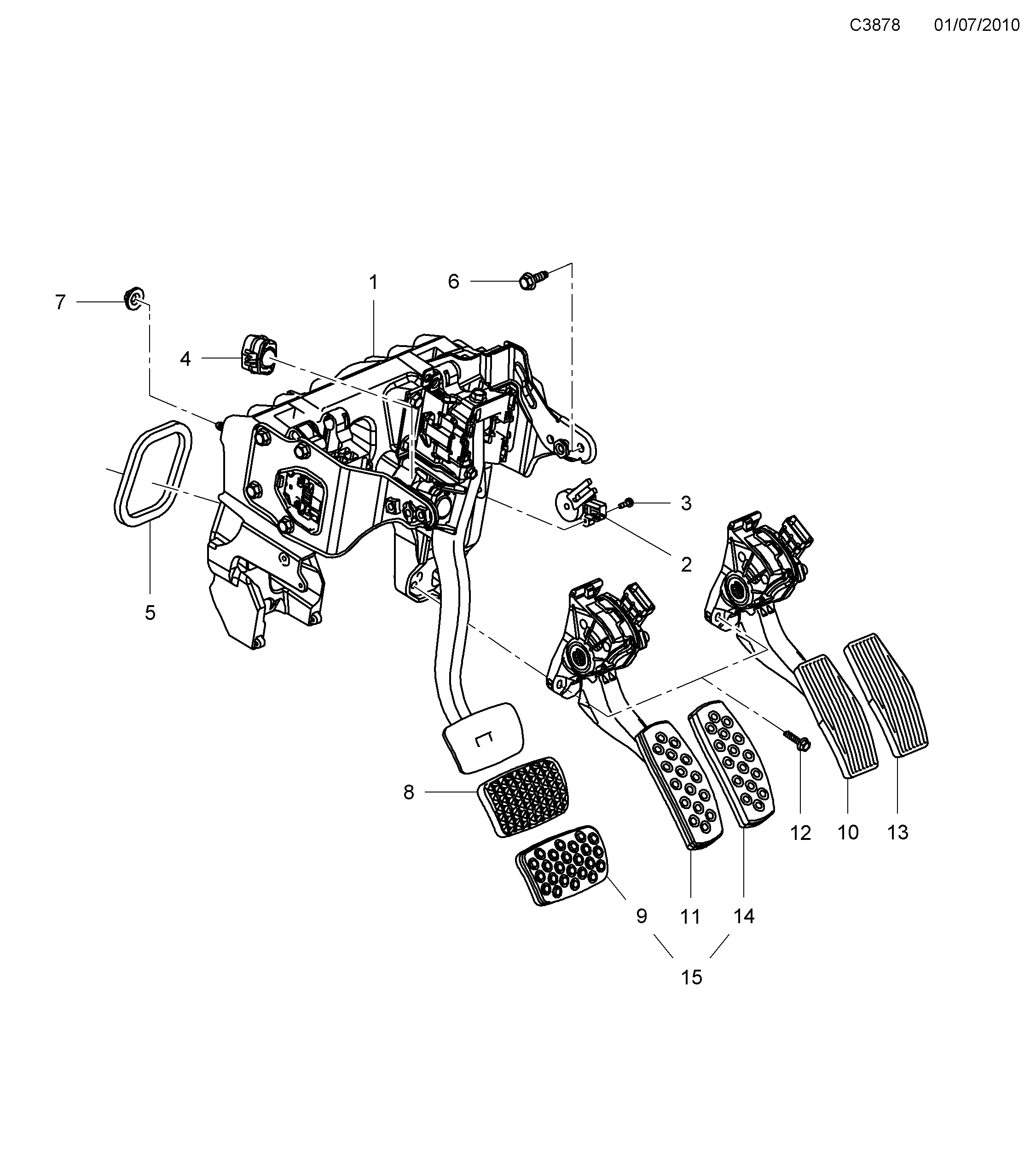
6100: Brakes - Footbrake system - Pedal box
(2010 - 2011 | LHD) | For 9-5 (650) (2011)

| Pos. | Part No. | Qty | |
|---|---|---|---|
| 1 | 13331949 Pedal arrangement Clutch pedal | 1 | |
| 2 | 10366474 Sensor Brake pedal position | 1 | |
| 3 | 13281351 Bolt Brake Pedal sensor | M6 x 12 | 1 | |
| 4 | 13281352 Clamp Brake pedal Push rod | 1 | |
| 5 | 13281350 Sound absorber Pedal arrangement | 1 | |
| 6 | 13285433 Screw Pedal arrangement | M8 | 4 | |
| 7 | 11514519 Nut Pedal arrangement | M8 | X | |
| 8 | 13281355 Pad Brake pedal Without sport alloy pedals | 1 | |
| 9 | 13281356 Pad Brake pedal With sport alloy pedals | 1 | |
| 10 | 13237352 Accelerator pedal Without sport alloy pedals | 1 | |
| 11 | 13272900 Accelerator pedal With sport alloy pedals | 1 | |
| 12 | 13281365 Bolt Accelerator pedal | 1 | |
| 13 | 13281366 Pad Accelerator pedal Without sport alloy pedals | 1 | |
| 14 | 13281370 Pad Accelerator pedal With sport alloy pedals | 1 | |
| 15 | 12825787 Pedal pad Kit With sport alloy pedals | 1 | |
| 9 | 13281356 Pad Brake pedal With sport alloy pedals | 1 | |
| 14 | 13281370 Pad Accelerator pedal With sport alloy pedals | 1 |