550: Carrosserie, extérieur - Corps de carrosserie - Tôle latérale - Cabriolet
(1986 - 1989 | CV) | Pour 900 (1986)

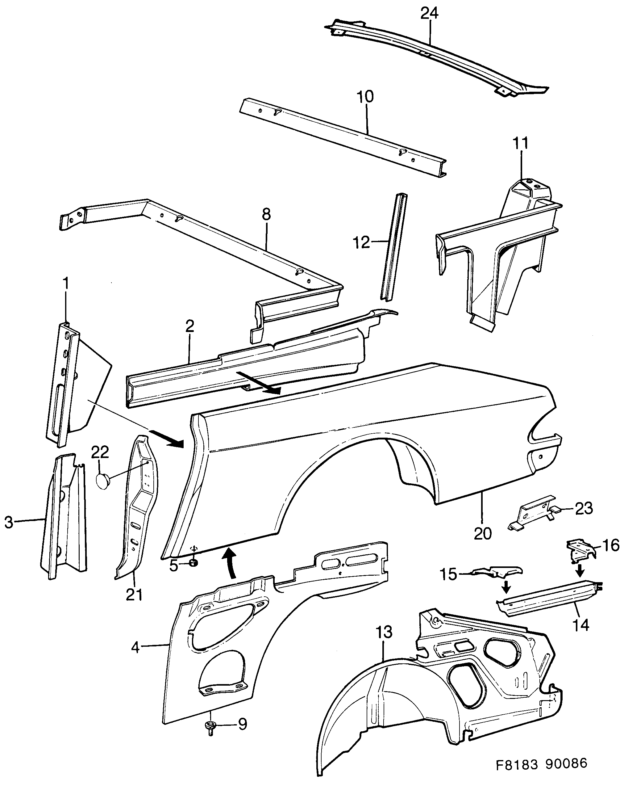
| Pos. | Réf. | Qté | |
|---|---|---|---|
| 1 | 6933592 Renfort Arrière. | LH | 1 | |
| 1 | 6933618 Renfort Arrière. | RH | 1 | |
| 2 | 6933576 Traverse LH | 1 | |
| 2 | 6933691 Traverse RH | 1 | |
| 3 | 6933584 Renfort LH | 1 | |
| 3 | 6933600 Renfort RH | 1 | |
| 4 | 6933568 Tôle latérale LH | 1 | |
| 4 | 6933683 Tôle latérale RH | 1 | |
| 5 | 8206096 Tampon | 2 | |
| 8 | 6995435 Châssis -1988 | 1 | |
| 9 | 7116452 Bouchon drainage | 2 | |
| 13 | 4153433 Tôle latérale LH | 1 | |
| 13 | 4153441 Tôle latérale RH | 1 | |
| 14 | 9220930 Renfort LH | 1 | |
| 14 | 9220948 Renfort RH | 1 | |
| 15 | 8287286 Support | 1 | |
| 16 | 9222977 Support | 1 | |
| 20 | 6997431 Tôle latérale LH | 1 | |
| 20 | 6997449 Tôle latérale RH | 1 | |
| 21 | 7600828 Flasque LH | 1 | |
| 21 | 7600836 Flasque RH | 1 | |
| 22 | 7038342 Tampon | 2 | |
| 23 | 4295176 Support de fixation | 1 | |
| 24 | 4521340 Traverse | 1 |