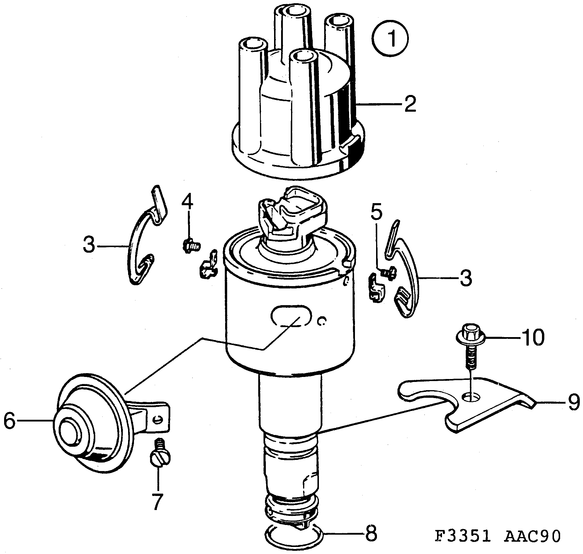
350: Système électrique, généralités - Système d'allumage - Distributeur
(1990 - 1993) | Pour 900 (1990)
Concerne aussi CV 1994

| Pos. | Réf. | Qté | |
|---|---|---|---|
| 1 | 7481393 Distributeur Egalement disponible en unité de rechange. | 1 | |
| 1 | 8857617 Distributeur B202S | 1 | |
| 1 | 8857617 Distributeur LHD | (SPG) | 1 | |
| 1 | 8857617 Distributeur 185 HP,(137 KW) | 1 | |
| 2 | 7501216 Couvercle distributeur | 1 | |
| 3 | 7519085 Ressort | 2 | |
| 4 | 7519127 Vis | 1 | |
| 5 | 7519119 Vis Pour distributeur 74 81 393. | 1 | |
| 5 | 7519101 Vis Pour distributeur 88 57 617. | 1 | |
| 6 | 7564438 Régulateur | 1 | |
| 7 | 9119561 30520525 Vis Pour distributeur 74 81 393. | 1 | |
| 7 | 7519101 Vis Pour distributeur 88 57 617. | 1 | |
| 8 | 7519143 9176470 Joint torique | 1 | |
| 9 | 8362287 Support | 1 | |
| 10 | 8082950 9166323 Vis 1990-1992 | 1 |