380: Système électrique, généralités - Eclairage - Phare
(1990 - 1993) | Pour 900 (1990)
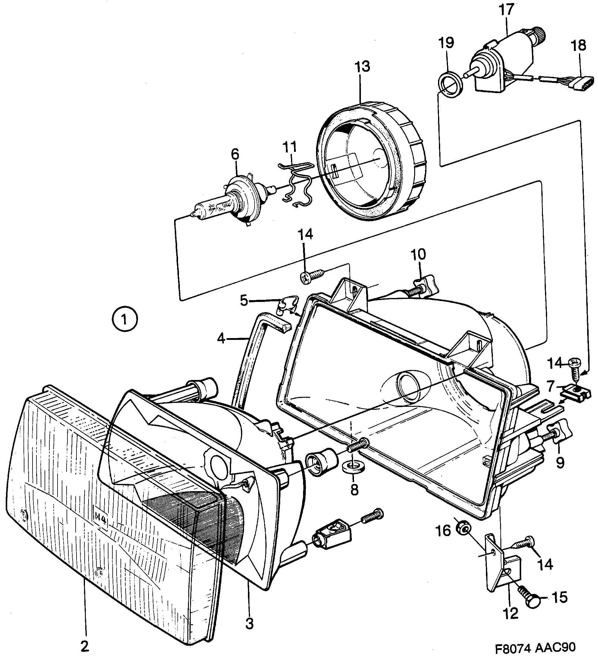
Concerne aussi CV 1994

| Pos. | Réf. | Qté | |
|---|---|---|---|
| 1 | 9120130 32000360 Phare Pour circulation à droite | LH | 1 | |
| 1 | 9120148 32000361 Phare Pour circulation à droite | RH | 1 | |
| 1 | 9120155 32000362 Phare Pour circulation à gauche. | LH | 1 | |
| 1 | 9120163 32000363 Phare Pour circulation à gauche. | RH | 1 | |
| 2 | 9556655 Verre de projecteur Pour circulation à droite | LH | 1 | |
| 2 | 9556663 Verre de projecteur Pour circulation à droite | RH | 1 | |
| 2 | 9558032 Verre de projecteur Pour circulation à gauche. | LH | 1 | |
| 2 | 9558040 Verre de projecteur Pour circulation à gauche. | RH | 1 | |
| 3 | 9120171 Réflecteur Pour circulation à droite | LH | 1 | |
| 3 | 9120189 Réflecteur Pour circulation à droite | RH | 1 | |
| 3 | 9120197 30520541 Réflecteur Pour circulation à gauche. | LH | 1 | |
| 3 | 9120205 Réflecteur Pour circulation à gauche. | RH | 1 | |
| 4 | 9556697 Joint | 1 | |
| 5 | 9556705 Clip | 9 | |
| 6 | 8510851 93169008 Ampoule 40/238 210 009 | 1 | |
| 7 | 8550824 Clip | 2 | |
| 8 | 8550840 Bague | 1 | |
| 9 | 9556713 Vis réglage | 1 | |
| 10 | 9556721 Vis réglage | 1 | |
| 11 | 9564352 Ressort | 1 | |
| 12 | 9556812 Equerre fixation LH | 1 | |
| 12 | 9556820 Equerre fixation RH | 1 | |
| 13 | 8539710 Bouchon étanche | 2 | |
| 14 | 7973159 7973001 Vis | 4 | |
| 15 | 7969223 Vis | 2 | |
| 16 | 7971658 11900428 Ecrou | 2 | |
| 17 | 4012738 Moteur électrique réglage du niveau des phares | 2 | |
| 18 | 9503327 Boîtier contact | 1 | |
| 19 | 9529090 Bague étanchéité | 1 |