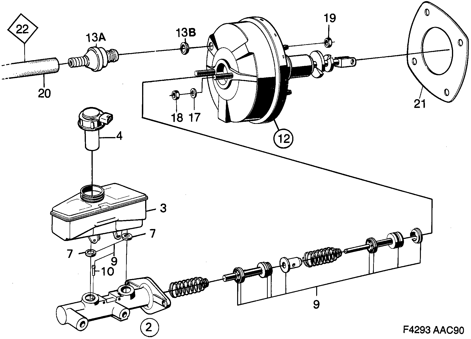
170: Freins - Circuit de frein au pied - Maître-cylindre - servo à vide
(1990 - 1993) | Pour 900 (1990)
Concerne aussi CV 1994

| Pos. | Réf. | Qté | |||
|---|---|---|---|---|---|
| 2 | 9102575 8993859 Maître-cylindre 8993859 sans réservoir | 1 | |||
| 3 | 9102849 Réservoir | 1 | |||
| 4 | 9102591 Avertisseur niveau | 1 | |||
| 7 | 8986911 Joint 1990-1991 | 2 | |||
| 9 | 8965329 Jeu joints | 1 | |||
| 10 | 8965808 Goupille | 1 | |||
| 12 | 9102609 Servo de vide | 1 | |||
| 13A | 8986705 Valve antiretour | 1 | |||
| 13B | 8986713 Joint | 1 | |||
| 17 | 7910565 Rondelle | 2 | |||
| 18 | 8151243 Ecrou | 2 | |||
| 19 | 8074288 11900440 Ecrou | 4 | |||
| 20 | 8939993 Tuyau dépression B201 | coupé à 335 mm | 1 | |||
| 20 | 8939993 Tuyau dépression B202 | coupé à 290 mm | 1 | |||
| 21 | 8958357 Joint | 1 | |||
| 22 | |||||