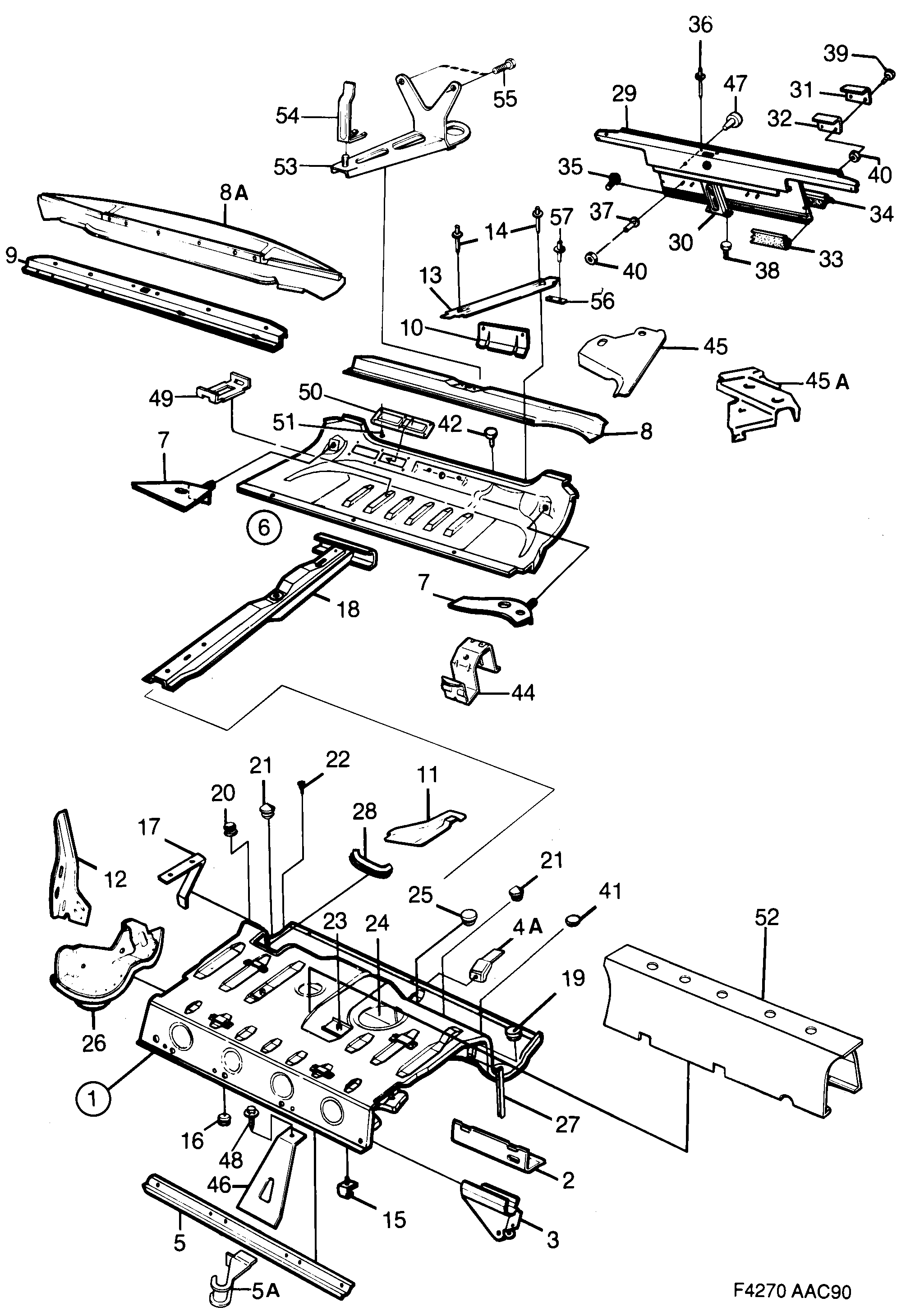
140: Carrosserie, extérieur - Corps de carrosserie - Plancher arrière
(1990 - 1993) | Pour 900 (1990)
Concerne aussi CV 1994

| Pos. | Réf. | Qté | |||
|---|---|---|---|---|---|
| 1 | 6945075 Plancher | 1 | |||
| 2 | 6927289 Support | 1 | |||
| 3 | 9221383 Fixation | 1 | |||
| 4A | 8225872 Fixation | 2 | |||
| 5 | 9292640 Renfort | 1 | |||
| 5A | Crochet N'est pas une pièce de rechange distincte. | 2 | |||
| 6 | 6910608 Partie arrière | 1 | |||
| 6 | 6910582 Partie arrière | 1 | |||
| 7 | 8279226 Fixation LH | 1 | |||
| 7 | 9221664 Fixation RH | 1 | |||
| 8 | 7601495 Tôle Arrière. | 1 | |||
| 8A | 9221656 Seuil | 1 | |||
| 9 | 9234287 Traverse Arrière. | 1 | |||
| 10 | 9230335 Support | 1 | |||
| 11 | 7601479 Tôle | 1 | |||
| 12 | 7601701 Tôle LH | 1 | |||
| 12 | 7601719 Tôle RH | 1 | |||
| 13 | 8289993 Poutre support | 1 | |||
| 14 | 7972474 Rivet pop 1990-1991 | 3 | |||
| 15 | 7601735 Fixation | 2 | |||
| 16 | 8459513 Tampon | 3 | |||
| 17 | 8279457 Tirant | 1 | |||
| 18 | 6945455 Poutre support | 1 | |||
| 19 | 8206096 Tampon | 5 | |||
| 20 | 7163066 Tampon | 11 | |||
| 21 | 8204760 Tampon | 2 | |||
| 22 | 7116452 Bouchon drainage | 3 | |||
| 23 | 7965635 Ecrou | 2 | |||
| 24 | 8228702 Joint | 1 | |||
| 25 | 7162308 Tampon | 1 | |||
| 26 | 8209876 Support ressort LH | 1 | |||
| 26 | 8209884 Support ressort RH | 1 | |||
| 27 | 8262974 Lisse protection | 1 | |||
| 28 | 8497471 8564973 Lisse protection LHD | 1 | |||
| 29 | 4101044 Partie arrière | 1 | |||
| 30 | 6928998 Support (9220849) | 1 | |||
| 31 | 9231804 Joint | 2 | |||
| 32 | 9231812 Rondelle | 2 | |||
| 33 | 9223025 Joint | 1 | |||
| 34 | 9223066 Joint | 1 | |||
| 35 | 9223074 Vis | 4 | |||
| 36 | 9220880 Rivet | 4 | |||
| 37 | 7399454 9130829 Ecrou rivet | 4 | |||
| 38 | 8286296 Vis | 2 | |||
| 39 | 8059578 Vis | 4 | |||
| 40 | 7971658 11900428 Ecrou | 8 | |||
| 41 | 9223991 Bague | 2 | |||
| 42 | 7163066 Tampon | 1 | |||
| 44 | 6919492 Support | 1 | |||
| 45 | 9220971 Cornier LH | 1 | |||
| 45 | 9220989 Cornier RH | 1 | |||
| 45A | 9222977 Support Arrière. | 1 | |||
| 46 | 9286931 Tirant LH | 1 | |||
| 46 | 9286949 Tirant RH | 1 | |||
| 47 | 9231168 Tampon LHD | 1 | |||
| 48 | 9292699 Vis | 2 | |||
| 49 | 9228131 Support 1990-1990 | 1 | |||
| 50 | 1 | ||||
| 51 | 6 | ||||
| 52 | 6933626 Boîte torsion Arrière. | 1 | |||
| 53 | 6938716 Oeillet attelage Arrière. | 1 | |||
| 54 | 6957443 Tirant | 1 | |||
| 55 | 7398761 Vis | 2 | |||
| 56 | 6944284 Cale | 1 | |||
| 57 | 9449752 Rivet | 2 | |||