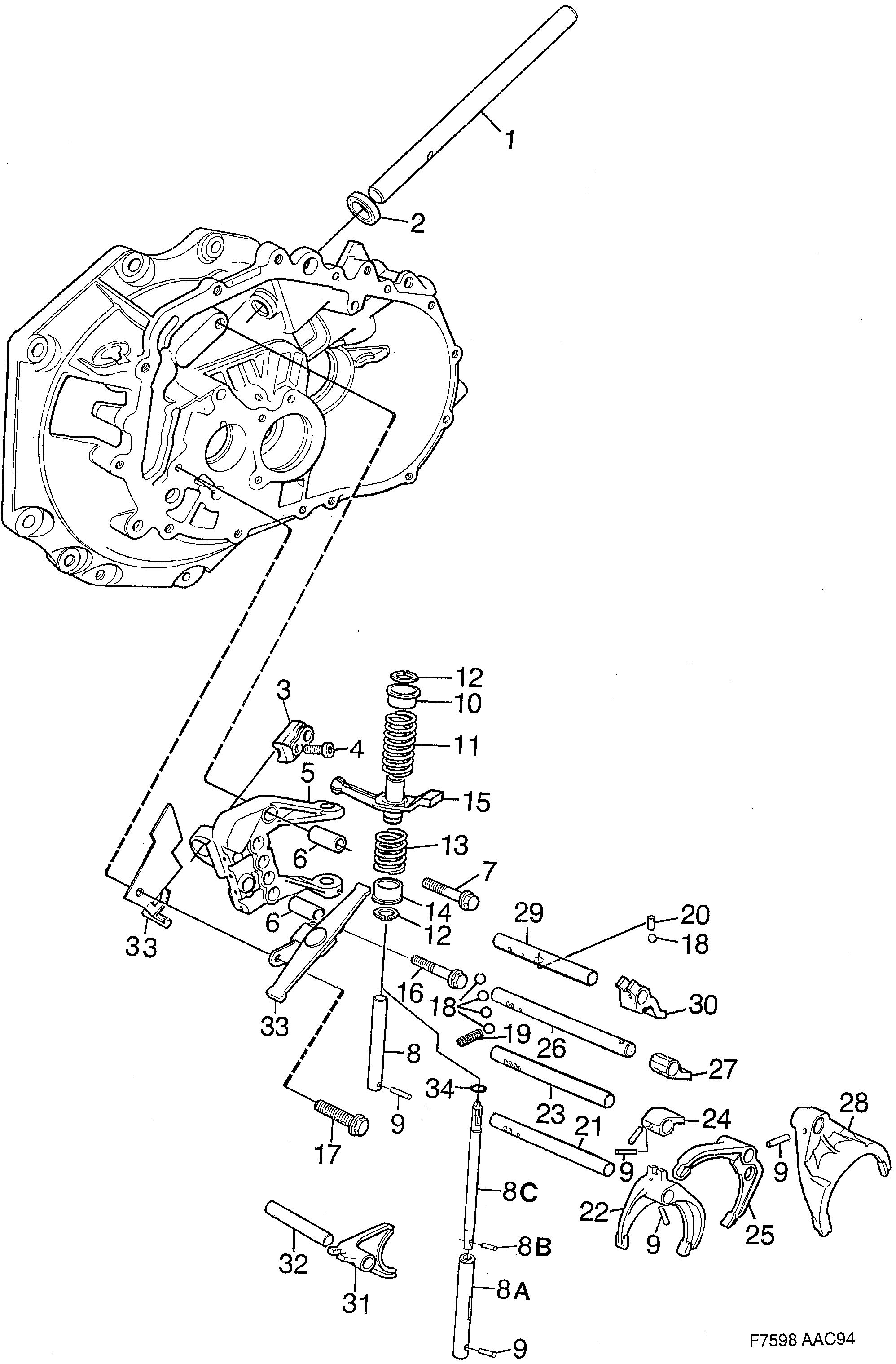
300: Transmission - Boîte de vitesses, manuelle - Fourche de changement de vitesse - Axe fourchette
(1994 - 1998 | M) | Pour 900 (1997)

| Pos. | Réf. | Qté | |||
|---|---|---|---|---|---|
| 1 | 8739781 Tige changement vitesse | 1 | |||
| 2 | |||||
| 3 | 8735276 55557112 Flasque entraînement | 1 | |||
| 4 | 8059792 92151830 Vis | 1 | |||
| 5 | 8734808 55557115 Porte-palier | 1 | |||
| 6 | 8719650 30516581 Douille guide | 2 | |||
| 7 | 7972714 55561609 Vis à bride | 1 | |||
| 8 | 8746216 90540917 Axe palier 1996-1998 | 1 | |||
| 8A | 8733719 Arbre | 1 | |||
| 8B | 4580908 Goupille 1992- | Concerne les boîtes de vitesses dont le numéro courant commence par la lettre ''M''. | 1 | |||
| 8C | 4625265 Arbre 1995-1998 | 1 | |||
| 8C | 4625265 Arbre 1995-1998 | 1 | |||
| 9 | 8117657 Goupille | 7 | |||
| 10 | 8721565 90486076 Guide | 1 | |||
| 11 | 8721573 55354962 Ressort | 1 | |||
| 12 | 8726754 Circlip | 2 | |||
| 13 | 8721615 55354961 Ressort | 1 | |||
| 14 | 8721623 90486137 Coupelle ressort | 1 | |||
| 15 | 8741381 55555654 Sélecteur vitesses | 1 | |||
| 15 | 8741431 Sélecteur vitesses | 1 | |||
| 16 | 7972714 55561609 Vis à bride | 1 | |||
| 17 | 7973779 Vis | 1 | |||
| 18 | 8717027 90486180 Bille | 7 | |||
| 19 | 8723397 90486181 Ressort | 4 | |||
| 20 | 8719684 90486182 Goupille | 2 | |||
| 21 | 8741043 93177640 Axe fourchette 1/2 | 1 | |||
| 22 | 8734741 90486207 Fourche de changement de vitesse 1/2 | 1 | |||
| 23 | 8731077 30546055 Axe fourchette 3/4 | 1 | |||
| 24 | 8740649 90512193 Flasque entraînement 1995-1998 | 3/4 | 1 | |||
| 25 | 8727869 90444583 Fourche de changement de vitesse 3/4 | 1 | |||
| 26 | 8740714 93177642 Axe fourchette 5 | 1 | |||
| 27 | 8740656 90512195 Flasque entraînement 1995-1998 | 5 | 1 | |||
| 28 | 8746638 90544044 Fourche de changement de vitesse 1991- | Ne concerne pas les boîtes de vitesses dont le numéro courant commence par la lettre ''N''. 5 | 1 | |||
| 29 | 8735656 93177643 Axe fourchette R | 1 | |||
| 30 | 8746190 90540922 Flasque entraînement 1996-1998 | R | 1 | |||
| 31 | 8735599 90511047 Fourche de changement de vitesse R | 1 | |||
| 32 | 8730111 30546049 Axe fourchette | 1 | |||
R | |||||
| 33 | 8745630 12791531 Levier 1992- | Concerne les boîtes de vitesses dont le numéro courant commence par la lettre ''M''. R | 1 | |||
| 34 | 8724874 Joint | 1 | |||