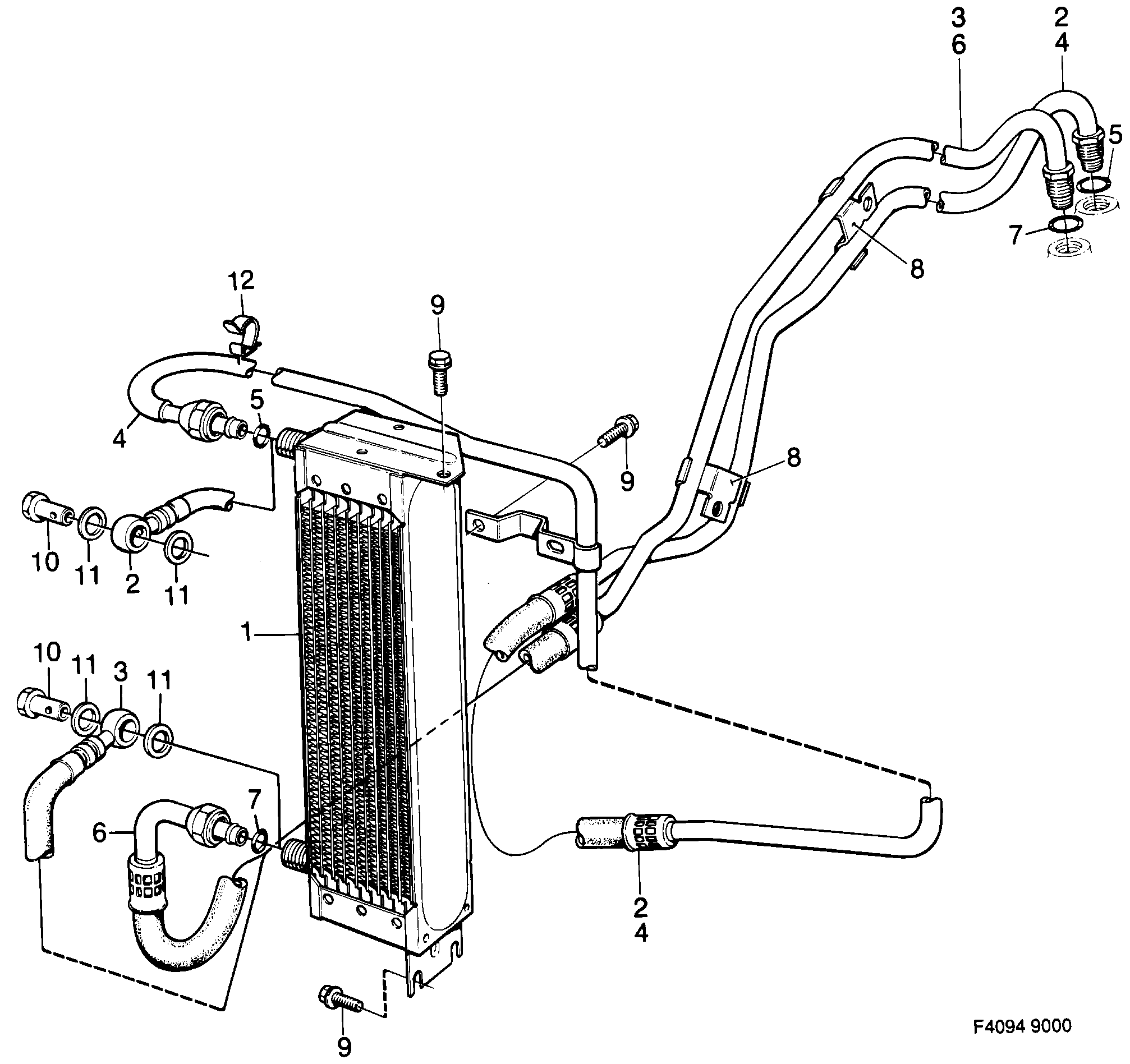
1390: Moteur - Système de refroidissement - Refroidisseur d'huile à air - Moteur
(1986 - 1989) | Pour 9000 (1986)

| Pos. | Réf. | Qté | |
|---|---|---|---|
| 1 | 7559271 Radiateur huile -1986 | AC | 1 | |
| 1 | 7572894 Radiateur huile 1986- | AC | 1 | |
| 1 | 7559263 Radiateur huile -1986 | 1 | |
| 1 | 7572886 4029625 Radiateur huile 1986- | 1 | |
| 2 | 7559354 Flexible -1986 | 1 | |
| 3 | 7559347 Flexible -1986 | 1 | |
| 4 | 4284212 Flexible 1986-1987 | (7572951) | 1 | |
| 5 | 7977598 30509305 Joint torique 1986- | 2 | |
| 6 | 7572944 Flexible 1986- | 1 | |
| 7 | 7977598 30509305 Joint torique 1986- | 2 | |
| 8 | 7572985 Collier serrage | 2 | |
| 9 | 7971823 Vis | 4 | |
| 10 | 7559362 Vis -1986 | 2 | |
| 11 | 9355389 Joint -1986 | 4 | |
| 12 | 7398894 Collier serrage | 1 |