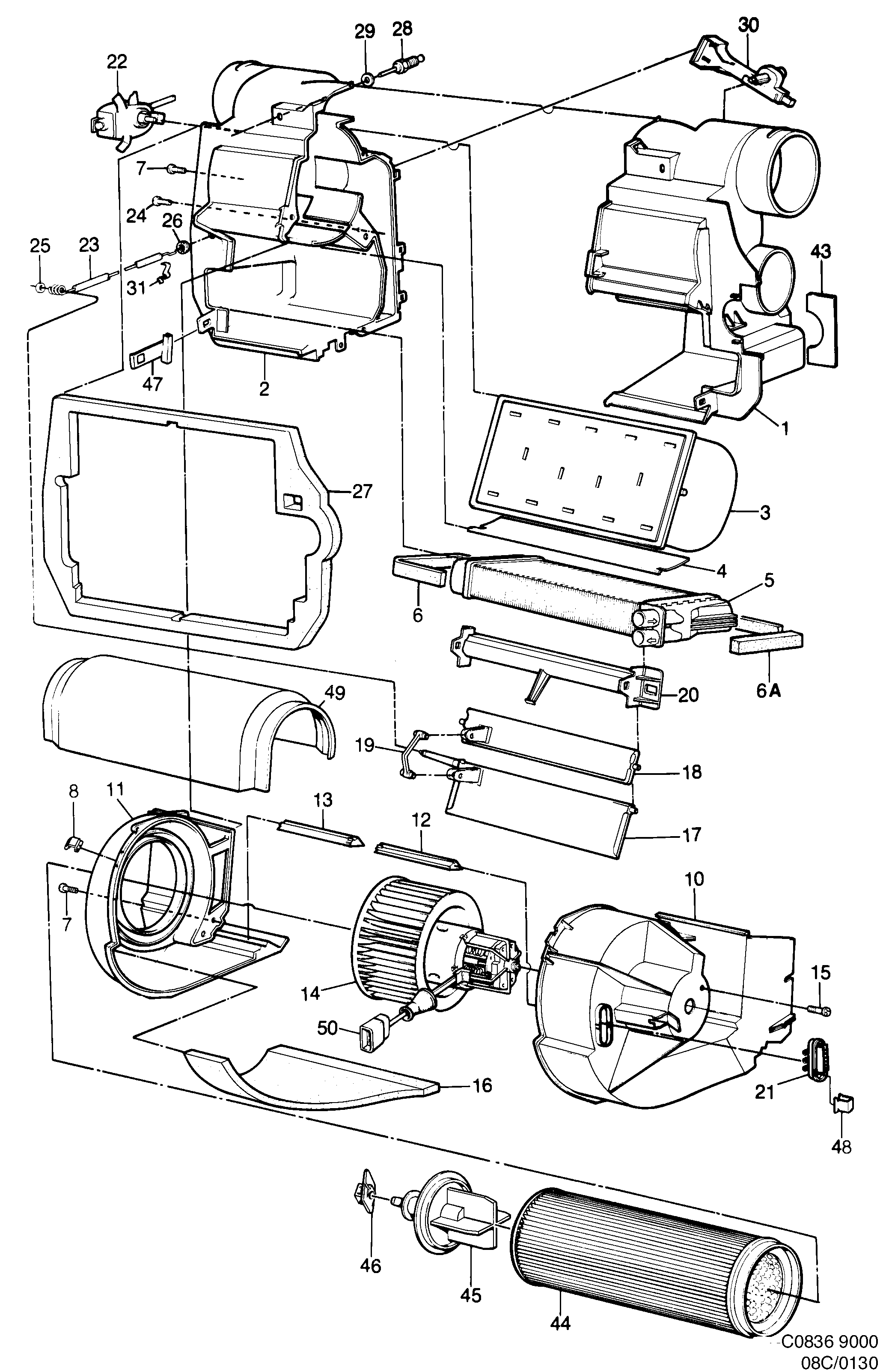
130: Chauffage et ventilation - Dépose/reposeur chaleur - Ventilateur
(1985 - 1989) | Pour 9000 (1986)

| Pos. | Réf. | Qté | |
|---|---|---|---|
| 1 | 9622663 Centrale de chauffage LH | 1 | |
| 2 | 9622671 Centrale de chauffage 1985-1988 | RH | 1 | |
| 3 | 9624578 Carter déflecteur | 1 | |
| 4 | 9625468 Douille | 1 | |
| 5 | 9620238 4613881 Dépose/reposeur chaleur | 1 | |
| 6 | 9626300 Joint | 1 | |
| 6A | 9626318 Joint | 1 | |
| 7 | 7971443 Vis | 2 | |
| 8 | 9625989 Pince serrage | 10 | |
| 10 | 9622606 9628272 Boîtier ventilateur 1985-1986 | LH | 1 | |
| 11 | 9622614 Boîtier ventilateur RH | 1 | |
| 12 | 9625138 Déflecteur LH | 1 | |
| 13 | 9625120 Déflecteur RH | 1 | |
| 14 | 9622622 9628587 Ventilateur 1985-1986 | 1 | |
| 15 | 8059230 92151805 Vis | 1 | |
| 16 | 9625955 Isolant | 1 | |
| 17 | 9624321 Volet | 1 | |
| 18 | 9624305 Volet | 1 | |
| 19 | 9624347 Articulation | 1 | |
| 20 | 9622655 Pièce intermédiaire | 1 | |
| 21 | 9629429 Résistance | 1 | |
| 22 | 9623570 Renvoi angle | 1 | |
| 23 | 9623455 Câble commande | 1 | |
| 24 | 7971393 Vis | 1 | |
| 25 | 7975485 Rondelle | 1 | |
| 26 | 9625831 Bague protection | 1 | |
| 27 | 9626987 9631490 Joint 1985-1987 | (9620345) | 1 | |
| 28 | 7974090 7399348 Vis | 2 | |
| 29 | 7916489 92153032 Rondelle 1985-1987 | 2 | |
| 30 | 9625146 Tige changement vitesse | 1 | |
| 31 | 9622432 Collier serrage | 2 | |
| 43 | 9622697 Support | 1 | |
| 44 | 9622457 Filtre habitacle | 1 | |
| 45 | 9625724 Fixation | 1 | |
| 46 | 9625765 Fixation | 1 | |
| 47 | 9627415 Tôle fixation LH | 1 | |
| 47 | 9627407 Tôle fixation RH | 1 | |
| 48 | 7399207 Clip | 2 | |
| 50 | Boîtier contact See Group 3B Connector housing. |