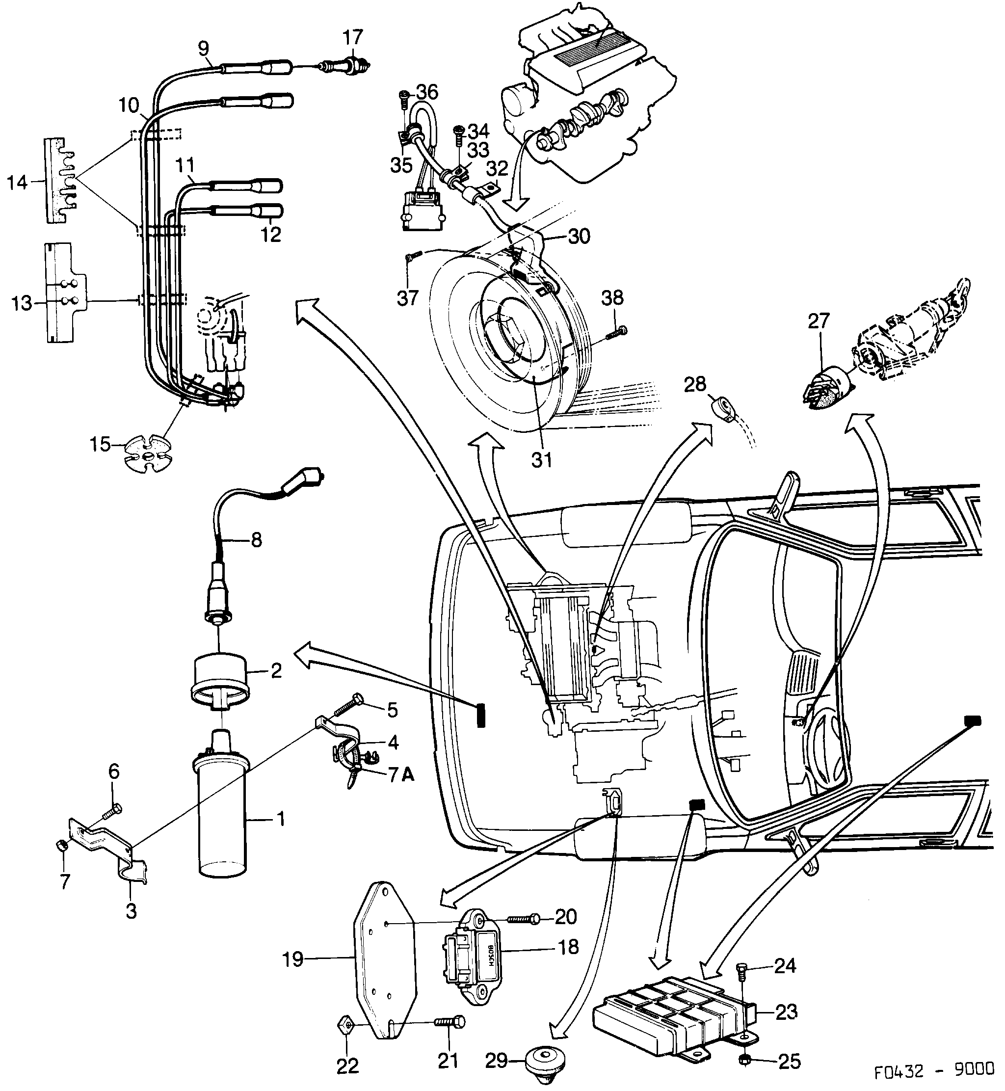
280: Système électrique, généralités - Système d'allumage - Bobine d'allumage, câbles, bougies, etc - bougies, etc
(1985 - 1989) | Pour 9000 (1989)

| Pos. | Réf. | Qté | |||
|---|---|---|---|---|---|
| 1 | 8573834 32000256 Bobine allumage TURBO, I | 1 | |||
| 2 | 8566374 Capot protection | 1 | |||
| 3 | 9388398 Fixation | 1 | |||
| 4 | 9388554 Cavalier | 1 | |||
| 5 | 7977457 Vis | 1 | |||
| 6 | 8019747 Vis | 1 | |||
| 7 | 7975576 92153043 Ecrou | 1 | |||
| 7A | 7398456 Pince serrage | 1 | |||
| 8 | 9390840 4374336 Câble allumage bobine d'allumage | (9388505) | 1 | |||
| 9 | 7504483 Câble allumage cylindre 1 | 1 | |||
| 10 | 7504491 Câble allumage cylindre 2 | 1 | |||
| 11 | 7504509 Câble allumage cylindre 3 | 1 | |||
| 12 | 7504517 Câble allumage cylindre 4 | 1 | |||
| 13 | 7504525 Retenue 1989-1989 | Valable aussi pour SE 1988B. | 1 | |||
| 14 | 7585540 Retenue 1989-1989 | Valable aussi pour SE 1988B. | 2 | |||
| 15 | 7506793 Retenue | 1 | |||
| 17 | 9116385 Bougie 1989-1989 | I | Valable aussi pour SE 1988B. | NGK BCP5ES | 4 | |||
| 17 | 8819302 5962485 Bougie TURBO | NGK BCP7EV | 4 | |||
| 17 | 32000330 Bougie TURBO | (9112541) DI,NGK BCPR7ES-1,1 | 4 | |||
| 18 | 9390220 Etage de puissance 1986-1989 | TURBO | 1 | |||
| 18 | 7503600 Etage de puissance 1986-1989 | I | 1 | |||
| 19 | 8574816 Refroidisseur | 1 | |||
| 20 | 7975519 Vis | 2 | |||
| 21 | 7973191 Vis | 2 | |||
| 22 | 7975279 Ecrou | 2 | |||
| 23 | 7484504 Dispositif de commande 1989-1989 | Avec catalyseur. Valable aussi pour SE 1988B. Egalement disponible en unité de rechange. | 1 | |||
| 23 | 7484512 Dispositif de commande 1989-1989 | Sans catalyseur. | 1 | |||
| 23 | 7484520 Dispositif de commande 1989-1989 | Sans catalyseur. | 1 | |||
| 24 | 7922347 Vis 1988-1989 | 4 | |||
| 27 | |||||
| 28 | |||||
| 29 | 8267296 Tampon DI | 2 | |||
| 30 | 7482540 Capteur 1989-1989 | I | Valable aussi pour SE 1988B. | 1 | |||
| 31 | 7486814 Disque diaphragme 1989-1989 | I | Valable aussi pour SE 1988B. | (9117979) | 1 | |||
| 32 | 7487952 Pince serrage 1989-1989 | I | Valable aussi pour SE 1988B. | 1 | |||
| 33 | 8139362 Collier serrage 1989-1989 | I | Valable aussi pour SE 1988B. | 1 | |||
| 34 | 8129868 Vis 1989-1989 | I | Valable aussi pour SE 1988B. | 1 | |||
| 35 | 8139339 Collier serrage 1989-1989 | I | Valable aussi pour SE 1988B. | 1 | |||
| 36 | 8129868 Vis 1989-1989 | I | Valable aussi pour SE 1988B. | 1 | |||
| 37 | 9127440 Vis 1989-1989 | I | Valable aussi pour SE 1988B. | (9114455) | 2 | |||
| 38 | 9127440 Vis 1989-1989 | I | Valable aussi pour SE 1988B. | (7482490,9114455) | 3 | |||
| X | |||||