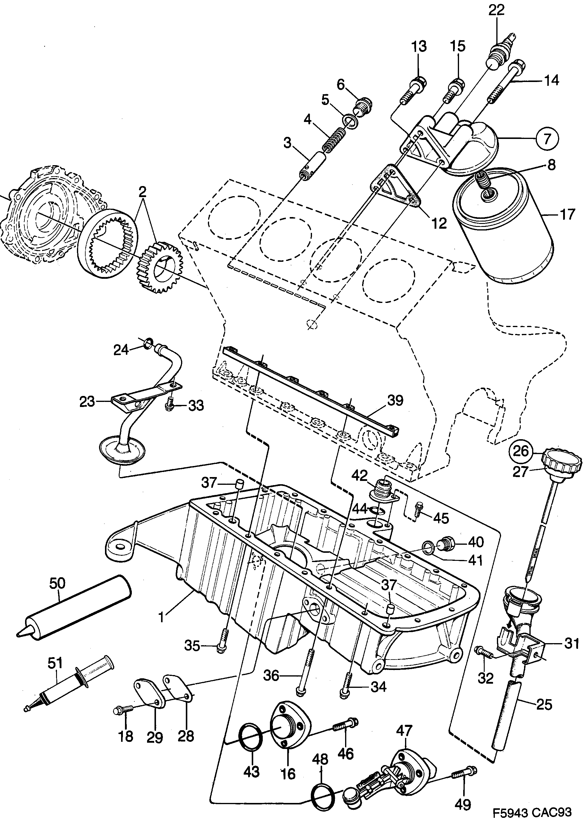
470: Moteur - Système de graissage - Pompe à huile, filtre à huile
(1990 - 1993) | Pour 9000 (1990)

| Pos. | Réf. | Qté | |
|---|---|---|---|
| 1 | 9117029 30540514 Carter huile 1990-1990 | 1 | |
| 2 | 8817561 Kit pompe 1990-1991 | 1 | |
| 3 | 7508708 Piston | 1 | |
| 4 | 9309998 Ressort | 1 | |
| 5 | 9355389 Joint | 1 | |
| 6 | 7508955 Bouchon | 1 | |
| 7 | 7560105 Pièce intermédiaire | 1 | |
| 8 | 8348609 Tuyau raccord | 1 | |
| 12 | 7566433 Joint | 1 | |
| 13 | 8125254 Vis | 1 | |
| 14 | 8125304 Vis | 1 | |
| 15 | 8125221 55561609 Vis | 1 | |
| 16 | 7523822 Couvercle | 1 | |
| 17 | 9309576 93186554 Filtre | 1 | |
| 18 | 8125163 Vis | 2 | |
| 22 | 9112459 30520357 Manocontact huile | 1 | |
| 23 | 9127069 Tuyau huile | 1 | |
| 24 | 7972698 9146598 Joint torique | 1 | |
| 25 | 9388794 Tuyau | 1 | |
| 26 | 9391467 Jauge huile | 1 | |
| 27 | 9361544 55557303 Bague de garniture | 1 | |
| 28 | 7566474 Joint | 1 | |
| 29 | 7501430 Bride | 1 | |
| 31 | 8976516 Fixation | 1 | |
| 32 | 7967938 55562121 Vis | 1 | |
| 33 | 2961357 Vis 1990-1992 | 2 | |
| 34 | 8125189 Vis | 11 | |
| 35 | 8125205 Vis | 4 | |
| 36 | 8125262 Vis | 2 | |
| 37 | 7484934 Douille | 2 | |
| 39 | 7501398 Support | 1 | |
| 40 | 7563042 Bouchon 1990-1990 | 1 | |
| 41 | 7522709 Joint 1990-1990 | 1 | |
| 42 | 8856833 Raccord 1990-1991 | 1 | |
| 43 | 7970361 Joint torique (8046625) | 1 | |
| 44 | 7970361 Joint torique (8046625) | 1 | |
| 45 | 8125031 7974694 Vis | 1 | |
| 46 | 8125023 Vis | 3 | |
| 47 | 9390154 93167188 Capteur LHD | 1 | |
| 48 | 7971997 7970361 Joint torique LHD | 1 | |
| 49 | 7974694 Vis LHD | 3 | |
| 50 | 8781841 93165267 Instajoint 1990-1990 | 280 ML | X | |
8819864 Kit service 1990-1991 | I |