
| Pos. | Réf. | Qté | |||
|---|---|---|---|---|---|
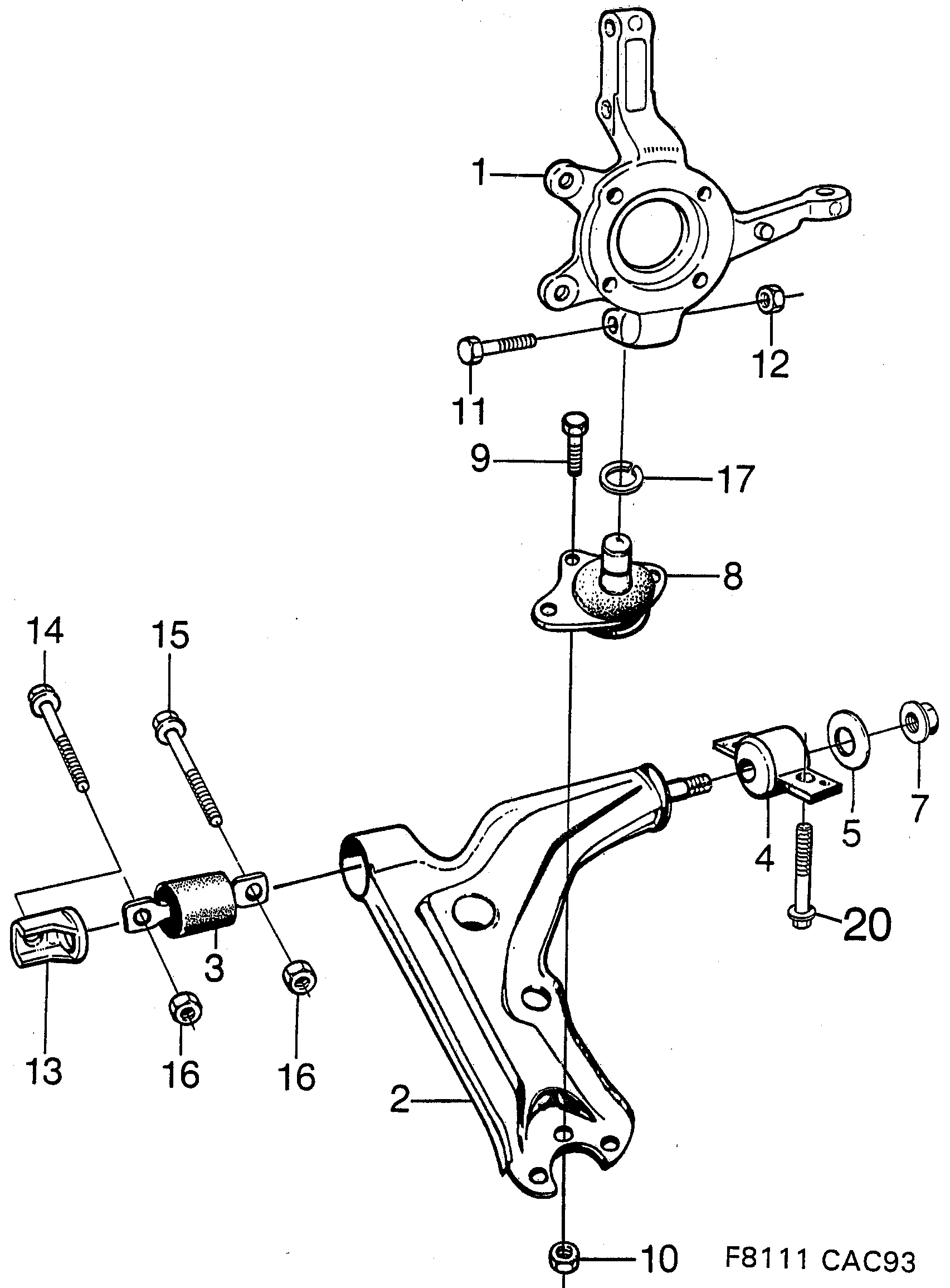
| 1 | 8973190 Moyeu direction 1990-1992 | LH | 1 | |||
| 1 | 8973208 Moyeu direction 1990-1992 | RH | 1 | |||
| 1 | 8973216 Moyeu direction LH ABS | 1 | |||
| 1 | 8973224 Moyeu direction RH ABS | 1 | |||
| 2 | 8958365 Bras pivotant LH | 1 | |||
| 2 | 8958373 Bras pivotant RH | 1 | |||
| 3 | 8961476 Bague | 2 | |||
| 4 | 8965253 Fixation palier | 2 | |||
| 5 | 8958779 Rondelle | 2 | |||
| 7 | 7971765 92153201 Ecrou | 2 | |||
| 8 | 8994212 Jeu rotules | 2 | |||
| 9 | 7977382 7982986 Vis 1990-1990 | 6 | |||
| 10 | 7975501 11066386 Ecrou | 6 | |||
| 11 | 8965121 Vis | 2 | |||
| 12 | 7977309 Ecrou | 2 | |||
| 13 | 8969669 4426003 Support palier 1990-1992 | 4 | |||
| 14 | 7979248 Vis 1990-1990 | 2 | |||
| 15 | 4001111 Vis | 2 | |||
| 16 | 7973464 11900437 Ecrou | 4 | |||
| 17 | 7963168 Anneau verrouillage | 2 | |||
| 20 | |||||