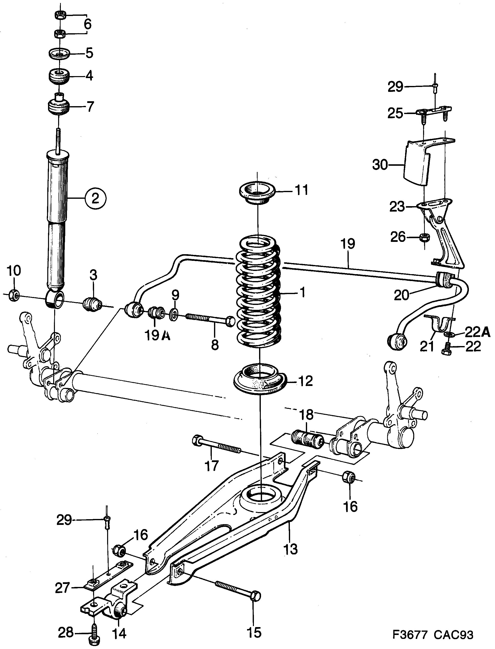
200: Système de suspension - Suspension arrière
(1990 - 1991) | Pour 9000 (1990)

| Pos. | Réf. | Qté | |
|---|---|---|---|
| 1 | 8960932 Ressort brun ou bleu ALT 1 rouge/rouge ALT 2 Ø 13,4 mm | 2 | |
| 1 | 8960940 Ressort orange ou blanc ALT 1 rouge/jaune ALT 2 Ø 13,6 mm | + AC,SR,ABS,AIR-BAG EAS | 2 | |
| 1 | 8969966 4193645 Ressort Voitures équipées d'un correcteur d'assiette automatique | 2 | |
| 2 | 8968570 4647095 Kit amortisseur TURBO | 2 | |
| 2 | 4001004 Kit amortisseur 1990-1990, LHD | TURBO | 2 | |
| 2 | 4001004 Kit amortisseur I et 4D | 2 | |
| 2 | 4001426 Kit amortisseur Voitures équipées d'un correcteur d'assiette automatique | 2 | |
| 2 | 8993750 Kit amortisseur Voitures équipées d'un correcteur d'assiette automatique Alternative, voir SI 761-1207 | 2 | |
| 3 | 8952749 Bague de palier | 2 | |
| 3 | 8963944 Bague de palier Voitures équipées d'un correcteur d'assiette automatique | 2 | |
| 4 | 8952335 Bague caoutchouc | 2 | |
| 4 | 8952335 Bague caoutchouc -1990 | Voitures équipées d'un correcteur d'assiette automatique | 2 | |
| 4 | 4106951 Bague caoutchouc 1990- | Voitures équipées d'un correcteur d'assiette automatique | 2 | |
| 5 | 8959934 Rondelle | 2 | |
| 6 | 7979511 30509371 Ecrou | 4 | |
| 7 | 8952327 Bague caoutchouc | 2 | |
| 7 | 8952327 Bague caoutchouc -1990 | Voitures équipées d'un correcteur d'assiette automatique | 2 | |
| 7 | 4106944 Bague caoutchouc 1990- | Voitures équipées d'un correcteur d'assiette automatique | 2 | |
| 8 | 7979396 7979594 Vis 1990-1990 | 2 | |
| 10 | 7971765 92153201 Ecrou 1990-1990 | 2 | |
| 11 | 8952285 30519187 Isolation | 2 | |
| 12 | 8950438 Isolation | 2 | |
| 13 | 8970782 Articulation élastique | 2 | |
| 14 | 8957714 Fixation palier | 2 | |
| 15 | 7982028 Vis | 2 | |
| 16 | 8151474 92153199 Contre-écrou | 8 | |
| 17 | 7982036 Vis | 2 | |
| 18 | 8951063 Bague | 2 | |
| 19 | 8961765 Stabilisatrice | 1 | |
| 19 | 8971368 Stabilisatrice | 1 | |
| 19A | 8962011 8952749 Bague de palier | 2 | |
| 20 | 8952129 Bague caoutchouc | 2 | |
| 21 | 8952137 Etrier | 2 | |
| 22 | 7982101 92152142 Vis 1990-1990 | 4 | |
| 23 | 8965105 Articulation LH | 1 | |
| 23 | 8965113 Articulation RH | 1 | |
| 25 | 8961625 Plaque fixation | 2 | |
| 26 | 7971922 92150143 Ecrou | 4 | |
| 27 | 8958498 30519311 Pièce à écrou | 2 | |
| 28 | 7976905 Vis | 4 | |
| 29 | 7961642 Rivet | 2 | |
| 30 | 8969214 Tôle protection | 1 |