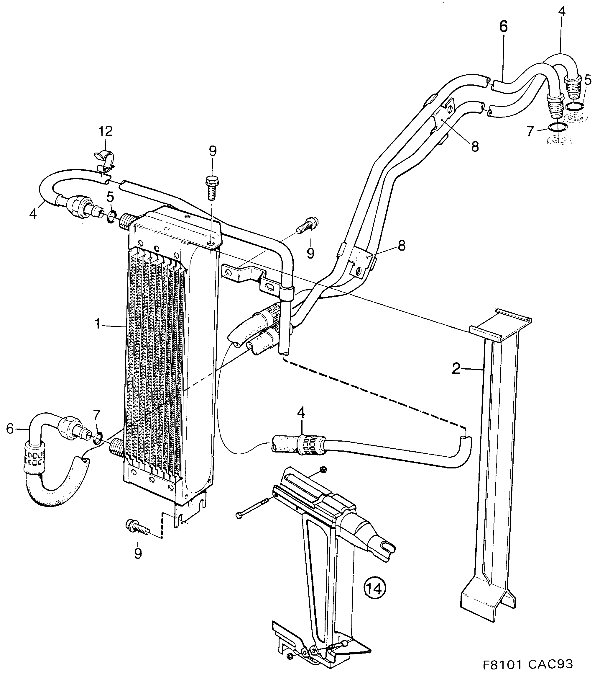
1880: Moteur - Système de refroidissement - Refroidisseur d'huile à air - Moteur
(1990 - 1993) | Pour 9000 (1991)

| Pos. | Réf. | Qté | |
|---|---|---|---|
| 1 | 4029625 Radiateur huile 1990- | 1 | |
| 1 | 7596018 4725867 Radiateur huile 1991-1993 | AC | 1 | |
| 2 | 7596604 Tôle recouvrement 1991-1993 | 1 | |
| 4 | 7592884 Flexible 1990-1991 | 1 | |
| 5 | 7977598 30509305 Joint torique | 2 | |
| 6 | 7572944 Flexible | 1 | |
| 7 | 7977598 30509305 Joint torique | 2 | |
| 8 | 7572985 Collier serrage | 2 | |
| 9 | 7971823 Vis | 4 | |
| 12 | 7398894 Collier serrage | 1 | |
| 14 | 4396347 Capot protection kit | SEE SI 261-1547 | 1 |