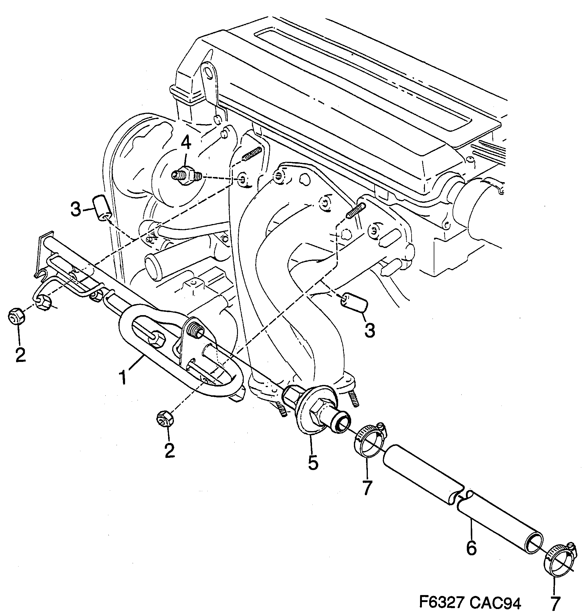
1530: Moteur - Système d'admission et d'échappement - SAI - Valve antiretour
(1994 - 1995 | 4-CYL) | Pour 9000 (1995)

| Pos. | Réf. | Qté | |||
|---|---|---|---|---|---|
| 1 | 4360681 Tuyau | 1 | |||
| 2 | 2 | ||||
| 3 | 2 | ||||
| 4 | 8131963 Raccord | 4 | |||
| 5 | 4360343 22040805 Valve antiretour | 1 | |||
| 6 | 4360699 Flexible | 1 | |||
| 7 | 7970072 Collier serrage | 2 | |||