210: Système de suspension - Suspension arrière
(1994 - 1996) | Pour 9000 (1995)

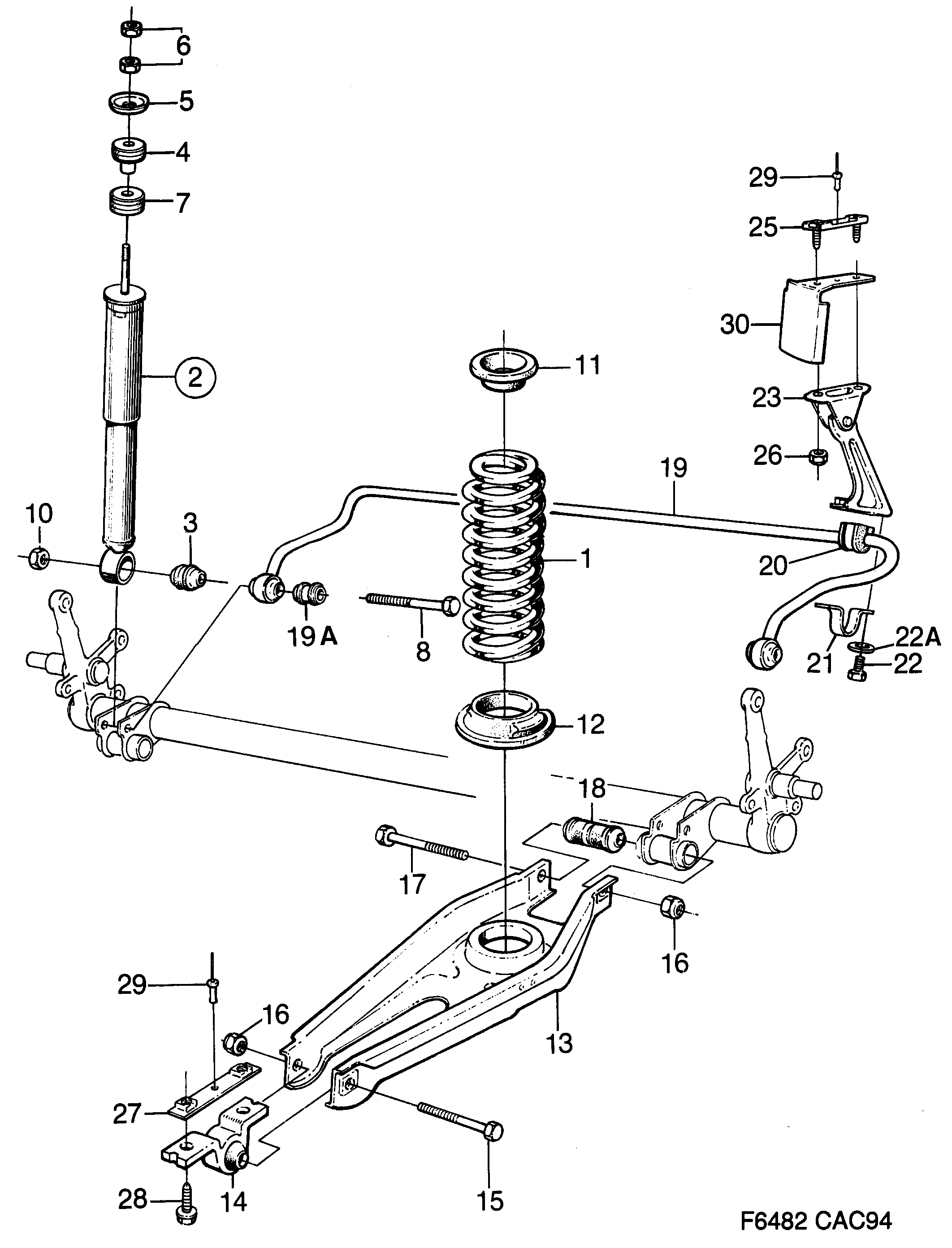
| Pos. | Réf. | Qté | |
|---|---|---|---|
| 1 | 4193561 Ressort rouge/gris Ø 13,3 mm | 2 | |
| 1 | 4193603 Ressort AIRBAG 2,AC,AS,LU,SR | 2 | |
| 1 | 4193603 Ressort jaune/jaune Ø 13,5 mm | AIRBAG 2,AC,AS,EAS,LU | 2 | |
| 1 | 4193611 Ressort jaune/bleu Ø 13,7 mm | AIRBAG 2,AC,AS LU,EAS,SR,RWW | 2 | |
| 1 | 4193629 Ressort TURBO | jaune/blanc Ø 13,5 mm | 2 | |
| 1 | 4193637 Ressort TURBO | jaune/vert Ø 13,7 mm | 2 | |
| 2 | 4645008 Kit amortisseur 1995-1996 | rouge | 2 | |
| 2 | 4645016 Kit amortisseur 1995-1996 | jaune | AIRBAG2,AS EAS2,RWW,SR,SPOILER | 2 | |
| 2 | 4199444 4647095 Kit amortisseur -1995 | TURBO | gris | 2 | |
| 2 | 4647095 Kit amortisseur 1995- | TURBO | gris | 2 | |
| 3 | 8952749 Bague de palier | 2 | |
| 4 | 4197422 Bague caoutchouc | 2 | |
| 5 | 8959934 Rondelle | 2 | |
| 6 | 7979511 30509371 Ecrou | 4 | |
| 7 | 4106266 Bague caoutchouc | 2 | |
| 8 | 7985054 Vis à tête hexagonale | 2 | |
| 10 | 8151482 Contre-écrou | 2 | |
| 11 | 8952285 30519187 Isolation | 2 | |
| 12 | 8950438 Isolation | 2 | |
| 13 | 8970782 Articulation élastique | 2 | |
| 14 | 8957714 Fixation palier | 2 | |
| 15 | 7982028 Vis | 2 | |
| 16 | 8151474 92153199 Contre-écrou | 8 | |
| 17 | 7982036 Vis | 2 | |
| 18 | 8951063 Bague | 2 | |
| 19 | 4105730 93169245 Stabilisatrice | 1 | |
| 19 | 8961765 Stabilisatrice | 1 | |
| 19A | 8962011 8952749 Bague de palier | 2 | |
| 20 | 4425583 Bague caoutchouc | 2 | |
| 20 | 4425575 Bague caoutchouc | 2 | |
| 21 | 8952137 Etrier | 2 | |
| 22 | 7976897 11900016 Vis | 4 | |
| 22A | 8380982 Rondelle | 4 | |
| 23 | 4193132 Articulation LH | 1 | |
| 23 | 4193140 Articulation RH | 1 | |
| 25 | 8961625 Plaque fixation | 2 | |
| 26 | 7971922 92150143 Ecrou | 4 | |
| 27 | 8958498 30519311 Pièce à écrou | 2 | |
| 28 | 7976905 Vis | 4 | |
| 29 | 7961642 Rivet | 2 | |
| 30 | 8969214 Tôle protection | 1 |