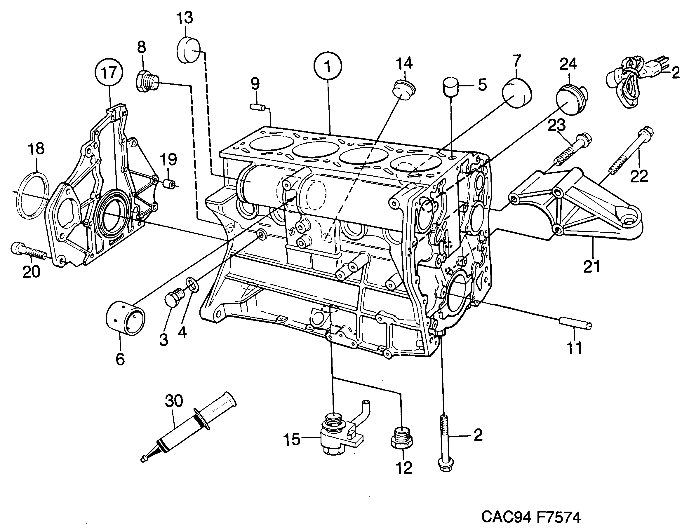
210: Moteur - Corps de moteur - Bloc-cylindres - 4 cylindres
(1994 - 1998 | 4-CYL) | Pour 9000 (1997)

| Pos. | Réf. | Qté | |
|---|---|---|---|
| 1 | 9139320 Bloc-cylindres -1998 | I | N'est pas une pièce de rechange distincte. | 1 | |
| 1 | 9139338 Bloc-cylindres -1998 | TURBO | N'est pas une pièce de rechange distincte. | 1 | |
| 2 | 9128687 Vis | 10 | |
| 3 | 7563042 Bouchon | 2 | |
| 4 | 8124141 92150435 Joint | 2 | |
| 5 | 8346470 Guide | 8 | |
| 6 | 7588684 Bague -1998 | 2 | |
| 7 | 7985120 Rondelle étanchéité | 7 | |
| 8 | 8348047 Bouchon | 1 | |
| 9 | 7585052 Guide | 4 | |
| 11 | 7950066 Goupille | 1 | |
| 12 | 9115049 30520417 Bouchon | 4 | |
| 13 | 8123259 92151501 Rondelle étanchéité | 2 | |
| 14 | 8123218 Rondelle étanchéité | 1 | |
| 15 | 9167677 Buse de refroidissement de piston TURBO, B234I | 4 | |
| 17 | 9174194 55557715 Plaque 1997-1998 | 1 | |
| 18 | 9174202 55557240 Joint 1997-1998 | vilebrequin arrière | 1 | |
| 19 | 9129800 Douille guide | 2 | |
| 20 | 7978109 11900354 Vis 1997-1998 | 12 | |
| 21 | 9117557 Console | 1 | |
| 22 | 7982564 92151523 Vis | 2 | |
| 23 | 7982598 Vis à tête hexagonale | 1 | |
| 24 | 4725883 Chauffe-moteur | 1 | |
| 25 | 4397311 Câble raccordement | 1 | |
| 30 | 90297970 Instajoint 50 ML | X |