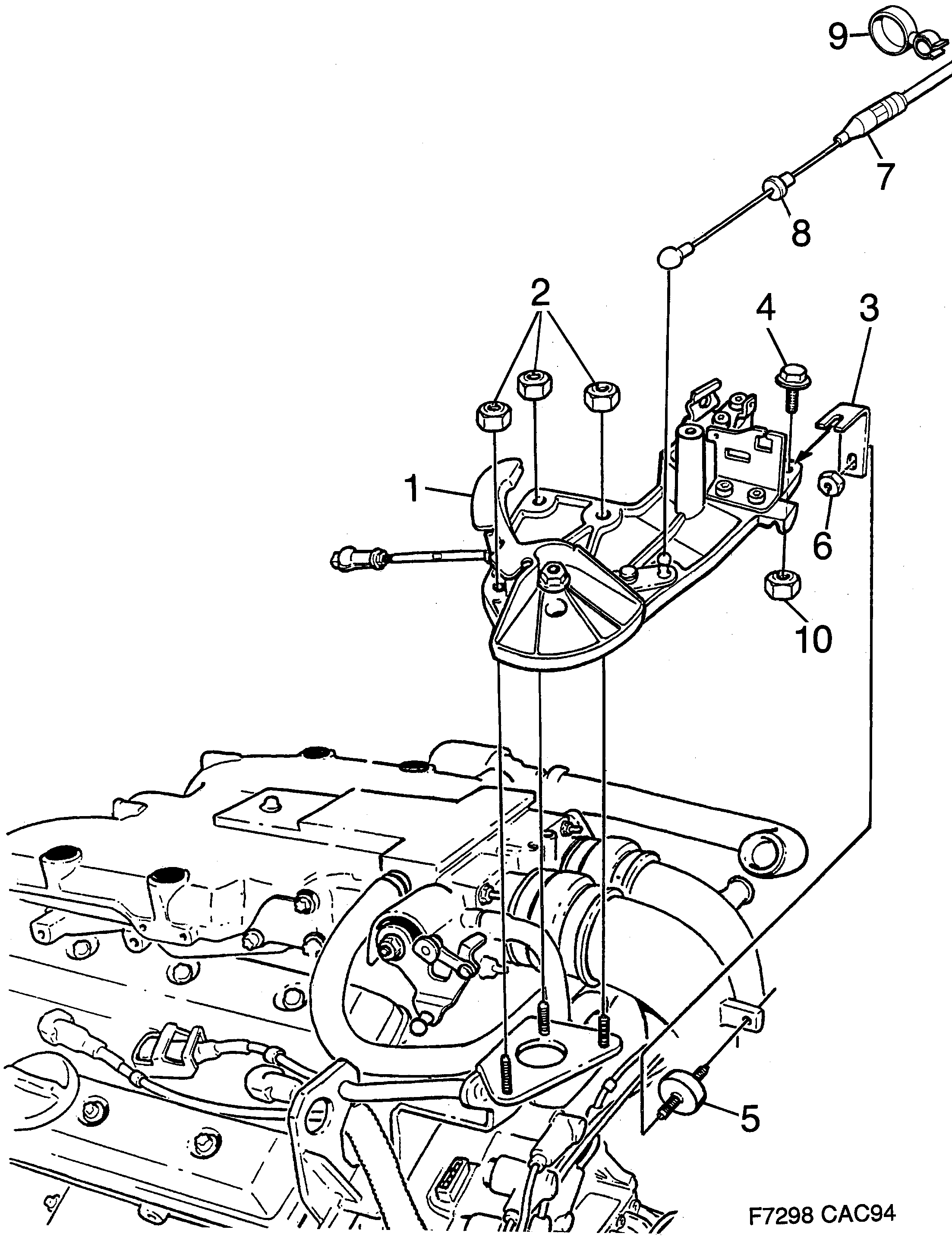
2220: Moteur - Commandes du moteur - Commande d'accélérateur - 6 cylindres
(1994 - 1998 | 6-CYL) | Pour 9000 (1997)

| Pos. | Réf. | Qté | |
|---|---|---|---|
| 1 | 4528147 Console 1995- | 1 | |
| 2 | 8074288 11900440 Ecrou | 3 | |
| 3 | 4526471 Tirant | 1 | |
| 4 | 7978398 Vis | 1 | |
| 5 | 4303186 30538908 Amortisseur | 1 | |
| 6 | 7974298 92153044 Ecrou | 1 | |
| 7 | 4442521 Câble de commande d'accélérateur | 1 | |
| 8 | 4227823 Anneau de blocage | 1 | |
| 9 | 7398407 Collier serrage | 1 | |
| 10 | 7975576 92153043 Ecrou | 1 |