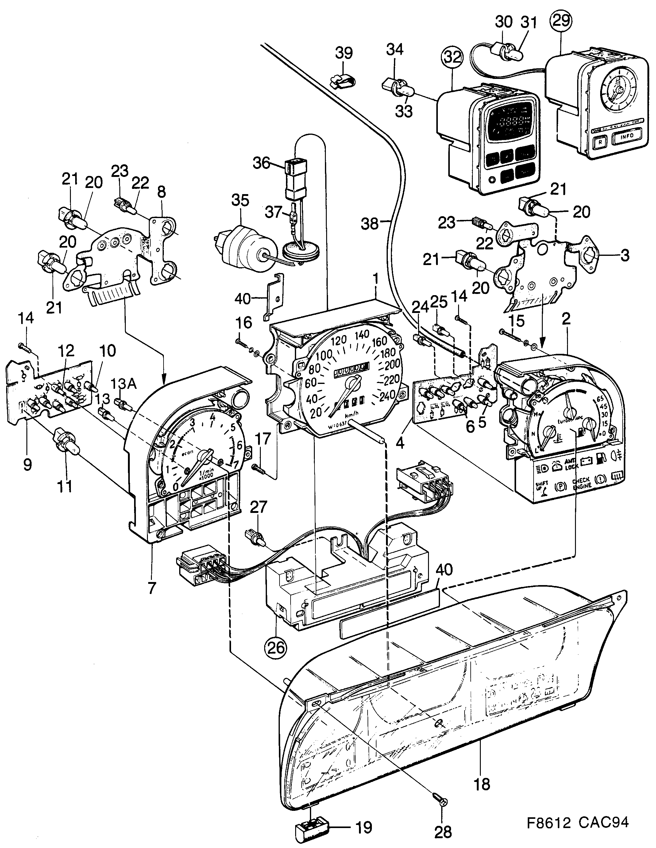
2310: Système électrique, généralités - Tableau bord
(1994 - 1998) | Pour 9000 (1997)

| Pos. | Réf. | Qté | |||
|---|---|---|---|---|---|
| 1 | 4428546 Indicateur vitesse 1996-1998 | Indiquer le kilométrage. | 240 KM/H W=1,026,WH=0,620 | 1 | |||
| 1 | 4428587 Indicateur vitesse LHD | Indiquer le kilométrage. | 135 MPH,W=1,026 WH=1,000, | 1 | |||
| 1 | 4428561 Indicateur vitesse RHD | Indiquer le kilométrage. | 140 MPH,W=1,026 WH=1,000, | 1 | |||
| 2 | 4518676 Combine instruments 1995-1998 | TURBO | 1 | |||
| 2 | 4518700 Combine instruments 1995-1998, LHD | TURBO | 1 | |||
| 2 | 4518684 Combine instruments 1995-1998, RHD | TURBO | 1 | |||
| 2 | 4518692 Combine instruments 1995-1998, LHD | TURBO | 1 | |||
| 2 | 4518718 Combine instruments 1995-1998 | I, B204S, B204E, B234E | 1 | |||
| 2 | 4518718 Combine instruments 1995-1997 | B308 | 1 | |||
| 2 | 4518726 Combine instruments 1995-1997, RHD | I, B204S, B204E, B234E, B308 | 1 | |||
| 2 | 4518742 Combine instruments 1995-1998, LHD | I | 1 | |||
| 2 | 4518742 Combine instruments 1995-1997, LHD | B308 | 1 | |||
| 2 | 4518734 Combine instruments 1995-1997, LHD | I, B308 | 1 | |||
| 3 | 4518650 Feuille étain 1995-1998 | 1 | |||
| 4 | 4436127 Carte circuit | 1 | |||
| 4 | 4436119 Carte circuit LHD | 1 | |||
| 5 | 9509175 Ampoule 40/238 298 004 | 6 | |||
| 6 | 9514894 Ampoule 40/238 303 002 | 3 | |||
| 7 | 4428512 Compte-tours 4-CYL | 1 | |||
| 7 | 4427506 Compte-tours 6-CYL | 1 | |||
| 8 | 4436093 Feuille étain | 1 | |||
| 9 | 4084166 Carte circuit | 1 | |||
| 10 | 9509175 Ampoule 40/238 298 004 | 9 | |||
| 11 | 9513888 Ampoule 40/238 302 004 | 1 | |||
| 12 | 9514894 Ampoule | 1 | |||
| 13 | 9525767 Ampoule contrôle d'ampoule | 1 | |||
| 13A | 9525767 Ampoule TCS | 1 | |||
| 14 | 9506619 Vis | 3 | |||
| 15 | 9505553 Vis | 6 | |||
| 16 | 9505561 Vis | 2 | |||
| 17 | 9508862 Vis | 2 | |||
| 18 | 4068078 Carter | 1 | |||
| 19 | 9505298 Support | 2 | |||
| 20 | 9505116 93190472 Ampoule 40/238 288 005 | 4 | |||
| 21 | 9505520 Porte-lampe | 4 | |||
| 22 | 9505538 5375266 Ampoule | 2 | |||
| 23 | 9505546 5375266 Porte-lampe | 2 | |||
| 24 | 8568693 Ampoule 40/238 286 017 | 1 | |||
| 25 | 8566853 Ampoule | 1 | |||
| 26 | 4710059 4711529 Indicateur 1996-1997 | EDU 3 | 1 | |||
| 26 | 4711529 Indicateur 1997- | EDU 3 | 1 | |||
| 26 | 4710067 Indicateur 1996-1997 | EDU 3 | 1 | |||
| 26 | 4711537 Indicateur 1997- | EDU 3 | 1 | |||
| 27 | 4087482 Ampoule 1995-1998 | 3 | |||
| 28 | 7970536 92150118 Vis | 2 | |||
| 29 | 9513334 Montre | 1 | |||
| 30 | 9505520 Porte-lampe | 1 | |||
| 31 | 9505116 93190472 Ampoule 40/238 288 005 | 1 | |||
| 32 | 4519443 400105607 Ordinateur de bord 1995-1998 | SCC | 1 | |||
| 33 | 4084547 Ampoule | 2 | |||
| 34 | 4085775 Porte-lampe | 2 | |||
| 35 | 4083804 Capteur | 1 | |||
| 36 | 4113262 Boîtier de connecteur 2-poles, broches | 1 | |||
| 36A | 4113353 Joint | 1 | |||
| 37 | 4115192 12789934 Cosse | 1 | |||
| 38 | 9136243 Flexible à dépression LHD | TURBO | Sans catalyseur. Vendu par longueurs de 5m | L=240 MM | 1 | |||
| 38 | 9136243 Flexible à dépression RHD | TURBO | Sans catalyseur. Vendu par longueurs de 5m | L=1160MM | 1 | |||
| 39 | 7108491 Collier serrage RHD | TURBO | Sans catalyseur. | 1 | |||
| 40 | 4519070 Support 1994-1997 | 6-CYL | 1 | |||
| X | |||||
9136243 Flexible à dépression Vendu par longueurs de 5m | L=5000 MM | X | ||||