2130: Moteur - Système de refroidissement - Préchauffage - Carter de papillon
(1994 - 1998 | I) | Pour 9000 (1998)

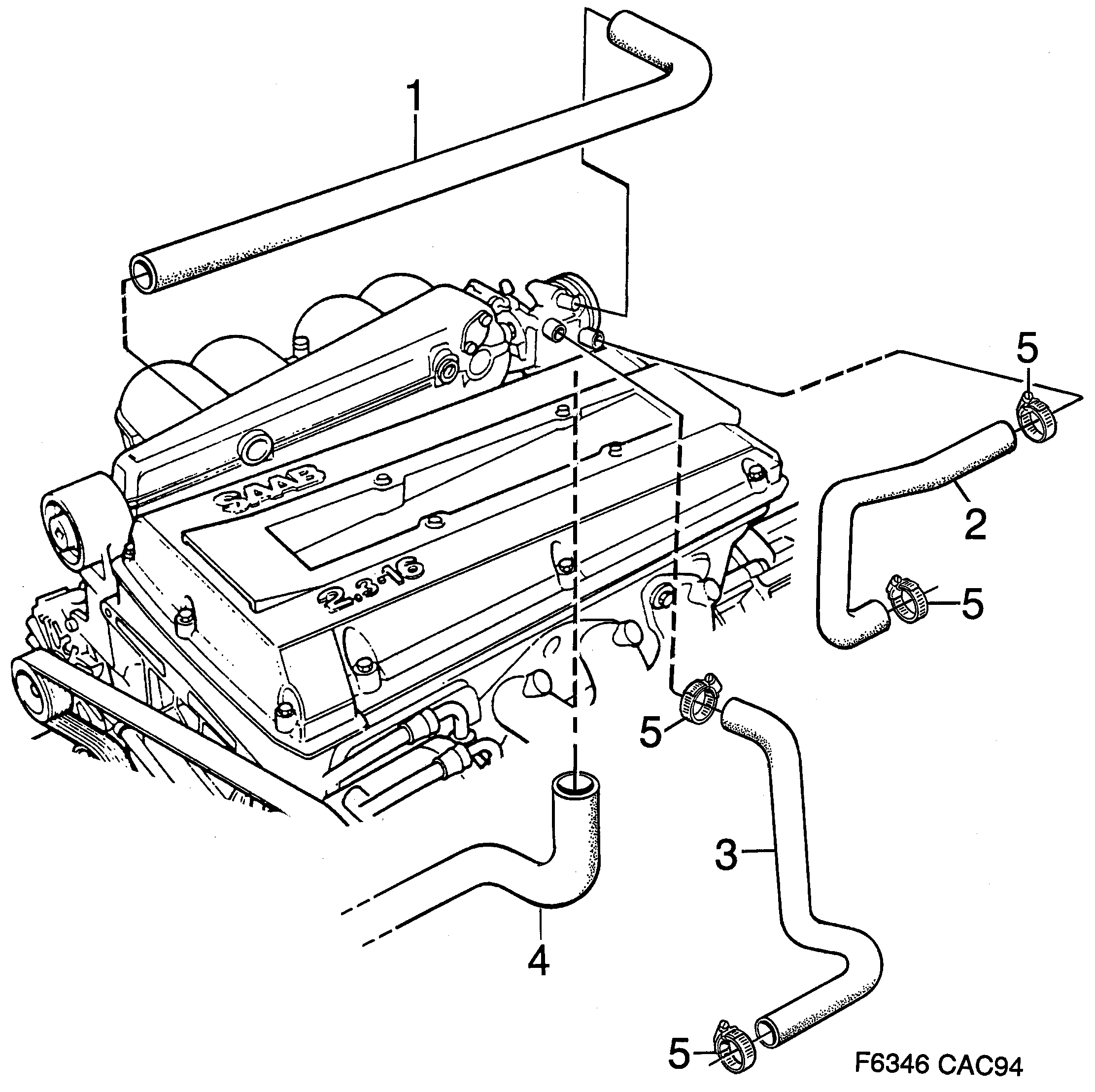
| Pos. | Réf. | Qté | |||
|---|---|---|---|---|---|
| 1 | 8788499 Flexible | 1 | |||
| 2 | 9107632 Flexible | 1 | |||
| 3 | 9107640 Flexible | 1 | |||
| 4 | 1 | ||||
| 5 | 4087649 Collier serrage | 4 | |||
(1994 - 1998 | I) | Pour 9000 (1998)

| Pos. | Réf. | Qté | |||
|---|---|---|---|---|---|
| 1 | 8788499 Flexible | 1 | |||
| 2 | 9107632 Flexible | 1 | |||
| 3 | 9107640 Flexible | 1 | |||
| 4 | 1 | ||||
| 5 | 4087649 Collier serrage | 4 | |||