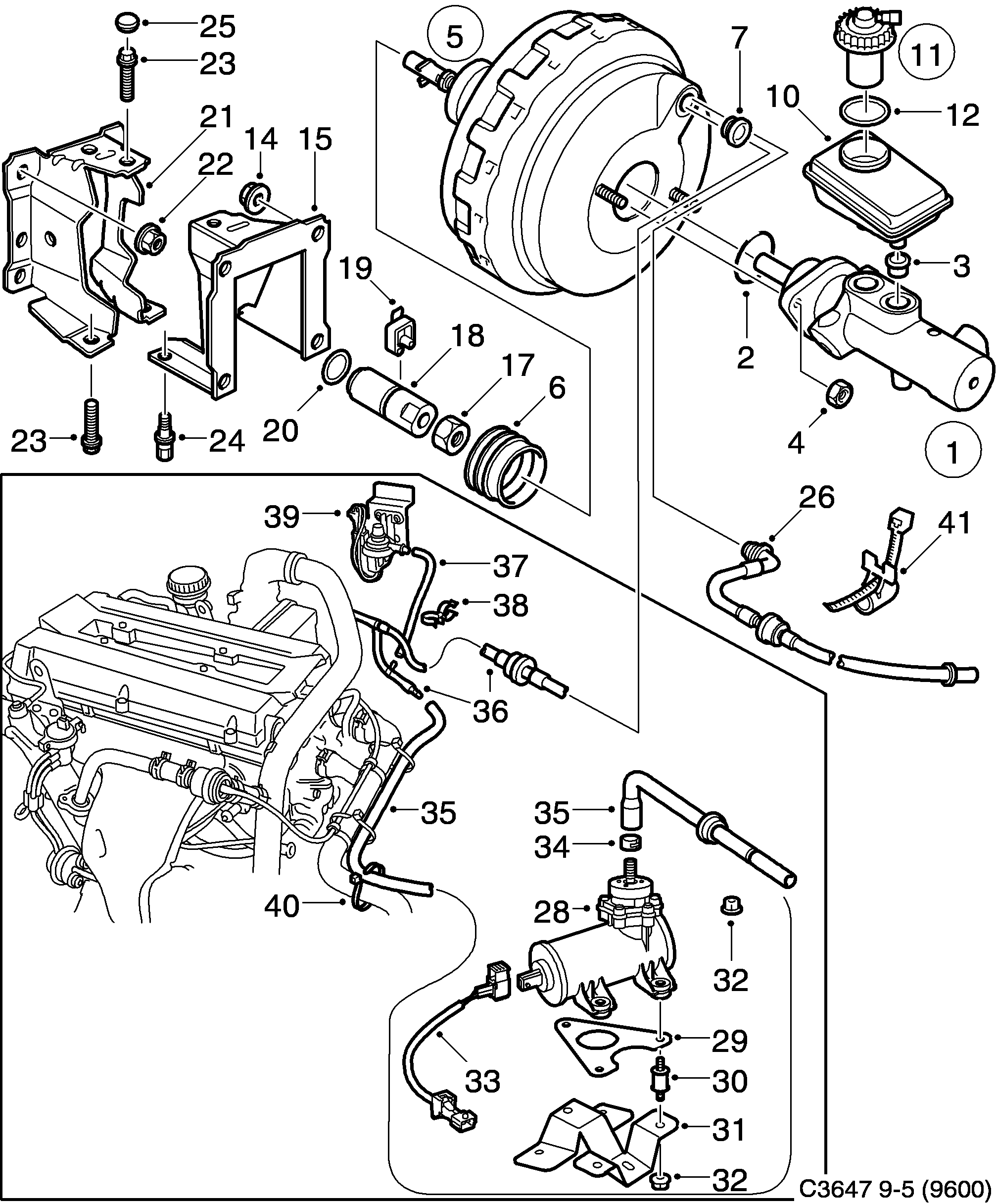
190: Freins - Circuit de frein au pied - Maître-cylindre - servo à vide
(1998 - 1999) | Pour 9-5 (9600) (1999)

| Pos. | Réf. | Qté | |||
|---|---|---|---|---|---|
| 1 | 4836698 Maître-cylindre LHD | 1 | |||
| 1 | 4836706 Maître-cylindre RHD | 1 | |||
| 2 | 4836755 2894223 Joint | 1 | |||
| 3 | 4836730 Tampon | 2 | |||
| 4 | 4836748 Ecrou | 2 | |||
| 5 | 4836656 Servofrein LHD | 1 | |||
| 5 | 4836664 Servofrein RHD | 1 | |||
| 6 | 4836672 Soufflet | 1 | |||
| 7 | 4836680 Passe-câble | 1 | |||
| 10 | 4836771 3495551 Réservoir LHD | 1 | |||
| 10 | 4836789 3495552 Réservoir RHD | Avec capteurs | 1 | |||
| 11 | 4836763 3495503 Couvercle LHD | Avec capteurs | 1 | |||
| 11 | 4836847 5061411 Couvercle -1999, RHD | 1 | |||
| 11 | 5061411 Couvercle 1999-, RHD | 1 | |||
| 12 | Bague étanchéité N'est pas une pièce de rechange distincte. | 1 | |||
| 14 | 7971922 92150143 Ecrou | X | |||
| 15 | 4567012 Console LHD | 1 | |||
| 15 | 4567038 90496987 Console RHD | 1 | |||
| 17 | 4345120 Ecrou hexagonal | 1 | |||
| 18 | 4567855 90498145 Ecrou réglage LHD | 1 | |||
| 18 | 4567863 Ecrou réglage RHD | 1 | |||
| 19 | 4244307 90184913 Ressort rappel LHD | 1 | |||
| 20 | 4568580 Joint torique RHD | 1 | |||
| 21 | 4567020 90496989 Console LHD | 1 | |||
| 21 | 4567046 Console RHD | 1 | |||
| 22 | 4345419 90191908 Ecrou | 4 | |||
| 23 | 7978190 55566034 Vis LHD | 3 | |||
| 24 | 7978232 Vis RHD | 1 | |||
| 25 | 4689626 Tampon LHD | 1 | |||
| 26 | 4688180 Tube dépression LHD | B205, B235 | 1 | |||
| 26 | 4688206 Tube dépression LHD | B308E | 1 | |||
| 26 | 4688198 Tube dépression RHD | B205, B235 | 1 | |||
| 26 | 4688214 Tube dépression RHD | B308E | 1 | |||
| 28 | 4646220 Pompe vide 1998-1999 | B205, B235 | 1 | |||
| 29 | 4908075 Rondelle 1998-1999 | B205, B235 | 1 | |||
| 30 | 4839403 Amortisseur vibrations 1998-1999 | B205, B235 | 3 | |||
| 31 | 4839395 Support 1998-1999 | B205, B235 | 1 | |||
| 32 | 7977929 11900451 Ecrou 1998-1999 | B205, B235 | 9 | |||
| 33 | |||||
| 34 | 7974009 Collier serrage 1998-1999 | B205, B235 | 1 | |||
| 35 | 5333208 Connexion à dépression 1999-1999 | B205, B235 | 1 | |||
| 36 | 4839387 Tube dépression LHD | B205, B235 | 1 | |||
| 36 | 4908265 Tube dépression RHD | B205, B235 | 1 | |||
| 37 | 9136243 Flexible à dépression LHD | B205, B235 | Vendu par longueurs de 5m | L=600 MM | 1 | |||
| 37 | 9135542 Flexible à dépression RHD | B205, B235 | L=410 MM | 1 | |||
| 38 | 5056536 Clip RHD | B205, B235 | 1 | |||
| 39 | |||||
| 40 | 7399652 Collier serrage B205, B235 | 3 | |||
| 41 | 4063681 Ruban serrage RHD | 1 | |||