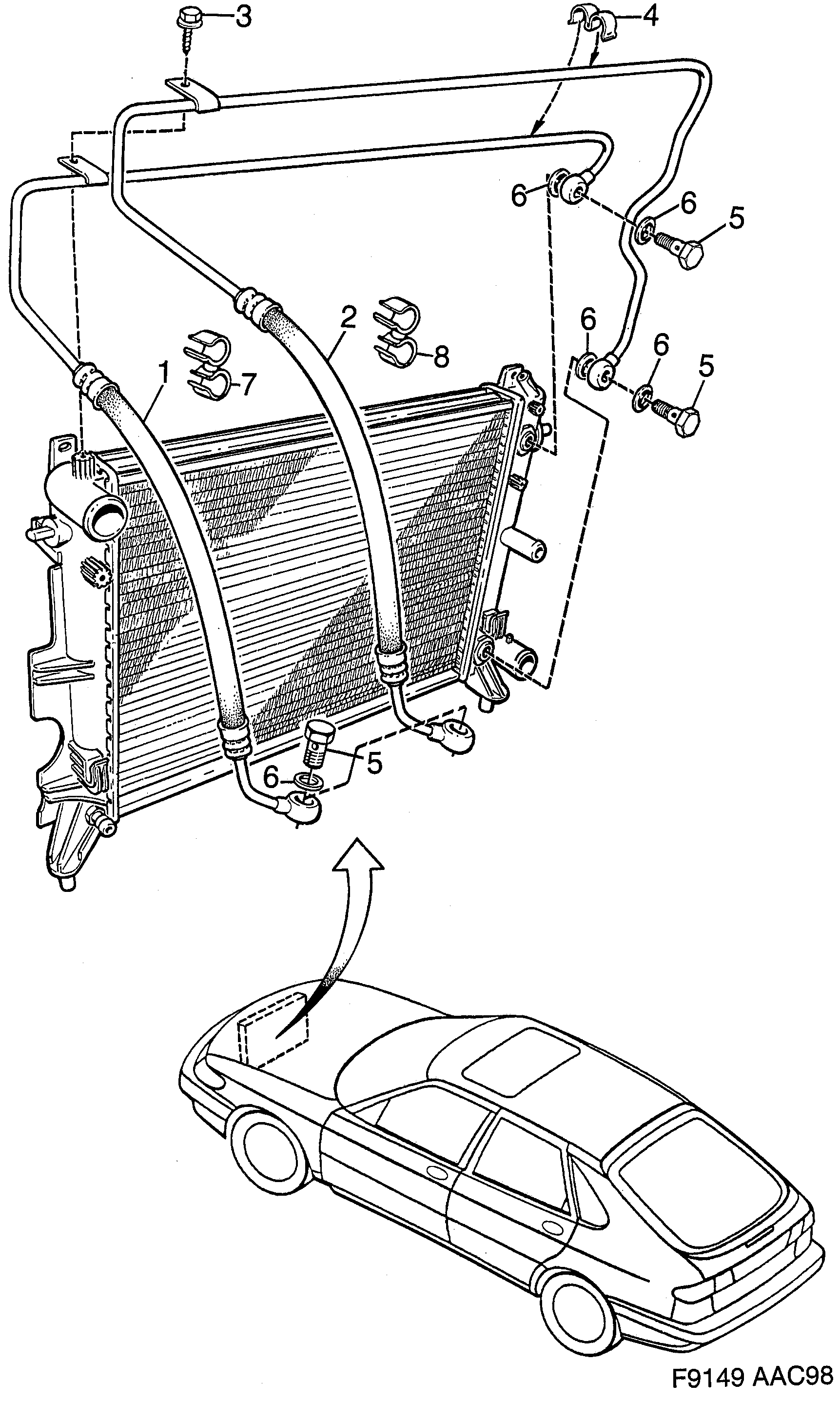
1300: Moteur - Système de refroidissement - Refroidisseur d'huile à air - Boîte de vitesses automatique
(1998 - 2003 | B204E, B204I, B205E, B205L, B205R, B235E, B235R) | Pour 9-3 (9400) (2000)

| Pos. | Réf. | Qté | |
|---|---|---|---|
| 1 | 4395117 Flexible hydraulique | 1 | |
| 2 | 4395133 Flexible hydraulique | 1 | |
| 3 | 7983000 92153149 Vis à tête hexagonale | 1 | |
| 4 | 4242780 Clip | 1 | |
| 5 | 4374211 12773569 Vis banjo | 4 | |
| 6 | 4161162 Joint | 8 | |
| 7 | 7398464 Collier serrage | 1 | |
| 8 | 7559768 92152223 Clip | 1 |