900: Moteur - Corps de moteur - Vilebrequin - Piston
(2003 - 2011 | B207E, B207L, B207R) | Pour 9-3 (9440) (2003)

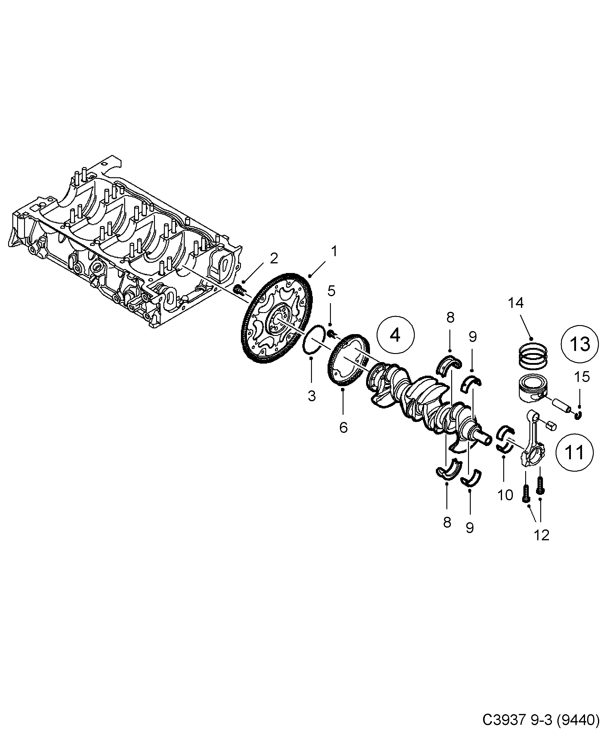
| Pos. | Réf. | Qté | |
|---|---|---|---|
| 1 | 55353856 55576200 Volant 2003-2005 | B207R | 1 | |
| 1 | 12797020 55576199 Volant 2003-2003 | B207E | 1 | |
| 1 | 12797020 55576199 Volant 2003-2004 | B207L | VOLANT BIMASSE | 1 | |
| 1 | 12787843 Flasque entraînement | 1 | |
| 2 | 93184078 Vis | 8 | |
| 2 | 93171578 Vis 2003-2004 | 8 | |
| 3 | 90325572 Joint | 1 | |
| 4 | 12791966 55570962 Vilebrequin 2003-2005 | 1 | |
| 5 | 90280051 Vis | 3 | |
| 8 | 9194165 Palier vilebrequin | 1 | |
Palier vilebrequin N'est pas une pièce de rechange distincte. | 2 | ||
Palier vilebrequin N'est pas une pièce de rechange distincte. | 2 | ||
| 9 | 9194163 Kit palier vilebrequin | 4 | |
Palier vilebrequin N'est pas une pièce de rechange distincte. | X | ||
| 10 | 9194705 Jeu coussinets bielles | 4 | |
Coussinet de bielle N'est pas une pièce de rechange distincte. | 2 | ||
| 11 | 93175454 Bielle assemble Ensemble | 4 | |
| 12 | 90537293 Vis | 8 | |
| 13 | 12791210 Piston B207E, B207L | Ensemble | 4 | |
| 13 | 55555827 Piston B207R | Ensemble | 4 | |
| 14 | 93180138 Jeu segments piston B207E, B207L | 1 | |
| 14 | 93183220 Jeu segments piston B207R | 1 | |
Segment piston N'est pas une pièce de rechange distincte. | 2 | ||
Bague entretoise N'est pas une pièce de rechange distincte. | 1 | ||
Racleur huile N'est pas une pièce de rechange distincte. | 2 | ||
| 15 | 12755171 Anneau verrouillage Boulon | 4 |