600: Moteur - Corps de moteur - Transmission
(2010 - 2011 | A20DTH, A20DTR, A20NFT, A16LET) | Pour 9-5 (650) (2011)

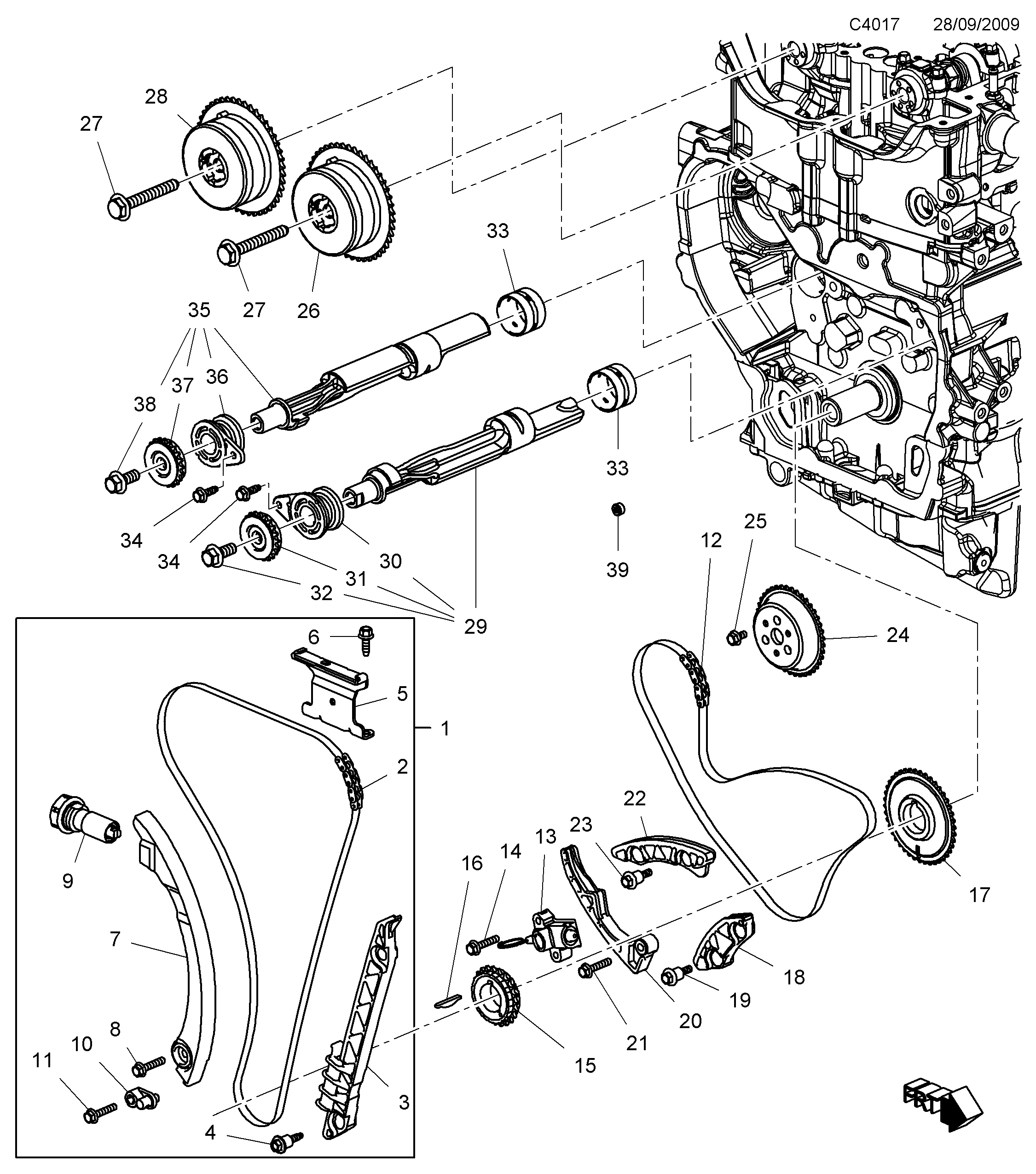
| Pos. | Réf. | Qté | |
|---|---|---|---|
| 1 | 12600850 Chaîne de transmission Jeu | 1 | |
| 2 | 24461834 Chaîne | 1 | |
| 3 | 13104978 Guide chaîne | 1 | |
| 4 | 11588522 Vis | 2 | |
| 5 | 12588387 Rail guide Supérieur | 1 | |
| 6 | 11518828 Vis M6X20 | 2 | |
| 7 | 24449448 Guide chaîne | 1 | |
| 8 | 11516425 Vis M6X30 | 1 | |
| 9 | 12608580 Tendeur chaîne | 1 | |
| 10 | 12577163 Gicleur huile | 1 | |
| 11 | 11516425 Vis M6X30 | 1 | |
| 12 | 90537370 Chaîne | 1 | |
| 13 | 90537300 Tendeur chaîne | 1 | |
| 14 | 11516425 Vis M6X30 | 1 | |
| 15 | 24424758 Pignon chaîne | 1 | |
| 16 | 24424855 Clavette woodruff | 1 | |
| 17 | 55557168 Pignon chaîne | 1 | |
| 18 | 90537369 Guide chaîne Inférieur | LH | 1 | |
| 19 | 11588522 Vis | 1 | |
| 20 | 90537299 Guide chaîne Arbre d'équilibrage | RH | 1 | |
| 21 | 11516425 Vis M6X30 | 1 | |
| 22 | 90537336 Guide chaîne Supérieur | 1 | |
| 23 | 11588522 Vis | 1 | |
| 24 | 90537298 Pignon chaîne | 1 | |
| 25 | 11518061 Vis M6 X 13 | 3 | |
| 26 | 12578515 Pignon chaîne Admission | 1 | |
| 27 | 11588844 Vis | 2 | |
| 28 | 12621505 Pignon Échappement | 1 | |
| 29 | 12587216 Arbre d'équilibrage LH | 1 | |
| 30 | 12587220 Palier LH | 1 | |
| 31 | 55354439 Pignon chaîne LH | 1 | |
| 32 | 11516327 Vis M10X25 | 1 | |
| 33 | 12581395 Palier | 2 | |
| 34 | 11588712 Vis M6X20 | 2 | |
| 35 | 12587215 Arbre d'équilibrage RH | 1 | |
| 36 | 12587219 Palier RH | 1 | |
| 37 | 55354438 Pignon chaîne RH | 1 | |
| 38 | 11516327 Vis M10X25 | 1 | |
| 39 | 55561057 Obturateur à vis Chaîne de transmission Rail Orifice d'acces | 1 |