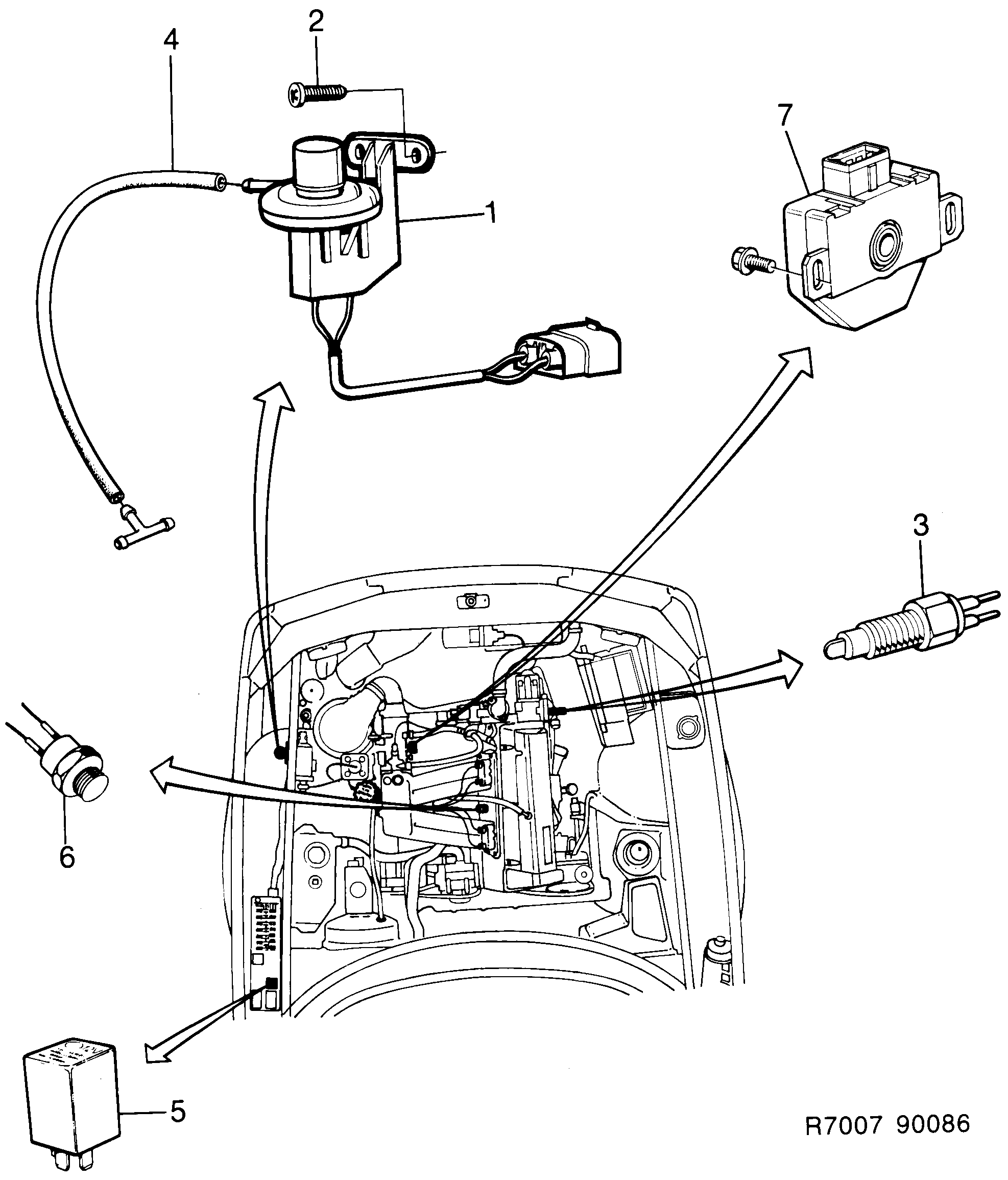
910: Электрика, общие данные - Прочее электрическое оборудование - Индикатор передач
(1986 - 1989) | Для 900 (1986)

| Поз. | Номер | Кол-во | |||
|---|---|---|---|---|---|
| 1 | 8596124 Контакт 1986-1986 | 1 | |||
| 2 | 7922818 Винт 1986-1988 | 2 | |||
| 3 | 9513235 Контакт 1986-1987 | индикатор передачи | 1 | |||
| 4 | 9136243 Вакуумный шланг Продается длиной по 5 м | L=310 MM | 1 | |||
| 5 | |||||
| 6 | |||||
| 7 | |||||
9136243 Вакуумный шланг Продается длиной по 5 м | L=5000 MM | X | ||||