220: Тормоза - Система ножного тормоза - Главный цилиндр - вакуумный сервоусилитель
(1986 - 1989) | Для 900 (1986)

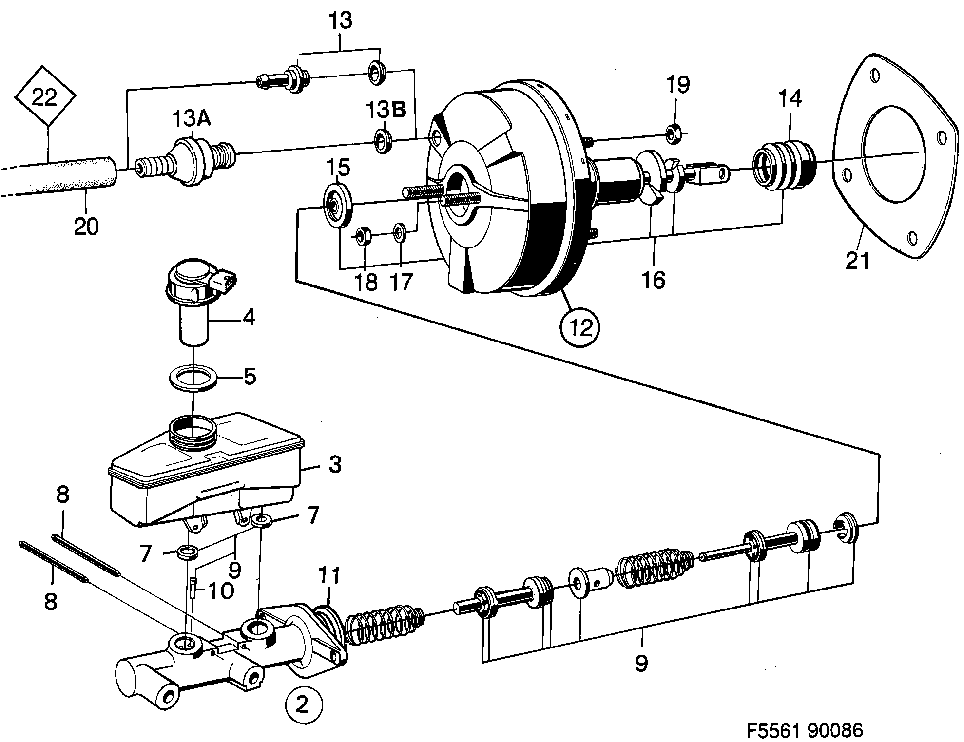
| Поз. | Номер | Кол-во | |||
|---|---|---|---|---|---|
| 2 | 9100652 Главный цилиндр 1986-1986 | Use 8993917 without reservoir | 1 | |||
| 3 | 8935421 Резервуар, бачок 1986-1986 | 1 | |||
| 4 | 9100595 Предупредитель уровня 1986-1986 | 1 | |||
| 5 | 8936106 Уплотнение 1986-1986 | 1 | |||
| 7 | 8928426 Прокладка 1986-1986 | 2 | |||
| 8 | 8937831 Штифт крепления 1986-1986 | 2 | |||
| 9 | 8994972 Комплект уплотнителей 1986-1986 | 1 | |||
| 10 | 8928434 Штифт 1986-1986 | 1 | |||
| 11 | 8947178 О-образное кольцо 1986-1986 | 1 | |||
| 12 | 8942609 Вакуумный сервоусилитель 1986-1986 | 1 | |||
| 13 | 8993115 Обратный клапан 1986-1986 | 1 | |||
| 14 | 8928541 Сильфон 1986-1986 | 1 | |||
| 15 | 8929010 Уплотнение 1986-1986 | 1 | |||
| 16 | 8910705 Комплект уплотнителей 1986-1986 | 1 | |||
| 17 | 7910565 Шайба | 2 | |||
| 18 | 8073942 Гайка 1986-1986 | 2 | |||
| 19 | 8074288 11900440 Гайка | 4 | |||
| 20 | 8939993 Вакуумный шланг 1986-1986 | B201I | L=355 MM | 1 | |||
| 20 | 8939993 Вакуумный шланг B202 | отрезается до 290 мм | 1 | |||
| 20 | 8942302 Вакуумный шланг B201C | L=380 MM | 1 | |||
| 22 | |||||