
| Поз. | Номер | Кол-во | |
|---|---|---|---|
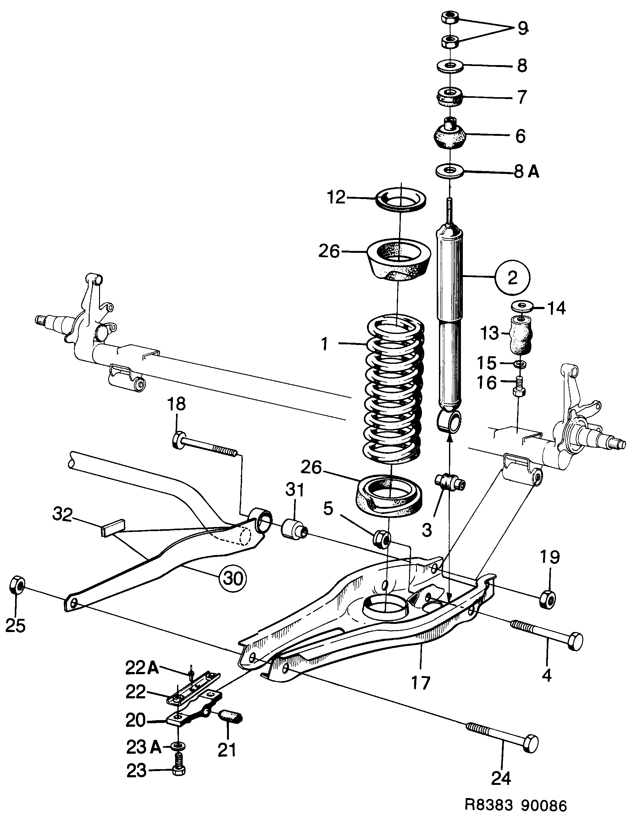
| 1 | 8945818 Пружина Черный/белый | LH | 1 | |
| 1 | 8941502 Пружина зеленый/светло-зеленый | RH | 1 | |
| 1 | 8945826 Пружина желтый/красный | 2 | |
| 2 | 8993412 Комплект амортизатора 1986-1988 | GL | 2 | |
| 2 | 8993412 Комплект амортизатора 1986-1988 | I | Кроме EU | 2 | |
| 2 | 8993446 Комплект амортизатора 1986-1986 | TURBO, I | CD | S FOR | 2 | |
| 2 | 8993487 8993446 Комплект амортизатора Автомобили со стабилизатором поперечной устойчивости | 2 | |
| 3 | 8947939 Втулка подшипника | 2 | |
| 4 | 8938466 Винт | 2 | |
| 5 | 8073546 8151482 Гайка замка 1986-1987 | 2 | |
| 6 | 8939423 Втулка, вкладыш Нижний | 2 | |
| 7 | 8985962 30520186 Втулка, вкладыш 1986-1986 | Верхний | 2 | |
| 8 | 8985954 Шайба Верхний | 2 | |
| 8A | 8948226 Шайба Нижний | 2 | |
| 9 | 8315558 30509371 Гайка 1986-1987 | 4 | |
| 12 | 8933897 Прокладочное кольцо | 2 | |
| 13 | 8922445 Буффер | 2 | |
| 14 | 8947152 4107413 Прокладка | 2 | |
| 15 | 7910599 Шайба | 2 | |
| 16 | 7975063 Винт | 2 | |
| 17 | 8936304 Серьга рессоры LH | 1 | |
| 17 | 8947210 Серьга рессоры RH | 1 | |
| 18 | 8084410 7979594 Винт 1986-1988 | 2 | |
| 18 | 8084451 Винт 1986-1988 | Автомобили со стабилизатором поперечной устойчивости | (7979438) | 2 | |
| 19 | 8073546 8151482 Гайка замка 1986-1987 | 2 | |
| 20 | 8947269 Крепление подшипника Передний. | 2 | |
| 21 | 8935298 Втулка, вкладыш | 2 | |
| 22 | 8989899 Пластина гайки | 2 | |
| 22A | 7975717 Заклепка | 2 | |
| 23 | 8990079 Болт | 4 | |
| 23A | 8030017 Шайба | 4 | |
| 24 | 8084386 Винт 1986-1988 | (7979362) | 2 | |
| 24 | 8084394 Винт 1986-1988 | Автомобили со стабилизатором поперечной устойчивости | 2 | |
| 25 | 8073546 8151482 Гайка замка 1986-1987 | 2 | |
| 26 | 8935330 Кронштейн пружины | 4 | |
| 30 | 8988297 Стабилизатор поперечной устойчивости | 1 | |
| 31 | 8989980 Втулка, вкладыш | 2 | |
| 32 | 8989998 Резиновая планка Автомобили со стабилизатором поперечной устойчивости | 4 |