1360: Кузов, внутри - Прочее внутреннее оборудование - Кресла Часть 2
(1986 - 1987) | Для 900 (1986)

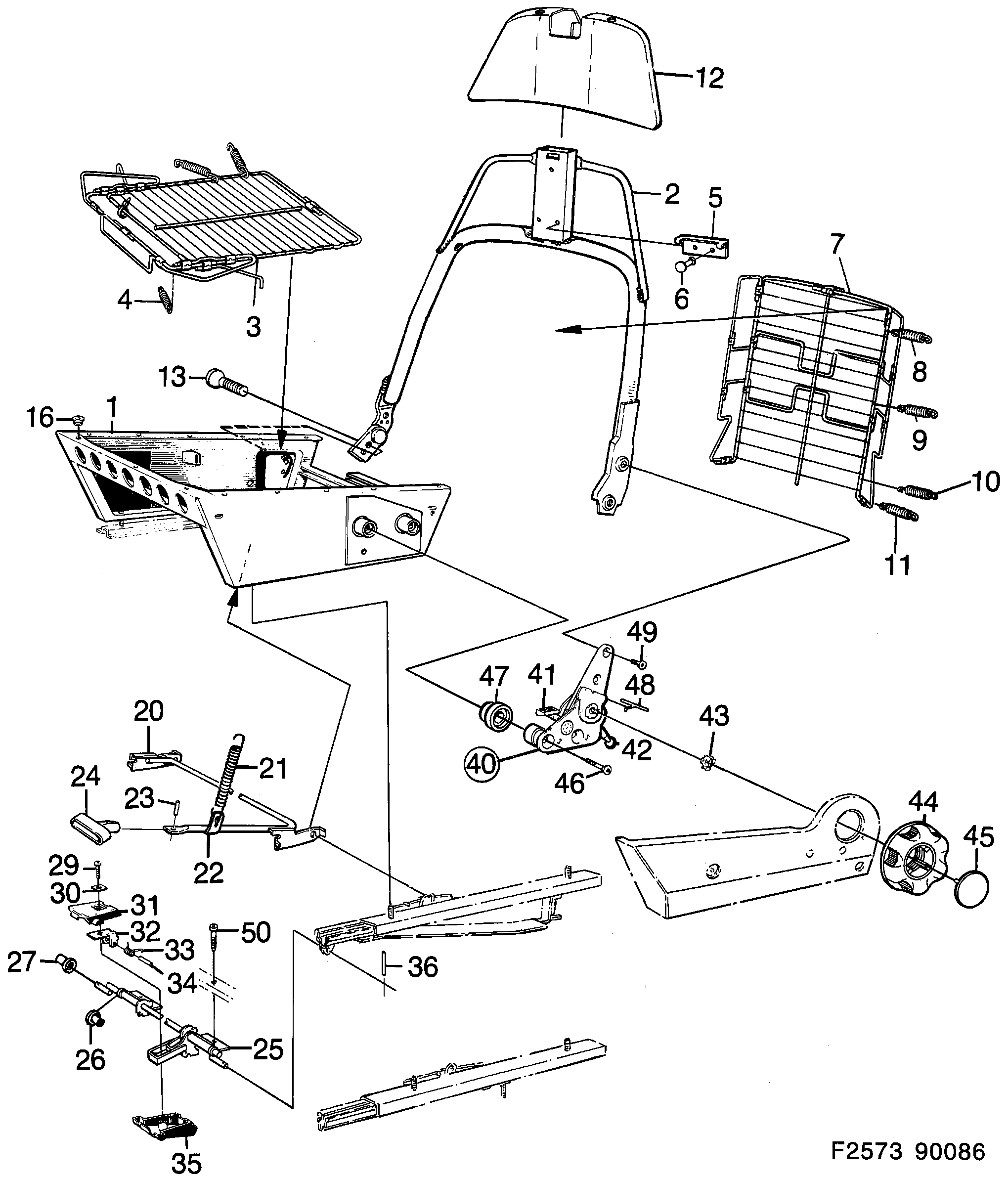
| Поз. | Номер | Кол-во | |||
|---|---|---|---|---|---|
| 1 | |||||
| 1 | 9746082 Рама сидения 1986-1986 | LH | 1 | |||
| 1 | 9805052 Рама сидения 1986-1986 | RH | 1 | |||
| 2 | 9746124 Рама спинки LH | 1 | |||
| 2 | 9812322 Рама спинки RH | 1 | |||
| 3 | 9878562 Рессорный коврик | 1 | |||
| 4 | 9837402 Пружина | 10 | |||
| 5 | 9726779 Угол крепления Для автомобилей с обивкой ''CONTUR'' | 1 | |||
| 6 | 7961642 Заклепка Для автомобилей с обивкой ''CONTUR'' | 2 | |||
| 7 | 9878570 Рессорный коврик | 1 | |||
| 8 | 9837410 Пружина | 2 | |||
| 9 | 9837428 Пружина | 2 | |||
| 10 | 9837436 Пружина | 2 | |||
| 11 | 9837444 Пружина | 2 | |||
| 12 | 9702465 Колпак | 1 | |||
| 13 | 7974033 Винт | 2 | |||
| 16 | 8407983 Втулка, вкладыш | 10 | |||
| 20 | 9718297 Рычаг управления LH | 1 | |||
| 20 | 9718305 Рычаг управления RH | 1 | |||
| 21 | 8935751 Пружина | 1 | |||
| 22 | 9833971 Зажим | 1 | |||
| 23 | 7946148 Натяжной штифт | 1 | |||
| 24 | 9465956 Ручка LH | 1 | |||
| 24 | 9488131 Ручка RH | 1 | |||
| 25 | 9718602 Ось регулятора LHD | 1 | |||
| 25 | 9718610 Ось регулятора RHD | 1 | |||
| 26 | 9488370 Втулка, вкладыш | 4 | |||
| 27 | 9473349 Втулка, вкладыш | 2 | |||
| 29 | 7970262 Винт | 1 | |||
| 30 | 8425126 Шайба | 1 | |||
| 31 | 8425035 Верхняя половина | 1 | |||
| 32 | 8425100 Рычаг | 1 | |||
| 33 | 9729724 Пружина | 1 | |||
| 34 | 8426173 Штифт | 1 | |||
| 35 | 8425043 Нижняя половина | 1 | |||
| 36 | 7956212 Натяжной штифт | 1 | |||
| 40 | 9835190 Защелка опускания спинки сидения LH | 1 | |||
| 40 | 9835208 Защелка опускания спинки сидения RH | 1 | |||
| 40 | 9456765 Защелка опускания спинки сидения LH | 1 | |||
| 40 | 9456773 Защелка опускания спинки сидения RH | 1 | |||
| 41 | 9487828 Кнопка | 1 | |||
| 42 | 9487810 Кнопка | 1 | |||
| 43 | 9441270 Шайба замка | 1 | |||
| 44 | 9851601 Руль | 1 | |||
| 44 | 9704511 Руль | 1 | |||
| 45 | 9851619 Крышка | 1 | |||
| 45 | 9437021 Крышка | 1 | |||
| 46 | 9715525 Винт | 2 | |||
| 47 | 9478066 Шайба | 2 | |||
| 48 | 9837022 Крюк | 2 | |||
| 49 | 7974744 Винт | 2 | |||
| 50 | 9718131 Шестигранный винт | 2 | |||