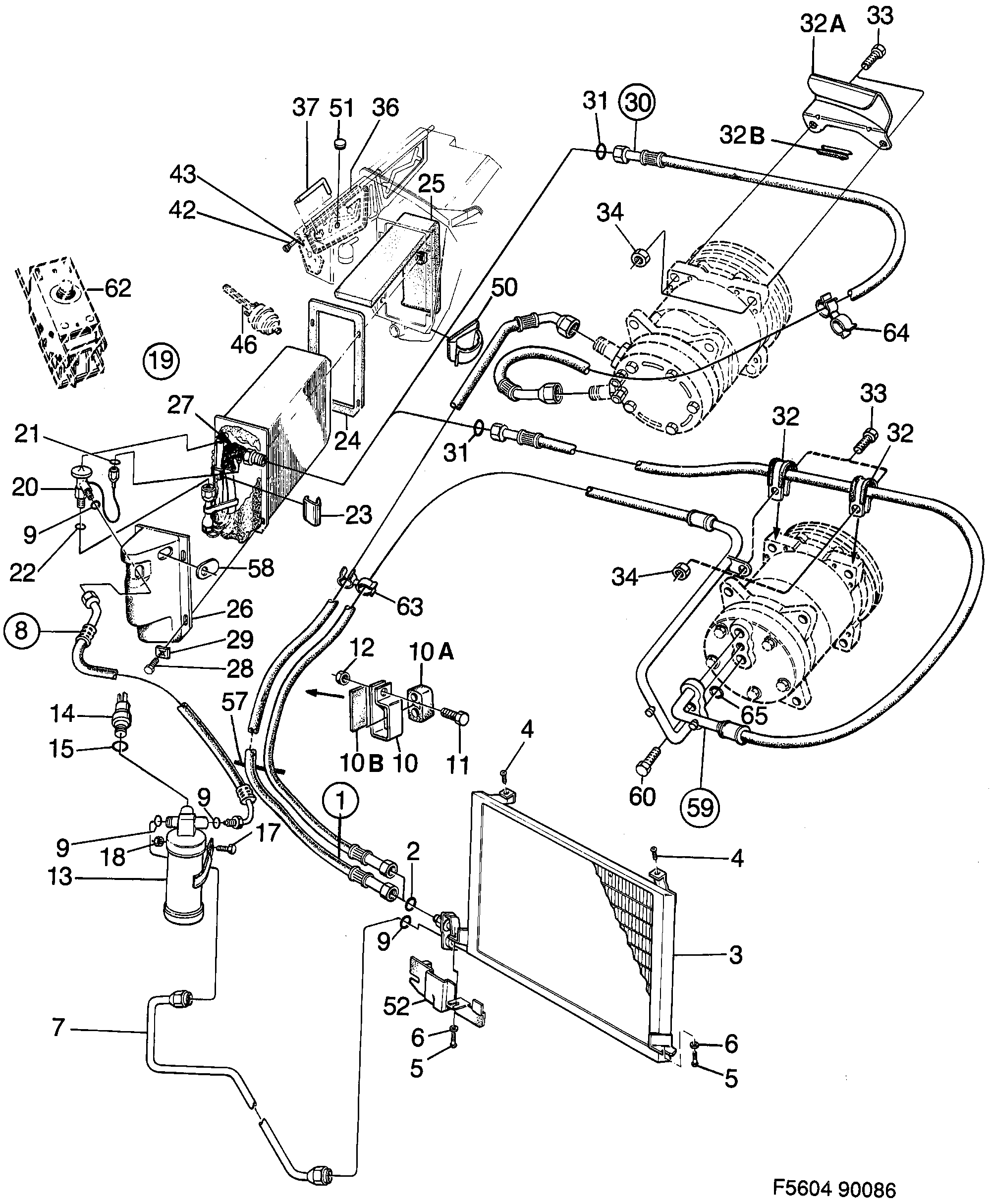
310: Отопление и вентиляция - Испаритель АС - Sanden
(1986 - 1989) | Для 900 (1987)

| Поз. | Номер | Кол-во | |||
|---|---|---|---|---|---|
| 1 | 9481540 Шланг C | 1 | |||
| 1 | 9482019 Шланг 1987-1989 | C | Для автомобилей с встроенным бампером | 1 | |||
| 2 | 7972094 30541941 О-образное кольцо | 1 | |||
| 3 | 9401951 Конденсор 1986-1988 | 1 | |||
| 4 | 8059578 Винт | 2 | |||
| 5 | 7922420 Винт | 2 | |||
| 6 | 8029951 Шайба | 2 | |||
| 7 | 9482035 Труба 1987-1989 | Для автомобилей с встроенным бампером | 1 | |||
| 8 | 9482027 Шланг 1987-1989 | Для автомобилей с встроенным бампером | 1 | |||
| 9 | 7972086 30541940 О-образное кольцо | 4 | |||
| 10 | 9481458 Зажим | 1 | |||
| 10A | 9481441 Прокладка | 1 | |||
| 10B | 9481664 Подкладка | 1 | |||
| 11 | 8019911 Винт | 1 | |||
| 12 | 8029555 8151227 Гайка 1986-1987 | 1 | |||
| 13 | 9482068 Резервуар, бачок 1987-1989 | Для автомобилей с встроенным бампером | 1 | |||
| 14 | 9480005 Контакт | 1 | |||
| 15 | 9473851 4073979 О-образное кольцо | 1 | |||
| 18 | 8074106 Гайка 1986-1987 | 1 | |||
| 19 | 9480955 Испаритель | 1 | |||
| 20 | 9480914 Клапан | 1 | |||
| 21 | 7972078 О-образное кольцо | 1 | |||
| 22 | 7972094 30541941 О-образное кольцо | 1 | |||
| 23 | 9629197 Зажим 1987-1989 | 1 | |||
| 24 | 9480245 Уплотнение | 1 | |||
| 25 | 9479627 Уплотнение | 1 | |||
| 26 | 9481185 Колпак | 1 | |||
| 27 | 9401944 Изоляция | 1 | |||
| 28 | 7922461 Винт | 4 | |||
| 29 | 9465600 Гайка | 4 | |||
| 30 | 9480773 Шланг C | 1 | |||
| 31 | 7972482 4318044 О-образное кольцо | 1 | |||
| 32A | 9481961 Бюгель 1987-1989 | 1 | |||
| 32B | 7535487 Защитная планка 1987-1989 | 1 | |||
| 33 | 8019945 Винт C | 2 | |||
| 33 | 7977499 Винт 1987-1989 | 2 | |||
| 34 | 8073512 92150265 Гайка замка | 2 | |||
| 36 | 9481680 Заслонка | 1 | |||
| 37 | 9420241 Вал | 1 | |||
| 42 | 9422403 Коренная шейка | 1 | |||
| 43 | 9438250 Упорная пластина | 1 | |||
| 46 | 1 | ||||
| 50 | 9479940 Зажим RHD | 1 | |||
| 51 | 7163074 Пробка | 2 | |||
| 58 | 9481193 Вводной канал | 1 | |||
| 59 | 9482001 Шланг 1987-1987 | I, TURBO | 1 | |||
| 60 | 7399280 Винт 1987-1989 | 1 | |||
| 62 | |||||
| 63 | 7398373 Зажим | 1 | |||
| 64 | 7398530 Зажим | 1 | |||
| 65 | 2 | ||||