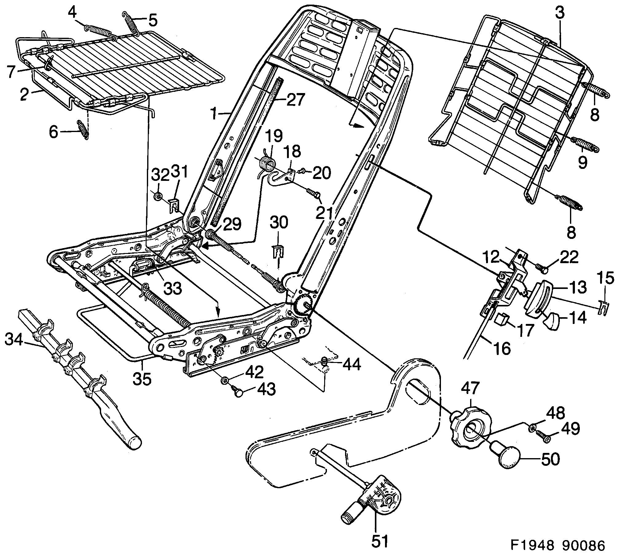
1540: Кузов, внутри - Прочее внутреннее оборудование - Кресла Часть 2 - Пассивный ремень
(1986 - 1987 | LHD) | Для 900 (1987)

| Поз. | Номер | Кол-во | |||
|---|---|---|---|---|---|
| 1 | 9874777 Рама сидения LH | 1 | |||
| 1 | 9876483 Рама сидения RH | 1 | |||
| 2 | 9673450 Рессорный коврик | 1 | |||
| 3 | 9759051 9697525 Рессорный коврик -1987 | 1 | |||
| 3 | 9697525 Рессорный коврик 1987- | 1 | |||
| 4 | 9673146 Пружина | 4 | |||
| 5 | 9673435 Пружина | 2 | |||
| 6 | 9673443 Пружина | 2 | |||
| 7 | 7971872 Хомут | 2 | |||
| 8 | 9759069 Пружина | 4 | |||
| 9 | 9759077 Пружина | 2 | |||
| 12 | 9618836 Механизм расцепления | 1 | |||
| 13 | 9874801 Ползун | 1 | |||
| 14 | 9874819 Кнопка | 1 | |||
| 15 | 9686841 Зажим | 1 | |||
| 16 | 9874504 Кабель | 1 | |||
| 17 | 9611799 Держатель кабеля | 4 | |||
| 18 | 9531997 Крепежная скоба 1987- | LH | 1 | |||
| 18 | 9532003 Крепежная скоба 1987- | RH | 1 | |||
| 19 | 9532011 Пружина 1987- | LH | 1 | |||
| 19 | 9532029 Пружина 1987- | RH | 1 | |||
| 20 | 7975402 Заклепка 1987- | 2 | |||
| 21 | 7972607 92153146 Винт 1987- | 1 | |||
| 22 | 7974330 Винт | 2 | |||
| 27 | 9671835 Защитная планка | 2 | |||
| 29 | 9680414 Вал | 1 | |||
| 30 | 9777327 Бегунок | 2 | |||
| 31 | 7915077 7963143 Бегунок | 1 | |||
| 32 | 9618232 Прокладка | 1 | |||
| 33 | 7398282 Шайба | 2 | |||
| 34 | 9657131 Распредвал 1987- | 1 | |||
| 35 | 9659012 Вал Сидение водителя | 1 | |||
| 35 | 9659020 Вал Сидение пассажира | 1 | |||
| 42 | 7916497 92153033 Шайба Сидение пассажира | 4 | |||
| 43 | 7972623 92153212 Винт Сидение пассажира | 4 | |||
| 44 | 9678434 Стопорное кольцо Сидение водителя | 2 | |||
| 47 | 9798356 Руль | 1 | |||
| 48 | 8029944 Шайба | 1 | |||
| 49 | 8059396 Винт | 2 | |||
| 50 | 9765132 Крышка | 1 | |||
| 51 | 9658584 Регулятор Сидение водителя | 1 | |||