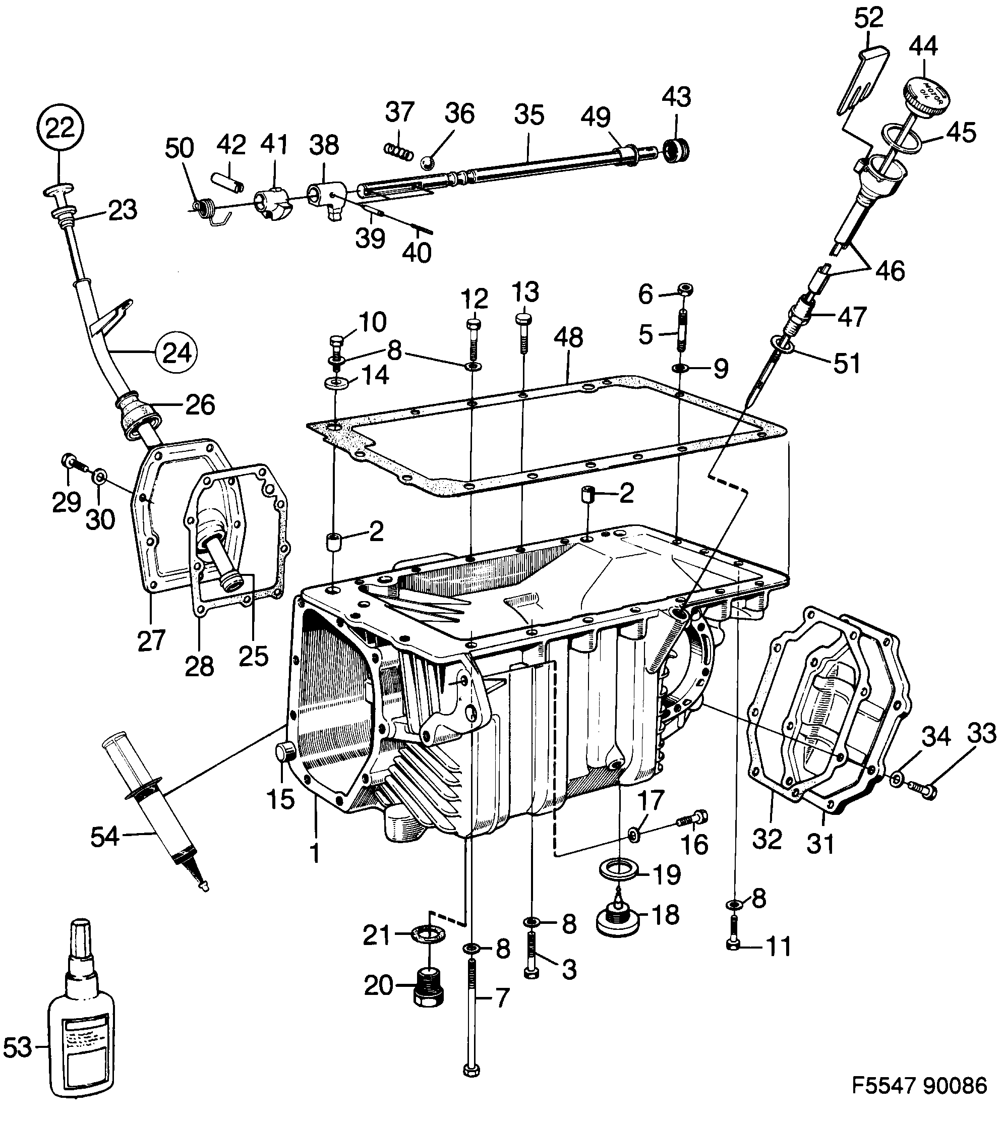
220: Силовая передача - Коробка передач, 4-ступенчатая - Корпус коробки передач, маслоотстойник - -1988
(1986 - 1988) | Для 900 (1988)

| Поз. | Номер | Кол-во | |||
|---|---|---|---|---|---|
| 1 | 8721300 Корпус коробки передач | 1 | |||
| 2 | 8300725 Направляющая гильза | 2 | |||
| 3 | 8083958 8125213 Винт | 6 | |||
| 5 | 8005928 Резьбовая шпилька 1987-1988 | 1 | |||
| 6 | 8151235 Гайка 1988-1988 | 1 | |||
| 7 | 7965569 Винт | 1 | |||
| 8 | 8029985 92153033 Шайба | 14 | |||
| 9 | 9328824 8981987 Уплотнение | 1 | |||
| 10 | 9346354 Винт | 1 | |||
| 11 | 8082968 55562873 Винт | 1 | |||
| 12 | 9346362 Винт | 5 | |||
| 13 | 9346370 Винт | 1 | |||
| 14 | 7061328 Шайба | 1 | |||
| 15 | 8723967 12755009 Направляющий штифт (8342594) | 2 | |||
| 16 | 8082968 55562873 Винт | 1 | |||
| 17 | 8029985 92153033 Шайба | 1 | |||
| 18 | 8717407 Сливная пробка | 1 | |||
| 19 | 8717415 Прокладка | 1 | |||
| 20 | 8711871 8731762 Сливная пробка | 1 | |||
| 21 | 8718439 Прокладка | 1 | |||
| 22 | 7544547 Щуп B201C | Для автомобилей с листовым коллектором выхлопных газов Для автомобилей с EGR. | 1 | |||
| 22 | 8334526 7546872 Масляный щуп B201C | Для автомобилей без EGR. | 1 | |||
| 23 | 7971948 О-образное кольцо | 1 | |||
| 24 | 7549231 Труба 1987- | B201C | Для автомобилей с листовым коллектором выхлопных газов Для автомобилей с EGR. | 1 | |||
| 24 | 7542921 Труба B201C | Для автомобилей без EGR. | 1 | |||
| 25 | 7971930 О-образное кольцо | 1 | |||
| 26 | 8334401 Чашка | 1 | |||
| 27 | 8715377 Крышка | 1 | |||
| 28 | 8715393 8728677 Прокладка -2002 | 1 | |||
| 29 | 8082943 Винт | 9 | |||
| 30 | 8029985 92153033 Шайба | 9 | |||
| 31 | 8723470 Крышка | 1 | |||
| 32 | 8718785 8728651 Прокладка -2002 | 1 | |||
| 33 | 8083933 Винт | 8 | |||
| 34 | 8029985 92153033 Шайба | 8 | |||
| 35 | 8712192 Вал | 1 | |||
| 36 | 8341257 Шарик | 1 | |||
| 37 | 8719775 Пружина | 1 | |||
| 38 | 8343014 Поводок | 1 | |||
| 39 | 8049553 Натяжной штифт | 2 | |||
| 40 | 7956154 Натяжной штифт | 1 | |||
| 41 | 8712200 Фиксатор | 1 | |||
| 42 | 8712952 Палец | 1 | |||
| 43 | 8344335 8730764 Уплотнение | 1 | |||
| 44 | 9361650 Щуп | 1 | |||
| 45 | 9361544 55557303 Уплотнительное кольцо | 1 | |||
| 46 | 9368200 Заливка масла | 1 | |||
| 47 | 9361452 Ниппель | 1 | |||
| 48 | 7510241 Прокладка | 1 | |||
8781841 93165267 Уплотнение фланца 280 ML | X | ||||
| 49 | 8711608 Втулка, вкладыш | 1 | |||
| 50 | 8712184 Пружина | 1 | |||
| 51 | 9361627 Шайба | 1 | |||
| 52 | 9362542 Плита | 1 | |||
| 53 | 7496284 Уплотнение резьбы 50 ML | X | |||
| 54 | 90297970 Уплотнение фланца 50 ML | X | |||
7496003 Комплект прокладок | 1 | ||||