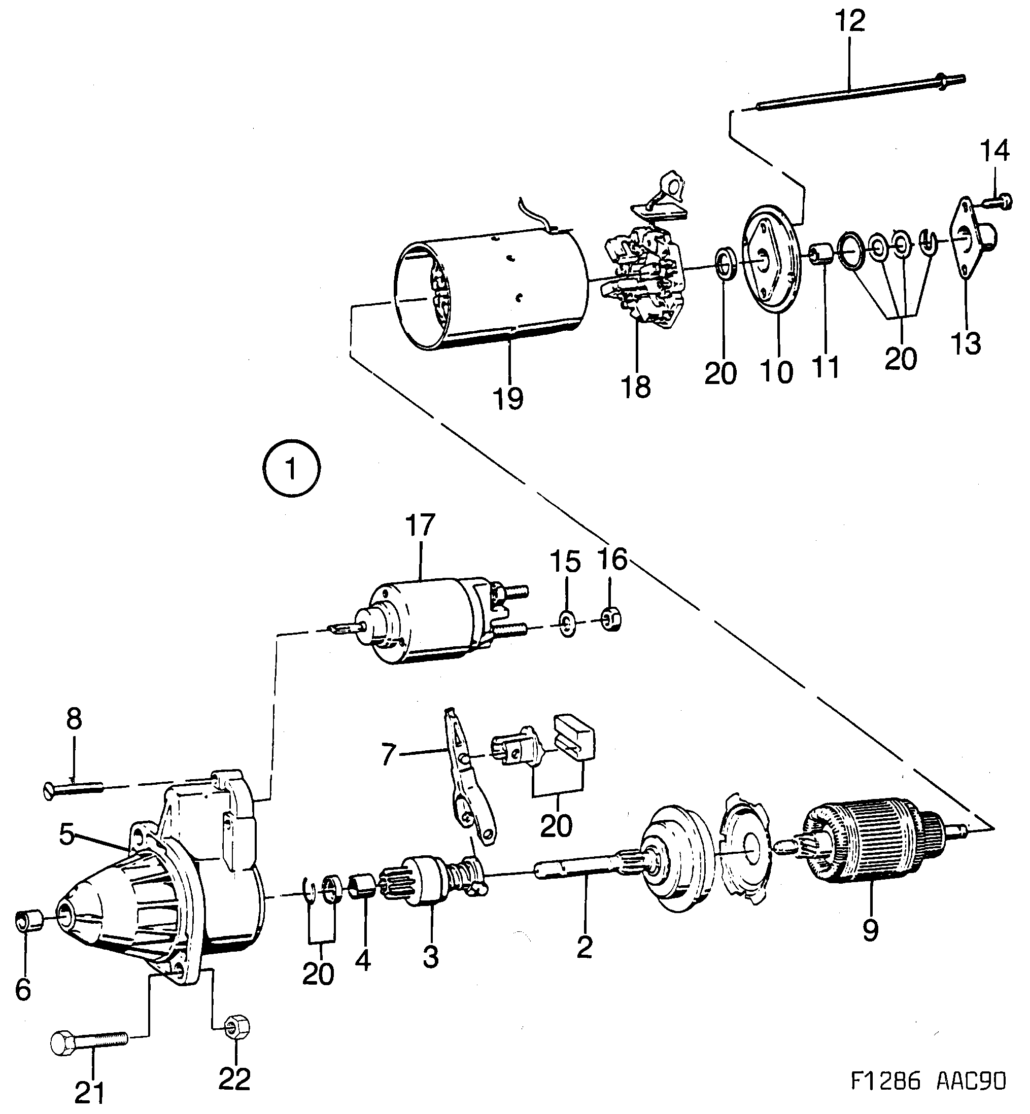
200: Электрика, общие данные - Стартер
(1990 - 1993) | Для 900 (1990)
Касается также Кабриолет 1994

| Поз. | Номер | Кол-во | |
|---|---|---|---|
| 1 | 4017299 Стартер Имеется также как заменяемый узел. | 1 | |
| 2 | 7535255 Планетарная передача | 1 | |
| 3 | 4160099 Ведущая шестерня | 1 | |
| 4 | 7527732 Втулка подшипника | 2 | |
| 5 | 4160149 Шестеренная коробка передач | 1 | |
| 6 | 7527757 Втулка подшипника | 1 | |
| 7 | 7527765 Рычаг сцепления Не имеется как отдельная запчасть. | 1 | |
| 8 | 7535271 Винт | 3 | |
| 9 | 4160123 Ротор | 1 | |
| 10 | 7535297 Шарикоподшипник | 1 | |
| 11 | 7527807 Втулка подшипника | 1 | |
| 12 | 7535305 Винт | 2 | |
| 13 | 7535313 Капсуль | 1 | |
| 14 | 7535321 Винт | 2 | |
| 15 | 7527849 Шайба | 1 | |
| 16 | 7535339 Гайка | 1 | |
| 17 | 7527856 Маневровый магнит | 1 | |
| 18 | 7527864 4443784 Плита | 1 | |
| 19 | 7527872 Корпус | 1 | |
| 20 | 7527880 Комплект | 1 | |
| 21 | 7976939 Винт | 2 | |
| 22 | 7975220 Гайка | 2 |