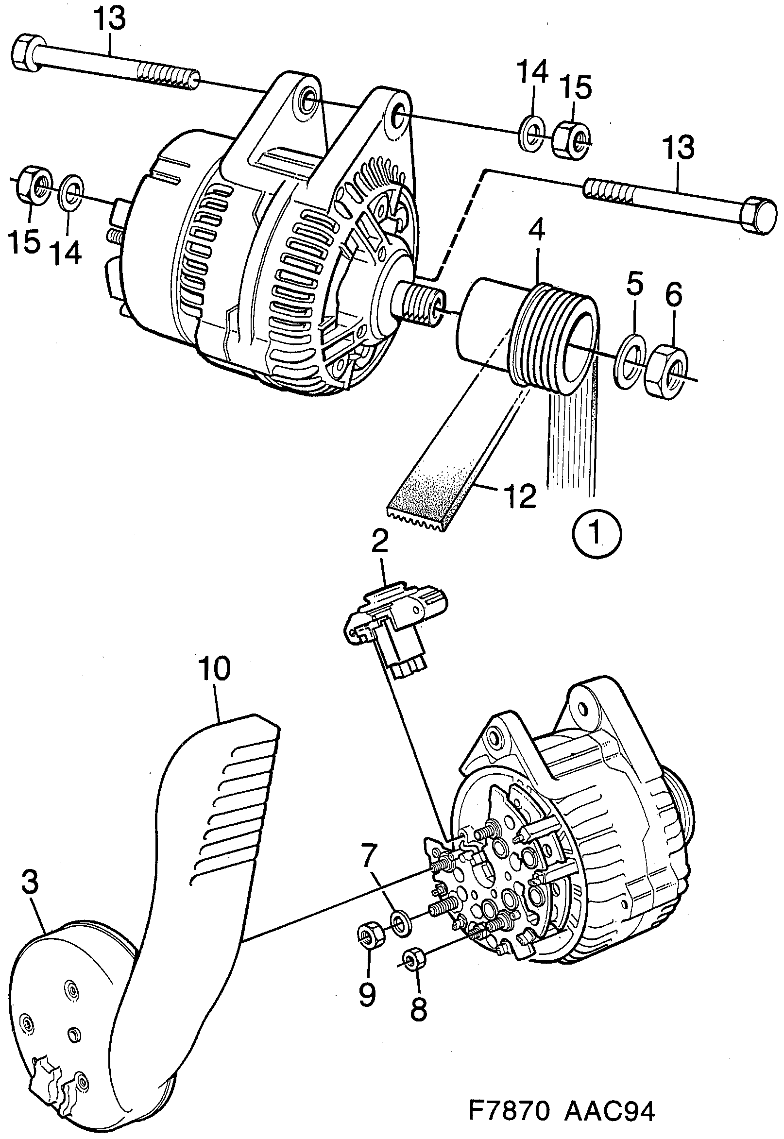
210: Электрика, общие данные - Генератор - Bosch 120A
(1994 - 1997) | Для 900 (1994)

| Поз. | Номер | Кол-во | |||
|---|---|---|---|---|---|
| 1 | 4412805 5248794 Генератор 1994-1995 | Имеется также как заменяемый узел. | 1 | |||
| 2 | 4466918 5246863 Регулятор напряжения 1994-1995 | 1 | |||
| 3 | 4412821 30554020 Защита | 1 | |||
| 4 | 4466900 5477807 Шкив | 1 | |||
| 5 | 4489316 Шайба | 1 | |||
| 6 | 4489308 Гайка | 1 | |||
| 7 | 7311764 Шайба | 1 | |||
| 8 | 7977911 32026207 Гайка | 1 | |||
| 9 | 7977952 11900452 Шестигранная гайка | 1 | |||
| 10 | 4412813 Колпак | 1 | |||
| 11 | 7978091 11900353 Винт | 1 | |||
| 12 | |||||
| 13 | 7979263 Винт | 2 | |||
| 14 | 8073108 Шайба | 2 | |||
| 15 | 8151474 92153199 Гайка замка | 2 | |||