150: Система подвески - Передняя подвеска
(1997 - 1998) | Для 900 (1997)

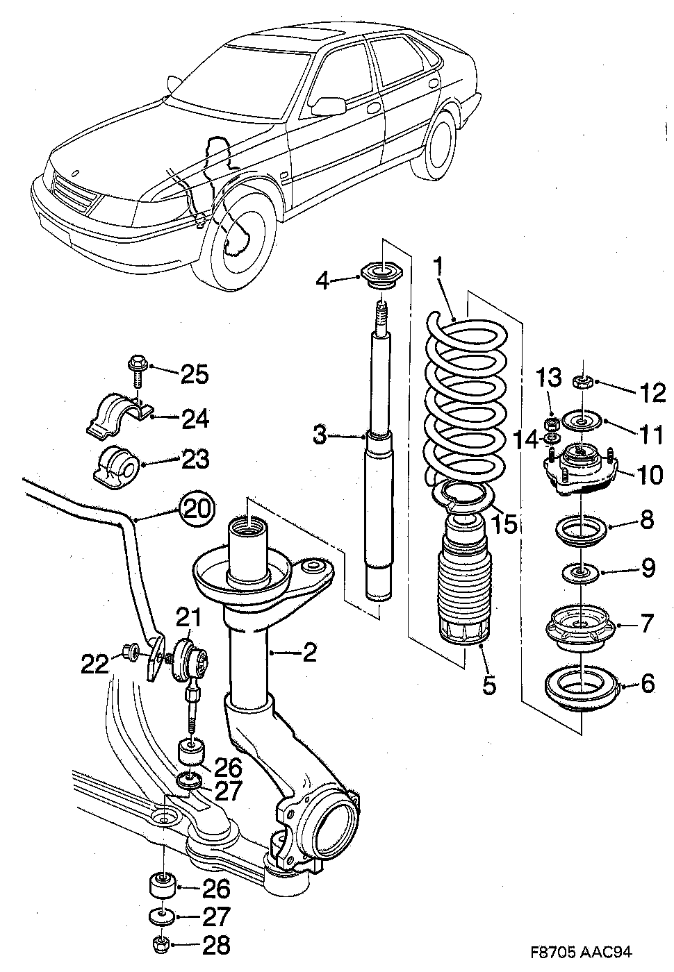
| Поз. | Номер | Кол-во | |||
|---|---|---|---|---|---|
| 1 | 4483160 Пружина красный/красный | CODE=AG | 2 | |||
| 1 | 4483178 Пружина желтый/красный | CODE=AH | 2 | |||
| 1 | 4483186 Пружина красный/белый | CODE=AJ | 2 | |||
| 1 | 4483194 Пружина белый/белый | CODE=AK | 2 | |||
| 1 | 4483202 Пружина белый/оранжевый | CODE=AL | 2 | |||
| 1 | 4483210 Пружина белый/синий | CODE=AM | 2 | |||
| 2 | |||||
| 3 | 4646477 Комплект пружинных стоек См. предисловие красный | CODE=D, marked: red | 2 | |||
| 3 | 4646493 5334628 Комплект пружинных стоек См. предисловие желтый | CODE=E, marked: E | 2 | |||
| 3 | 4646519 Комплект пружинных стоек См. предисловие синий | CODE=F, marked: F | 2 | |||
| 3 | 4646535 Комплект пружинных стоек См. предисловие белый | CODE=G, marked: G | 2 | |||
| 4 | 4243390 Гильза | 2 | |||
| 5 | 4483897 Стопор пробойника | 2 | |||
| 6 | 4245734 Опора | 2 | |||
| 7 | 4544979 Кронштейн пружины | 2 | |||
| 8 | 4246377 4909701 Аксиальный подшипник | 2 | |||
| 9 | 4907663 Шайба | 2 | |||
| 10 | 4544276 Упорный подшипник | 2 | |||
| 11 | 4646634 Шайба | 2 | |||
| 12 | 4346862 Шестигранная гайка | 2 | |||
| 13 | 7979602 Гайка | 6 | |||
| 14 | 7916497 92153033 Шайба | 2 | |||
| 15 | 4689378 Прокладка | 2 | |||
| 20 | 4543492 Стабилизатор поперечной устойчивости CODE=A | 1 | |||
| 20 | 4543500 Стабилизатор поперечной устойчивости CODE=B | 1 | |||
| 21 | 4544599 Шарнир | 2 | |||
| 22 | 4347357 Гайка замка | 2 | |||
| 23 | 4543518 Втулка, вкладыш Для стабилизатора поперечной устойчивости 4543492. | 2 | |||
| 23 | 4543526 Втулка, вкладыш Для стабилизатора поперечной устойчивости 4543500. | 2 | |||
| 24 | 4249793 5058821 Крышка Для стабилизатора поперечной устойчивости 4543492. | 2 | |||
| 24 | 4543542 Крышка Для стабилизатора поперечной устойчивости 4543500. | 2 | |||
| 25 | 7985773 Винт | 2 | |||
| 26 | 4246112 Резиновый блок | 4 | |||
| 27 | 4087326 Шайба | 4 | |||
| 28 | 8074288 11900440 Гайка | 2 | |||