
| Поз. | Номер | Кол-во | |
|---|---|---|---|
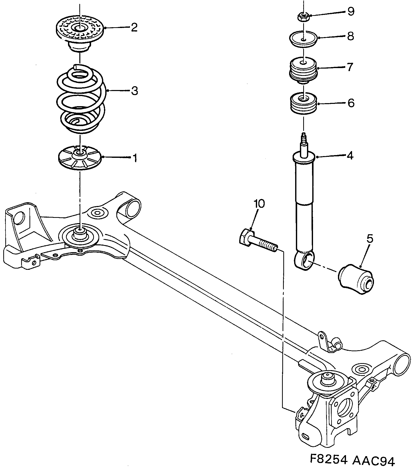
| 1 | 4245122 Кронштейн пружины | 2 | |
| 2 | 4244505 Стопор пробойника | 2 | |
| 3 | 4647509 Пружина белый | CODE=BE | 2 | |
| 3 | 4647517 Пружина оранжевый/белый | CODE=BF | 2 | |
| 3 | 4543021 Пружина оранжевый | CODE=BG | 2 | |
| 4 | 4646485 Амортизатор красный | CODE=D | 2 | |
| 4 | 4646501 4901070 Амортизатор -1997 | желтый | CODE=E | 2 | |
| 4 | 4901070 Амортизатор 1997- | желтый | CODE=M | 2 | |
| 4 | 4646527 4901070 Амортизатор -1997 | синий | CODE=F | 2 | |
| 4 | 4901062 4901070 Амортизатор 1997- | синий | CODE=N | 2 | |
| 4 | 4646543 4906475 Амортизатор белый | CODE=G | 2 | |
| 5 | 4373874 Втулка, вкладыш | 1 | |
| 6 | 4246344 5059530 Втулка, вкладыш | 2 | |
| 7 | 4246336 5059548 Втулка, вкладыш | 2 | |
| 8 | 8959934 Шайба | 2 | |
| 9 | 8151474 92153199 Гайка замка | 2 | |
| 10 | 4685228 Шестигранный винт | 2 |