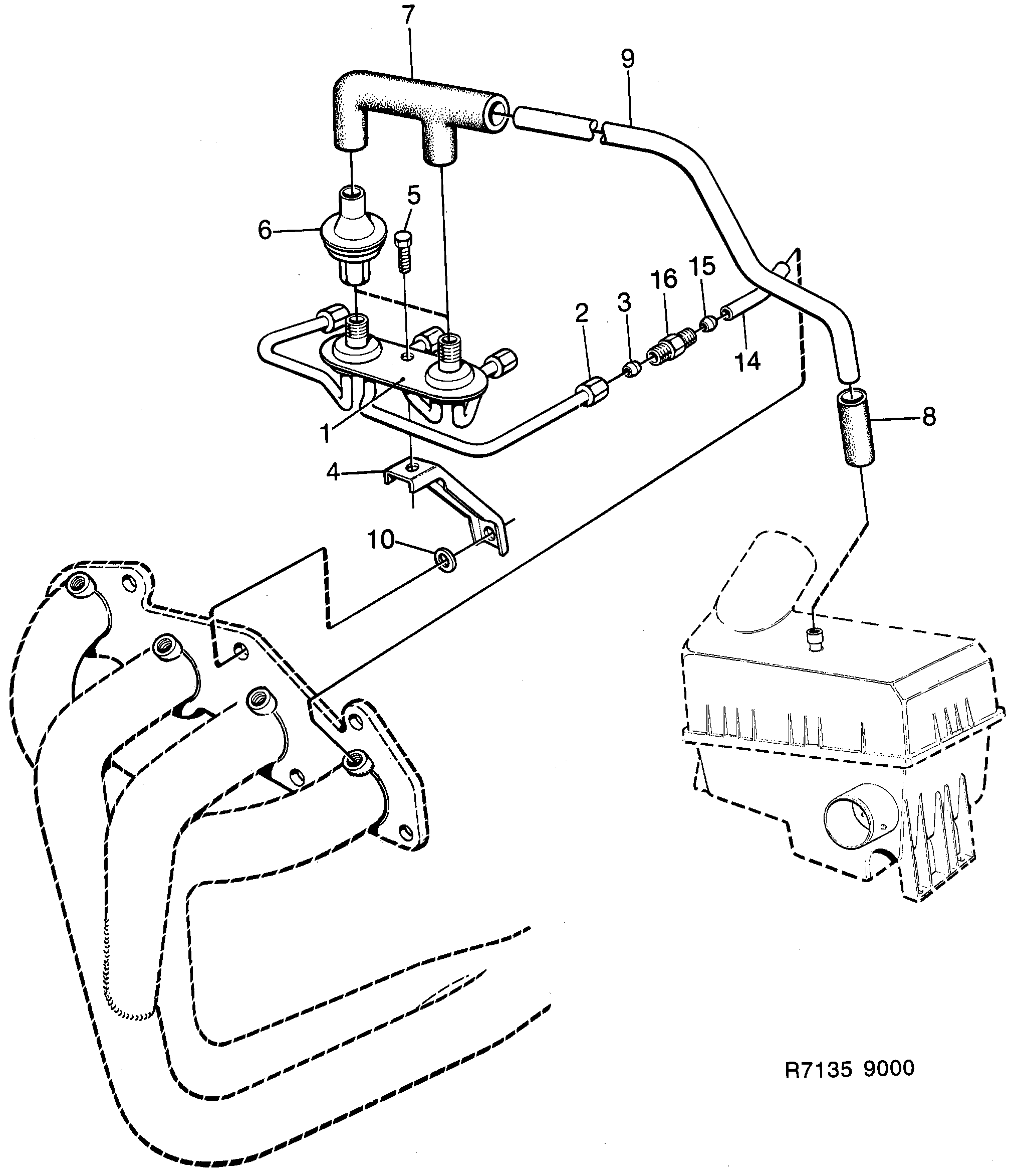
1060: Двигатель - Впускная система и выхлопная система - Система вдувания воздуха
(1985 - 1988) | Для 9000 (1985)

| Поз. | Номер | Кол-во | |
|---|---|---|---|
| 1 | 9390360 Крепление | 1 | |
| 2 | 8357444 Гайка | 4 | |
| 3 | 8357451 Режущее кольцо | 4 | |
| 4 | 9390287 Рычаг 1985-1987 | 1 | |
| 5 | 7969223 Винт | 1 | |
| 6 | 7519226 Клапан | 2 | |
| 7 | 9390253 Шланг | 1 | |
| 8 | 9390246 Шланг | 1 | |
| 9 | 9390535 Труба | 1 | |
| 10 | 9390121 Прокладка | 1 | |
| 14 | 7524069 Труба | 4 | |
| 15 | 8357451 Режущее кольцо | 4 | |
| 16 | 8357436 Ниппель | 4 |