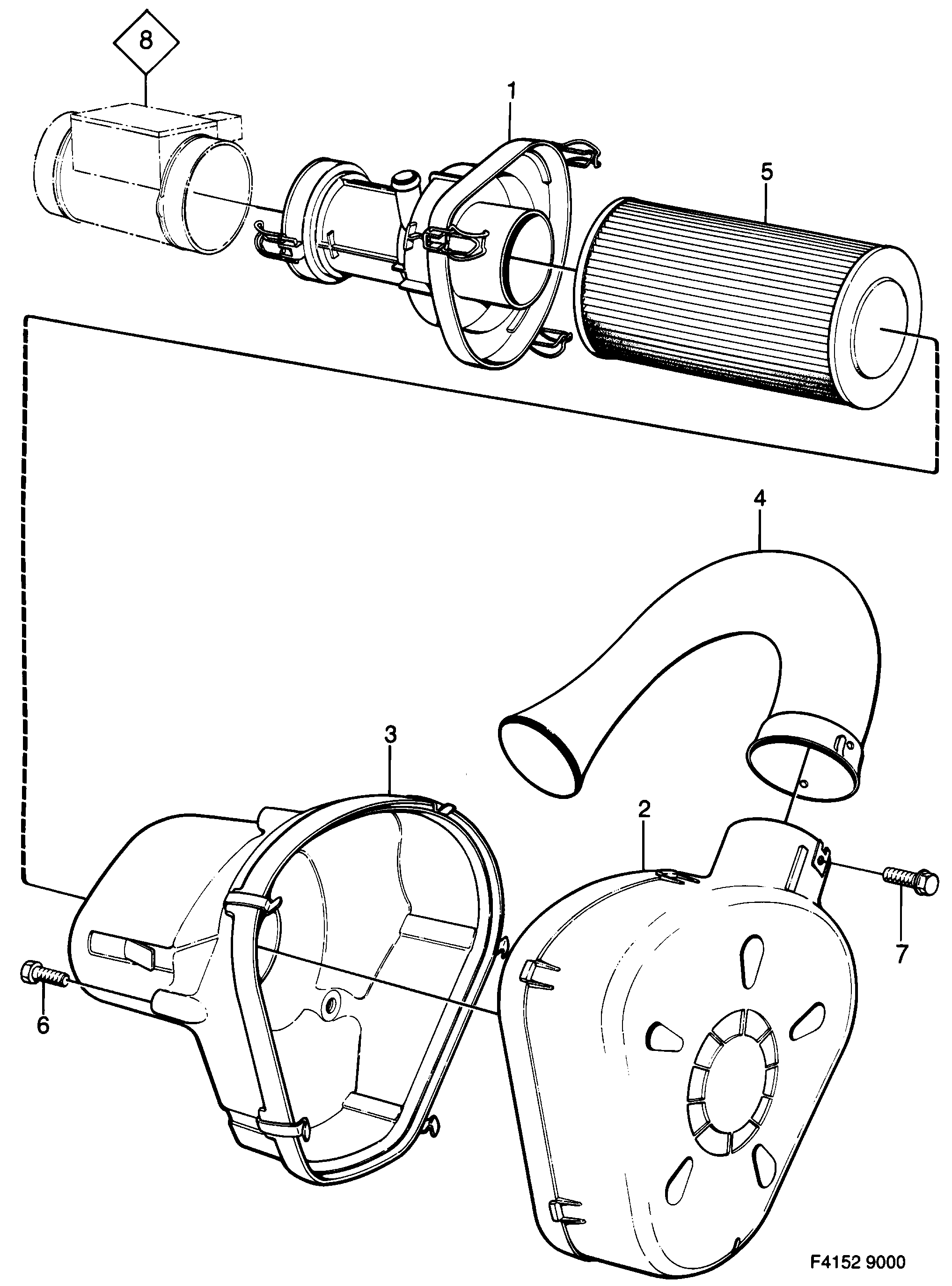
460: Двигатель - Топливная система - Воздухоочиститель - Двигатель
(1985 - 1989 | TURBO) | Для 9000 (1985)

| Поз. | Номер | Кол-во | |||
|---|---|---|---|---|---|
| 1 | 9391608 Крышка | 1 | |||
| 2 | 9391616 Корпус воздухоочистителя | 1 | |||
| 3 | 9390170 Корпус воздухоочистителя | 1 | |||
| 4 | 9390915 Труба | 1 | |||
| 5 | 9390907 Воздушный фильтр | 1 | |||
| 6 | 7977788 Винт | 3 | |||
| 7 | 7972888 Винт | 2 | |||
| 8 | |||||