
| Поз. | Номер | Кол-во | |
|---|---|---|---|
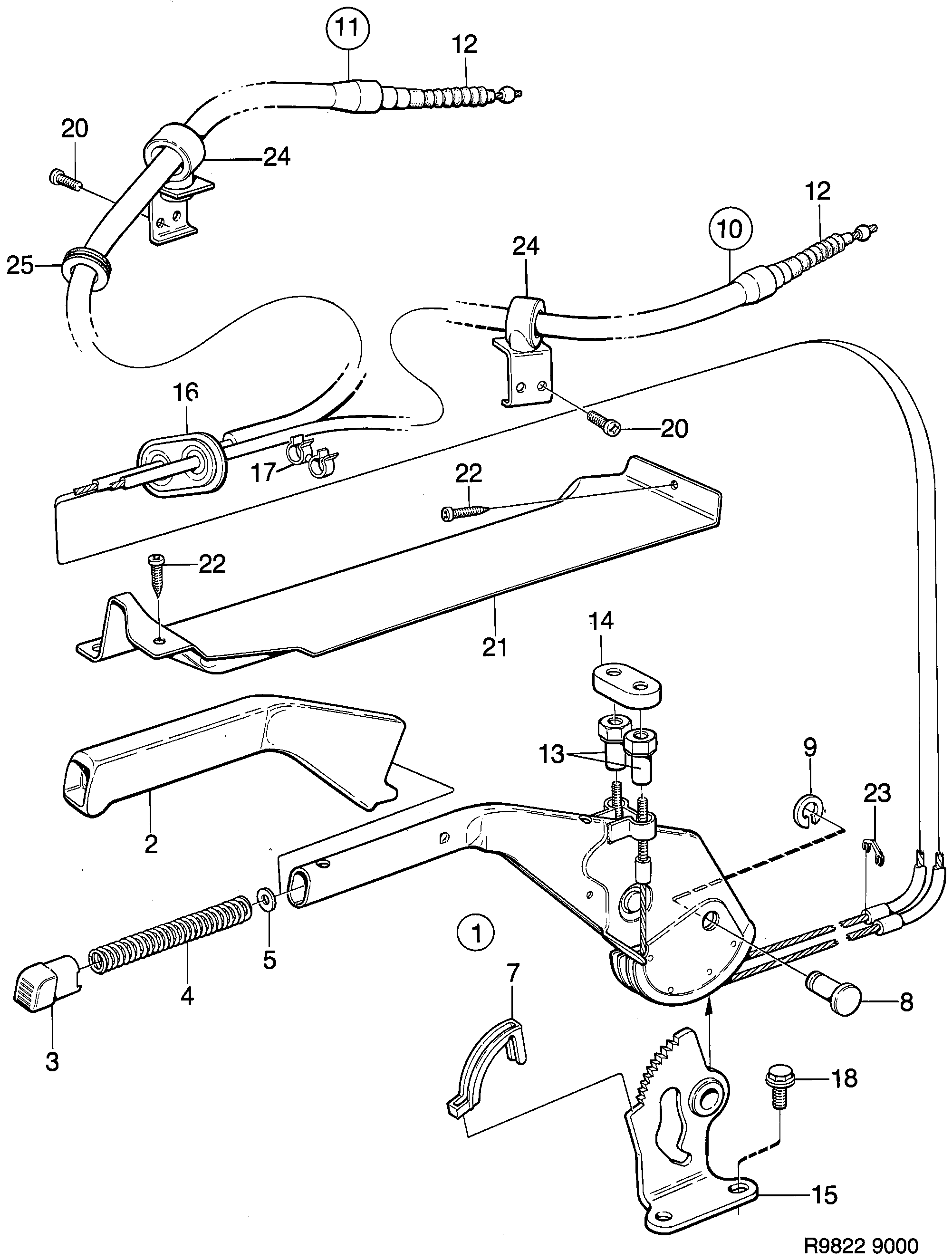
| 1 | 8956179 Рычаг ручного тормоза | 1 | |
| 2 | 8962649 Ручка | 1 | |
| 3 | 8953788 Нажимная кнопка | 1 | |
| 4 | 8953739 Пружина | 1 | |
| 5 | 8029969 Шайба | 1 | |
| 7 | 8961062 Шина скольжения | 1 | |
| 8 | 8953762 Болт | 1 | |
| 9 | 7915077 7963143 Бегунок | 1 | |
| 10 | 8964348 Трос ручного тормоза 1985-1986 | LH | 1 | |
| 11 | 8964363 Трос ручного тормоза 1985-1986 | RH | 1 | |
| 12 | 8954455 Сильфон | 2 | |
| 13 | 8953796 Регулировочная гайка | 2 | |
| 14 | 8953879 Стопор поворота | 1 | |
| 15 | 8953689 Сегмент | 1 | |
| 16 | 8954646 Вводной канал | 1 | |
| 17 | 7398464 Зажим | 1 | |
| 18 | 7967938 55562121 Винт | 2 | |
| 20 | 7972805 Винт | 2 | |
| 21 | 9764044 Защита | 1 | |
| 22 | 7972805 Винт | 3 | |
| 24 | 8967655 Держатель | 2 |