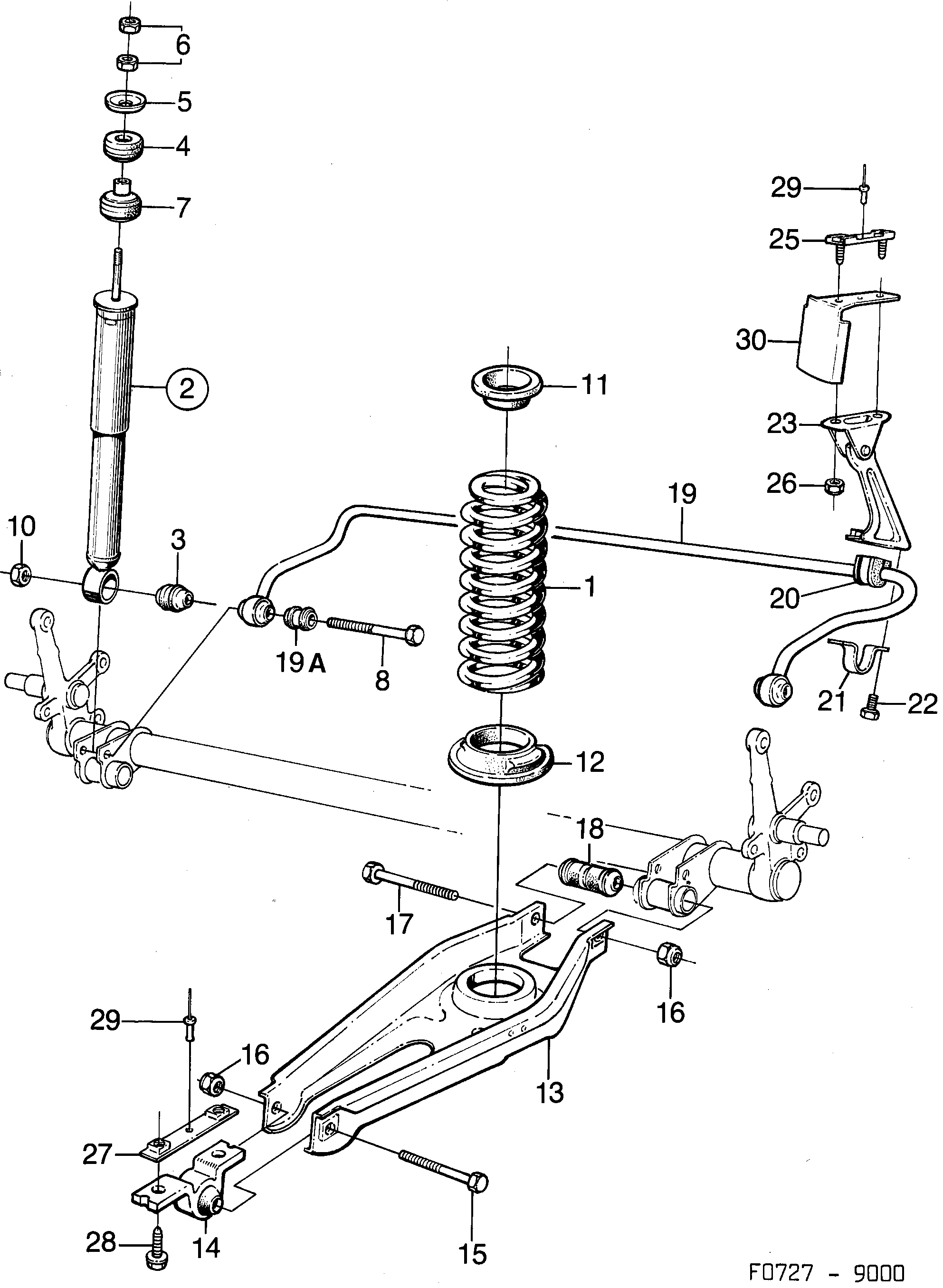
160: Система подвески - Задняя подвеска
(1985 - 1989) | Для 9000 (1985)

| Поз. | Номер | Кол-во | |
|---|---|---|---|
| 1 | 8960932 Пружина | 2 | |
| 1 | 8960940 Пружина Автомобили с АС | 2 | |
| 2 | 8962003 4647095 Комплект амортизатора -1987 | 2 | |
| 3 | 8952749 Втулка подшипника | 2 | |
| 3 | 8963944 Втулка подшипника Автомобили с автоматическим контролем уровня | 2 | |
| 4 | 8952335 Резиновая втулка | 2 | |
| 5 | 8959934 Шайба | 2 | |
| 6 | 8315558 30509371 Гайка 1985-1987 | 4 | |
| 7 | 8952327 Резиновая втулка | 2 | |
| 8 | 8084410 7979594 Винт 1985-1988 | 2 | |
| 10 | 7971765 92153201 Гайка | 2 | |
| 11 | 8952285 30519187 Изолятор пружины | 2 | |
| 12 | 8950438 Изолятор пружины | 2 | |
| 13 | 8970782 Серьга рессоры (8957037) | 2 | |
| 14 | 8957714 Крепление подшипника | 2 | |
| 15 | 8084212 7982028 Винт 1985-1988 | 2 | |
| 16 | 8073538 7977812 Гайка замка 1985-1987 | 8 | |
| 17 | 7979248 Винт (8084246) | 2 | |
| 18 | 8951063 Втулка, вкладыш | 2 | |
| 19 | 8961765 Стабилизатор поперечной устойчивости | 1 | |
| 19 | 8971368 Стабилизатор поперечной устойчивости | 1 | |
| 19A | 8962011 8952749 Втулка подшипника | 2 | |
| 20 | 8952129 Резиновая втулка | 2§ | |
| 21 | 8952137 Бюгель | 2 | |
| 22 | 8082927 Винт | 4 | |
| 23 | 8965105 Шарнир LH | 1 | |
| 23 | 8965113 Шарнир RH | 1 | |
| 25 | 8961625 Крепежная пластина | 2 | |
| 26 | 7971922 92150143 Гайка | 4 | |
| 27 | 8958498 30519311 Гайка | 2 | |
| 28 | 7976905 Винт | 4 | |
| 29 | 7961642 Заклепка | 2 | |
| 30 | 8969214 Защитная плита RH | 1 |