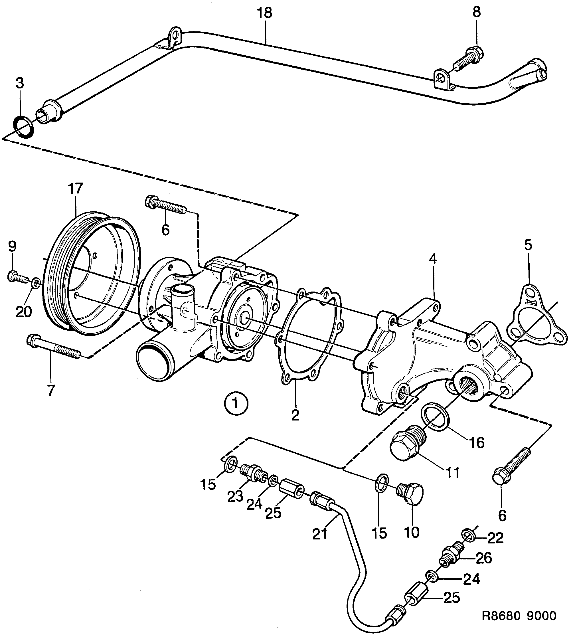
1450: Двигатель - Система охлаждения - Насос охлаждающей жидкости
(1985 - 1989) | Для 9000 (1986)

| Поз. | Номер | Кол-во | |
|---|---|---|---|
| 1 | 8817918 9321670 Насос охлаждающей жидкости 1986- | 1 | |
| 2 | 7566581 Прокладка (7566581) | 1 | |
| 3 | 7972698 9146598 О-образное кольцо | 1 | |
| 4 | 7507247 Консоль | 1 | |
| 5 | 7523897 Прокладка (7507833) | 1 | |
| 6 | 8125197 Винт | 6 | |
| 7 | 8125239 Винт | 5 | |
| 8 | 8125148 Винт | 1 | |
| 9 | 8019903 7985930 Винт | 4 | |
| 10 | 7564222 7563042 Пробка 1985-1988 | 1 | |
| 11 | 7564230 8123788 Пробка 1985-1988 | 1 | |
| 15 | 8124141 92150435 Прокладка | 1 | |
| 16 | 8124208 9116856 Прокладка | 1 | |
| 17 | 9359985 Шкив | 1 | |
| 18 | 7515893 Труба 1985-1987 | 1 | |
| 20 | 8073223 Шайба | 4 |